Пневматика и
автоматизация

  • Пн - Пт
  • 9:00 - 18:00
  • Шкаф управления системой барботажа и матирования для прыжкового бассейна

    Компанией Би Энд Би Инжиниринг спроектирован и собран шкаф управления системой барботажа/матирования воды для бассейна прыжков в воду в составе большого проекта плавательного комплекса. Этот шкаф — «соседний» по объекту проект к нашим шкафам управления системой водоподготовки: вся инженерия выполнялась в рамках одной общей инфраструктуры комплекса.

    Шкаф управления системой барботажа и матирования воды — общий вид

    Шкаф управления системой барботажа и матирования воды — общий вид

    Задача проекта: изготовить аналог профессиональной системы барботажа (воздушной подушки) и матирования воды для зоны приводнения спортсменов, но в формате готового промышленного изделия с сокращёнными сроками поставки и понятной эксплуатацией на объекте.

    • Объект: бассейн прыжков в воду (плавательный комплекс)
    • Функции: воздушная подушка (барботаж) + матирование поверхности воды
    • Концепция: промышленное Plug and Play решение — шкаф устанавливается на объекте и подключается трубами к платформам/линиям в бассейне
    • Условия: высокая влажность, агрессивная среда, требование к надёжности и сервисопригодности

    Что такое барботаж и матирование воды — и зачем это нужно в прыжковых бассейнах

    В бассейнах для прыжков в воду используются специальные режимы аэрации, которые снаружи выглядят как «пузырьки» на поверхности, но по сути являются инженерным элементом безопасности и тренировочного процесса.

    • Барботаж (воздушная подушка) — кратковременная интенсивная подача воздуха через донные барботажные устройства (спаргеры) в зоне приводнения. Поток пузырьков меняет структуру воды и снижает «жёсткость» входа спортсмена при приземлении.
      Проще говоря: создаётся воздушно-водяная смесь, которая уменьшает ударную нагрузку и повышает безопасность при отработке сложных элементов.
    • Матирование поверхности — более «мягкая», как правило постоянная подача воздуха, которая делает поверхность воды визуально заметной. Это помогает спортсмену и тренеру контролировать положение и ориентацию при выполнении прыжков.
      Для тренировок важно видеть «рисунок» поверхности: по нему проще оценивать точку входа, отклонения и стабильность техники.

    В профессиональных комплексах эти режимы реализуются как отдельные функции системы: барботаж включается на короткое время (по кнопке/таймеру) перед приводнением, а матирование может работать постоянно в выбранных тренировочных сценариях.

    Именно поэтому требования к системе управления довольно жёсткие: нужны предсказуемые режимы, защита по давлению, удобство для персонала и готовность к эксплуатации в постоянно влажной среде.

    Барботаж в зоне приводнения: воздушная подушка в прыжковом бассейне

    Пример визуального эффекта барботажа: зона приводнения покрыта интенсивным пузырьковым потоком.

    Предыстория проекта

    К нам обратилась инжиниринговая компания «DEEV Pools», специализирующаяся на строительстве бассейнов и плавательных комплексов.

    Эта компания ранее в своих проектах использовала оборудование американского производства — компании Natare Pools.

    «DEEV Pools» было поручено строительство инженерных систем плавательного тренировочного центра сборных команд России «Крымский» в Алуште в сжатые сроки, а поставки оборудования из США были затруднены.

    Поэтому нам была поставлена задача спроектировать аналогичную систему, но на базе более доступного оборудования и с учётом дополнительных технических и эксплуатационных требований.

    Состав системы воздушной подушки для прыжков в воду

    Оригинальная система состоит из следующих элементов:

    1. Панель управления
    2. Шкаф управления системы барботажа и матирования
    3. Пульт дистанционного управления
    4. Компрессор
    5. Ресивер(ы) сжатого воздуха
    6. Спаргерные платформы (аэроплаты)
    Состав системы — панель управления и шкаф
    Состав системы — пульт дистанционного управления
    Состав системы — компрессор и ресиверы
    Состав системы — спаргерные платформы (аэроплаты)
    Оригинальный шкаф барботажа — фотография
    Оригинальный шкаф барботажа — схема
    Фотография и схемы оригинального шкафа барботажа.

    Техническое задание

    Нашей компании было поручено спроектировать и собрать шкаф управления системы барботажа и матирования, взяв за основу оригинал, но внеся следующие улучшения:

    • Добавить независимую настройку и управление матированием каждой спаргерной платформы (в оригинале отсутствует).
    • Добавить контроль положения (датчики) всех отсечных кранов (в оригинале отсутствует).
    • Выполнить все внутренние трубопроводы, фитинги и запорную арматуру (регуляторы давления, вентили, краны) из ПВХ (в оригинале они из латуни/стали), для повышения стойкости к агрессивной воде бассейна, а также для снижения веса шкафа и повышения совместимости с внешними ПВХ-трубопроводами.
    • Увеличить ДУ труб и арматуры шкафа для повышения расхода воздуха на аэроплаты, чтобы повысить быстродействие и динамику системы.
    • Управляющие пневмораспределители выполнить в виде пневмоострова с одним многожильным кабелем для лучшей диагностики, удобства обслуживания, сокращения кабелей и повышения общей технологичности оборудования (в оригинале — блок индивидуальных распределителей).

    Забегая вперёд: было непросто, но мы справились😊

    С какими трудностями мы столкнулись

    При проектировании и сборке такого специфического шкафа требовалось применить весь наш профессионализм и опыт, чтобы преодолеть возникшие сложности:

    • Необходимо было внутри выполнить разводку труб с арматурой довольно большого ДУ (вводной трубопровод, регулятор давления и краны имеют ДУ100), и на этапе проектирования пришлось разработать подробную 3D-модель шкафа, чтобы всё необходимое поместилось в один шкаф, пусть даже максимально доступного размера 2200х1200х600 без учёта цоколя. Задача конструктору стояла не просто начертить в 3D, но и продумать всё до мелочей так, чтобы потом это всё можно было в принципе собрать.
    • На 2D-чертежах необходимо было чётко указать размеры расположения всех отверстий под входные/выходные трубопроводы, а также отверстия для монтажа оборудования на панели.
    • В процессе сборки необходимо было чётко соблюсти все размеры расположения отверстий и длин трубопроводов, т.к. расчётные зазоры в некоторых местах достигали считанных миллиметров.
    • ПВХ не прощает ошибки: трубы, фитинги и арматура из PVC-U фиксируются друг с другом с помощью специального клея и в отличие от резьбовых/цанговых соединений становятся неразборными. Если где-то ошибся с длиной трубы, то весь фрагмент трубопровода с вклеенными фитингами и арматурой можно забраковывать. И если фитинги и трубы стоят не так дорого и их можно было купить с небольшим запасом, то дорогостоящая немецкая арматура GEMU (регуляторы давления, вентили, краны) были куплены без права на ошибку.
    • Необходимо было чётко соблюсти всю технологию соединений, используя специальный обезжириватель и клей, чтобы соединения получилось герметичные и надёжные.
    Примеряем шаблоны
    Примеряем арматуру
    Сборщик
    КД
    Подключаем БКВ
    Клеим трубы
    Фото с процесса сборки.
    Шкаф управления барботажом — вид снаружи
    Шкаф управления барботажом — вид снаружи
    Шкаф управления барботажом — вид снаружи
    Шкаф управления барботажом — вид снаружи
    Шкаф управления барботажом — вид снаружи

    Из чего состоит шкаф управления барботажом и матированием

    По сути, внутри шкафа размещена мини-станция распределения воздуха, полностью собранная и протестированная на производстве.

    • Магистральный ввод воздуха с сервисными отсечками
    • Контур барботажа — для кратковременного интенсивного режима
    • Контур матирования — для постоянной слабой аэрации поверхности воды
    • ПВХ-трубопроводы и арматура, устойчивые к бассейновой среде
    • Пневмологика управления на базе пневмоострова
    • Контроль давления и индикация по каждому контуру

    На объект шкаф поступает как готовый модуль: установили, подключили трубопроводы — система готова к пуску.

    Этот проект — не «типовой шкаф автоматики». Внутри размещены полноразмерные трубопроводы, запорная арматура и пневмологика, благодаря чему шкаф представляет собой законченную модульную станцию, готовую к установке на объект.

    В отличие от классических общепромышленных решений, где арматура и трубная обвязка располагаются на внешних трассах, здесь основной пневматический узел целиком собран внутри шкафа.

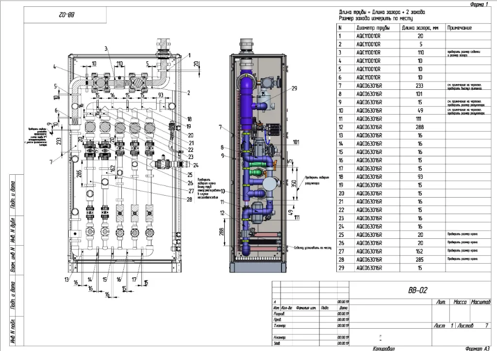
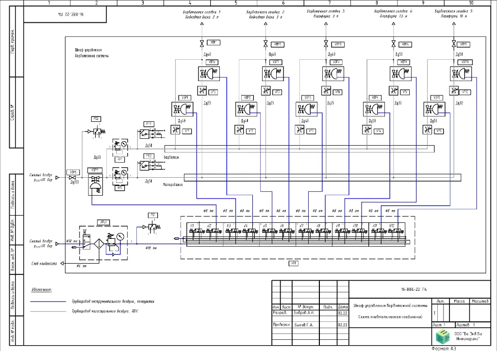
    Конструкторская документация

    Подготовили полный комплект КД по ГОСТ, необходимый для производства, сборки и корректного подключения шкафа управления:

    • Чертёж общего вида (габариты, компоновка, обозначения)
    • Сборочный чертёж (размеры, крепежи)
    • Схемы электрических соединений и подключений
    • Схемы пневматических соединений и подключений
    • Спецификация оборудования и материалов

    Наличие полного комплекта документации позволяет собрать шкаф без ошибок, а также ускоряет ввод в эксплуатацию и облегчает дальнейшее обслуживание.

    Шкаф барботажа КД
    Шкаф барботажа КД
    Шкаф барботажа КД
    Шкаф барботажа КД
    Шкаф барботажа КД

    Шкаф управления системой барботажа и матирования воды в Южно-Сахалинске

    Результат проекта

    Заказчик получил готовое изделие для монтажа на объекте — шкаф управления барботажом и матированием, рассчитанный на эксплуатацию во влажной среде плавательного комплекса и удобный для обслуживающего персонала.

    • Plug and Play-архитектура: минимальный объём работ на объекте, быстрый ввод в эксплуатацию
    • Стойкость к среде: ПВХ-трубопроводы и арматура для влажных и агрессивных условий
    • Раздельные контуры барботажа и матирования — независимая настройка и обслуживание
    • Сервисопригодность: отсечки, понятная индикация, контроль давления по контурам
    • Воспроизводимость решения: наличие КД и единая логика компоновки для масштабирования на другие объекты

    В итоге, наш партнёр успешно сдал объект госзаказчику, и плавательный комплекс был запущен в эксплуатацию.

    Этот кейс — пример того, как мы решаем нестандартные инженерные задачи, где важны и пневматика, и арматура, и грамотная архитектура изделия.

    P.S. чуть позже наш партнёр пришёл к нам с аналогичным проектом, но уже для бассейна в Южно-Сахалинске😎

    Там аэроплат стало ещё больше и всё оборудование уже никак не получалось уместить в один шкаф. А что может быть лучше одного шкафа управления? Только два шкафа управления!

    В итоге мы удачно выполнили и второй аналогичный проект (см. фотографию смонтированного двойного шкафа барботажа/матирования из Центра водных видов спорта «Волна» в Южно-Сахалинске).

    Но это уже совсем другая история😀

    Так что если будете в этих бассейнах, то передавайте нашим шкафам привет!

    i

    Нужен аналогичный шкаф управления или инженерное решение под нестандартную задачу?

    Если вам требуется шкаф управления для пневмосистем, запорной арматуры, объектов водоподготовки, бассейновых систем или других инженерных задач, мы поможем выбрать архитектуру, подобрать элементную базу и подготовить полный комплект конструкторской и эксплуатационной документации.

    • подберём компоненты под условия эксплуатации и требования объекта
    • разработаем схемы и спецификации по ГОСТ
    • соберём шкаф управления и протестируем логику работы
    • при необходимости выполним шеф-монтажные и пуско-наладочные работы

    Результат: готовое инженерное изделие, удобное в эксплуатации и воспроизводимое для следующих проектов.

    Комментарии

    Сообщения не найдены

    Написать отзыв