Пневматика и
автоматизация

  • Пн - Пт
  • 9:00 - 18:00
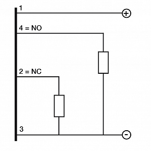
  • AT6/BP-3H Micro Detectors - Индуктивный датчик, M30x1.5, заподлицо, НО/НЗ, PNP, дист. 15 мм, разъём M12x1
    107 712
    Фотография может отличаться от реального товара

    AT6/BP-3H Micro Detectors - Индуктивный датчик, M30x1.5, заподлицо, НО/НЗ, PNP, дист. 15 мм, разъём M12x1

    295627
    Доставка в Алматы Изменить
    Дискретный выход: НО/НЗ (перекидной), PNP • Тип установки: заподлицо • Номинальная дистанция переключения: 15мм • Электрическое подключение: разъём M12x1 • Крепежная резьба: M30x1.5 • Класс защиты: IP67 • Рабочее напряжение: 12 ÷ 24 V DC • Материал корпуса: латунь никелированная
    +
    Отложить
    Преимущества
    Бесплатные консультации и техподдержка
    Подбор аналогов из наличия
    Быстрая обработка заявки
    Индивидуальный подход
    Лучшие цены и сроки
    Оплата
    Доставка
    • Все о товаре
    • Описание
    • Характеристики
    • Документация

    Описание AT6/BP-3H

    Дискретный выход: НО/НЗ (перекидной), PNP • Тип установки: заподлицо • Номинальная дистанция переключения: 15мм • Электрическое подключение: разъём M12x1 • Крепежная резьба: M30x1.5 • Класс защиты: IP67 • Рабочее напряжение: 12 ÷ 24 V DC • Материал корпуса: латунь никелированная

    Автор

    Ответственный редактор / Инженер

    Директор «Би Энд Би Инжиниринг»
    «Описание товара AT6/BP-3H Micro Detectors - Индуктивный датчик, M30x1.5, заподлицо, НО/НЗ, PNP, дист. 15 мм, разъём M12x1 на этой странице составлено на основе нашего 10-летнего опыта работы в сфере пневматического оборудования, запорной арматуры и промышленной автоматизации. Если у вас есть вопросы или комментарии — напишите мне лично».

    Характеристики AT6/BP-3H

    Характеристики входов/выходов
    Дискретный выход
    НО/НЗ (перекидной), PNP
    Характеристики средств измерений
    Тип установки
    • заподлицо
    Номинальная дистанция переключения
    15 мм
    Общие характеристики
    Тип конструкции
    резьбовой
    Массо-габаритные и монтажные характеристики
    Электрическое подключение
    разъём M12x1
    Крепежная резьба
    • M30x1.5
    Условия эксплуатации
    Рабочая температура
    • -25 ÷ 70 °C
    Класс защиты
    • IP67
    Макс. частота переключения
    • 200 Гц
    Защита от короткого замыкания
    • да
    Защита от смены полярности
    • да
    Рабочее напряжение
    12 ÷ 24 V DC
    Материалы
    Основной материал
    латунь
    Корпус
    латунь никелированная
    Идентификационные данные
    Производитель
    Micro Detectors
    Артикул
    AT6/BP-3H
    Ед. изм.
    шт.
    Отзывы

    Отзывы не найдены

    Как только цена на товар снизится, вы сразу об этом узнаете
    Следить за снижением цены

    Цена пока не менялась. Как только она изменится, мы покажем график

    Возможно, вас это заинтересует
     
    • Похожие товары
    • Недавно смотрели