Пневматика и
автоматизация

  • Пн - Пт
  • 9:00 - 18:00
  • Фотография может отличаться от реального товара

    SBA-200I23 CAMOZZI - Блок концевых выключателей индукт., НО, НЗ PNP

    205676
    Дискретный выход: НО/НЗ, PNP • Принцип измерения: индуктивный • Электрическое подключение: клеммы • Класс защиты: IP67 • Рабочее напряжение: 10 ÷ 30 V DC • Материал корпуса: алюминий
    Преимущества
    Бесплатные консультации и техподдержка
    Подбор аналогов из наличия
    Быстрая обработка заявки
    Индивидуальный подход
    Лучшие цены и сроки
    Оплата
    Доставка
    • Все о товаре
    • Описание
    • Характеристики
    • Документация

    Описание SBA-200I23

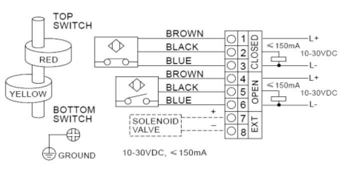
    два 3-х проводных индуктивных датчика 10-30 VDC

    Автор

    Ответственный редактор / Инженер

    Директор «Би Энд Би Инжиниринг»
    «Описание товара SBA-200I23 CAMOZZI - Блок концевых выключателей индукт., НО, НЗ PNP на этой странице составлено на основе нашего 10-летнего опыта работы в сфере пневматического оборудования, запорной арматуры и промышленной автоматизации. Если у вас есть вопросы или комментарии — напишите мне лично».

    Характеристики SBA-200I23

    Характеристики входов/выходов
    Дискретные выходы, количество
    2
    Дискретный выход
    НО/НЗ, PNP
    Характеристики средств измерений
    Принцип измерения
    индуктивный
    Общие характеристики
    Индикатор позиции
    • желтый/красный
    Массо-габаритные и монтажные характеристики
    Резьба кабельного ввода
    • M20x1.5
    Электрическое подключение
    клеммы
    Масса
    740 г
    Условия эксплуатации
    Рабочая температура
    • -25 ÷ 85 °C
    Класс защиты
    • IP67
    Монтажное положение
    • любое
    Макс. выходной ток
    • 150 мА
    Рабочее напряжение
    10 ÷ 30 V DC
    Материалы
    Основной материал
    алюминий
    Корпус
    алюминий
    Шток
    • сталь нержавеющая
    Идентификационные данные
    Производитель
    CAMOZZI
    Артикул
    SBA-200I23
    Ед. изм.
    шт.
    Наличие в магазинах
    Магазин и адрес
    Режим работы
    Телефон
    Доступность
    Склад Алматы
    г. Алматы, ул. Казыбаева, 3/3, пом. 11
    Пн.-Пт. 10:00-17:00
    +7(776)990-55-56
    Нет в наличии
    Отзывы

    Отзывы не найдены

    История изменения цен

    Цена пока не менялась. Как только она изменится, мы покажем график

    Возможно, вас это заинтересует
     
    • Похожие товары
    • Недавно смотрели