Пневматика и
автоматизация

  • Пн - Пт
  • 9:00 - 18:00
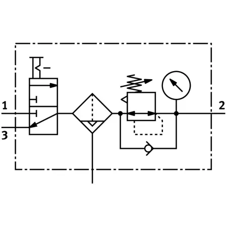
  • LFR-3/4-D-DI-MAXI-KC-A 192463 FESTO - Блок подготовки воздуха, G3/4, 12 бар, 40 мкм, авт. конд.-отвод
    461 522
    Фотография может отличаться от реального товара

    LFR-3/4-D-DI-MAXI-KC-A 192463 FESTO - Блок подготовки воздуха, G3/4, 12 бар, 40 мкм, авт. конд.-отвод

    17410
    Доставка в Алматы Изменить
    Регулировка давления, верхний предел: 12бар • Степень фильтрации: 40 мкм • Отвод конденсата: автоматический (поплавковый) • Стандартный номинальный расход: 5400л/мин • Типоразмер: MAXI • Подключение: G3/4 • Материал корпуса: цинк
    +
    Отложить
    Преимущества
    Бесплатные консультации и техподдержка
    Подбор аналогов из наличия
    Быстрая обработка заявки
    Индивидуальный подход
    Лучшие цены и сроки
    Оплата
    Доставка
    • Все о товаре
    • Описание
    • Характеристики
    • Документация

    Описание LFR-3/4-D-DI-MAXI-KC-A 192463

    Регулировка давления, верхний предел: 12бар • Степень фильтрации: 40 мкм • Отвод конденсата: автоматический (поплавковый) • Стандартный номинальный расход: 5400л/мин • Типоразмер: MAXI • Подключение: G3/4 • Материал корпуса: цинк

    Автор

    Ответственный редактор / Инженер

    Директор «Би Энд Би Инжиниринг»
    «Описание товара LFR-3/4-D-DI-MAXI-KC-A 192463 FESTO - Блок подготовки воздуха, G3/4, 12 бар, 40 мкм, авт. конд.-отвод на этой странице составлено на основе нашего 10-летнего опыта работы в сфере пневматического оборудования, запорной арматуры и промышленной автоматизации. Если у вас есть вопросы или комментарии — напишите мне лично».

    Характеристики LFR-3/4-D-DI-MAXI-KC-A 192463

    Характеристики устройств подготовки воздуха
    Регулировка давления, верхний предел
    12 бар
    Регулировка давления, нижний предел
    0.5 бар
    Степень фильтрации
    40 мкм
    Отвод конденсата
    автоматический (поплавковый)
    Макс. объем конденсата
    43 мл
    Фиксация регулировки
    • поворотная рукоятка с фиксацией
    Расходные характеристики
    Стандартный номинальный расход
    5400 л/мин
    Общие характеристики
    Типоразмер
    MAXI
    Тип конструкции
    модульный БПВ
    Комплектация/опции
    Манометр
    с манометром
    Фильтр-регулятор
    есть, с манометром
    Отсечной клапан ручной
    есть
    Кронштейн
    есть
    Массо-габаритные и монтажные характеристики
    Подключение
    G3/4
    Монтаж
    • линейный монтаж
    • с помощью принадлежностей
    Масса
    2600 г
    Условия эксплуатации
    Рабочая среда
    • инертные газы
    • сжатый воздух в соответствии с ISO 8573-1:2010 [-:-:-]
    Чистота воздуха/газа на выходе
    • в соответствии с ISO 8573-1:2010 [6:8:4]
    Рабочее давление
    • 2 ÷ 12 бар
    Рабочая температура
    • -10 ÷ 60 °C
    Монтажное положение
    • вертикально ± 5°
    Материалы
    Основной материал
    цинк
    Корпус
    цинк
    Стакан
    • поликарбонат (PC)
    Кожух стакана
    • металл
    Дополнительные характеристики
    Совместимость
    • FESTO MAXI
    Идентификационные данные
    Производитель
    FESTO
    Артикул
    192463
    Маркировка
    LFR-3/4-D-DI-MAXI-KC-A
    GTIN
    4052568151997
    Ед. изм.
    шт.
    Наличие в магазинах
    Магазин и адрес
    Режим работы
    Телефон
    Доступность
    Склад Алматы
    г. Алматы, ул. Казыбаева, 3/3, пом. 11
    Пн.-Пт. 10:00-17:00
    +7(776)990-55-56
    Нет в наличии
    Отзывы

    Отзывы не найдены

    Как только цена на товар снизится, вы сразу об этом узнаете
    Следить за снижением цены

    Цена пока не менялась. Как только она изменится, мы покажем график

    Возможно, вас это заинтересует
     
    • Похожие товары
    • Недавно смотрели