Пневматика и
автоматизация

  • Пн - Пт
  • 9:00 - 18:00
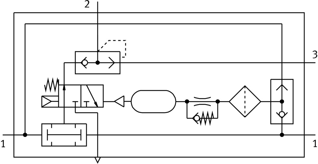
  • ZSB-1/8-B 576656 FESTO - Блок управления двумя руками, G1/8, 50 л/мин
    740 382
    Фотография может отличаться от реального товара

    ZSB-1/8-B 576656 FESTO - Блок управления двумя руками, G1/8, 50 л/мин

    14669
    Доставка в Алматы Изменить
    Тип управления: пневматический • Стандартный номинальный расход: 50л/мин • Подключение: G1/8 • Материал корпуса: алюминий
    +
    Отложить
    Преимущества
    Бесплатные консультации и техподдержка
    Подбор аналогов из наличия
    Быстрая обработка заявки
    Индивидуальный подход
    Лучшие цены и сроки
    Оплата
    Доставка
    • Все о товаре
    • Описание
    • Характеристики
    • Документация

    Описание ZSB-1/8-B 576656

    Тип управления: пневматический • Стандартный номинальный расход: 50л/мин • Подключение: G1/8 • Материал корпуса: алюминий

    Автор

    Ответственный редактор / Инженер

    Директор «Би Энд Би Инжиниринг»
    «Описание товара ZSB-1/8-B 576656 FESTO - Блок управления двумя руками, G1/8, 50 л/мин на этой странице составлено на основе нашего 10-летнего опыта работы в сфере пневматического оборудования, запорной арматуры и промышленной автоматизации. Если у вас есть вопросы или комментарии — напишите мне лично».

    Характеристики ZSB-1/8-B 576656

    Характеристики клапанов
    Тип управления
    пневматический
    Расходные характеристики
    Стандартный номинальный расход
    50 л/мин
    Общие характеристики
    Условный проход
    • 4 мм
    Функция безопасности
    • двурукое управление
    Массо-габаритные и монтажные характеристики
    Подключение
    G1/8
    Монтаж
    • с внутренней резьбой
    • с помощью принадлежностей
    • сквозное отверстие
    Масса
    420 г
    Условия эксплуатации
    Рабочая среда
    • сжатый воздух в соответствии с ISO 8573-1:2010 [7:4:4]
    Примечание по рабочей среде
    • возможна работа со смазкой (впоследствии требуется постоянная смазка)
    Рабочее давление
    • 4 ÷ 8 бар
    Рабочая температура
    • 0 ÷ 60 °C
    Монтажное положение
    • любое
    Материалы
    Основной материал
    алюминий
    Корпус
    алюминий
    Уплотнения
    бутадиен-нитрильный каучук (NBR)
    Идентификационные данные
    Производитель
    FESTO
    Артикул
    576656
    Маркировка
    ZSB-1/8-B
    GTIN
    4052568225407
    Ед. изм.
    шт.
    Наличие в магазинах
    Магазин и адрес
    Режим работы
    Телефон
    Доступность
    Склад Алматы
    г. Алматы, ул. Казыбаева, 3/3, пом. 11
    Пн.-Пт. 10:00-17:00
    +7(776)990-55-56
    Нет в наличии
    Отзывы

    Отзывы не найдены

    История изменения цен

    Цена пока не менялась. Как только она изменится, мы покажем график

    Возможно, вас это заинтересует
     
    • Похожие товары
    • Недавно смотрели