Пневматика и
автоматизация

  • Пн - Пт
  • 9:00 - 18:00
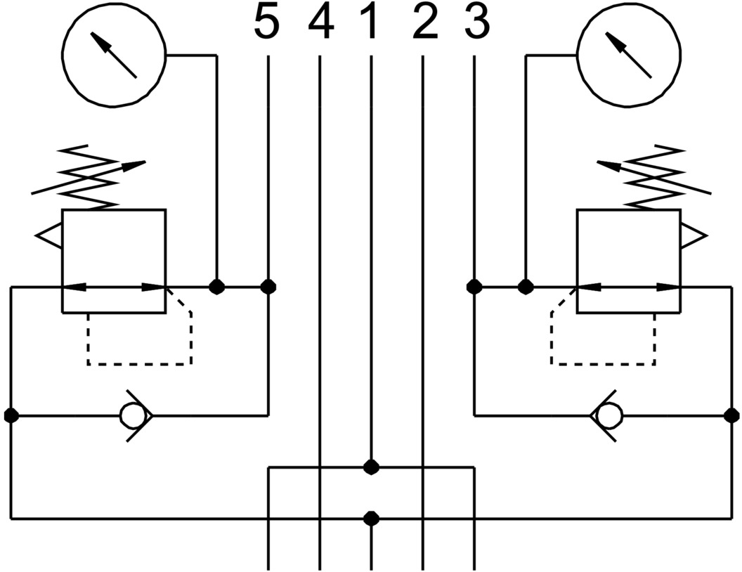
  • VABF-S1-2-R5C2-C-10 555766 FESTO - Блочный регулятор, ISO 5599, ISO 2
    329 751
    Фотография может отличаться от реального товара

    VABF-S1-2-R5C2-C-10 555766 FESTO - Блочный регулятор, ISO 5599, ISO 2

    14863
    Доставка в Алматы Изменить
    Регулировка давления, верхний предел: 10бар • Типоразмер: ISO 2 • Стандарт: ISO 5599-1 • Класс защиты: IP65, NEMA 4 • Материал корпуса: алюминий
    +
    Отложить
    Преимущества
    Бесплатные консультации и техподдержка
    Подбор аналогов из наличия
    Быстрая обработка заявки
    Индивидуальный подход
    Лучшие цены и сроки
    Оплата
    Доставка
    • Все о товаре
    • Описание
    • Характеристики
    • Документация

    Описание VABF-S1-2-R5C2-C-10 555766

    Регулировка давления, верхний предел: 10бар • Типоразмер: ISO 2 • Стандарт: ISO 5599-1 • Класс защиты: IP65, NEMA 4 • Материал корпуса: алюминий

    Автор

    Ответственный редактор / Инженер

    Директор «Би Энд Би Инжиниринг»
    «Описание товара VABF-S1-2-R5C2-C-10 555766 FESTO - Блочный регулятор, ISO 5599, ISO 2 на этой странице составлено на основе нашего 10-летнего опыта работы в сфере пневматического оборудования, запорной арматуры и промышленной автоматизации. Если у вас есть вопросы или комментарии — напишите мне лично».

    Характеристики VABF-S1-2-R5C2-C-10 555766

    Характеристики устройств подготовки воздуха
    Регулировка давления, верхний предел
    10 бар
    Регулировка давления, нижний предел
    0.5 бар
    Общие характеристики
    Типоразмер
    ISO 2
    Стандарт
    • ISO 5599-1
    Массо-габаритные и монтажные характеристики
    Присоединение манометра
    • с удерживающим зажимом
    Ширина
    54 мм
    Масса
    1990 г
    Условия эксплуатации
    Рабочая среда
    • сжатый воздух в соответствии с ISO 8573-1:2010 [7:4:4]
    Примечание по рабочей среде
    • возможна работа со смазкой (впоследствии требуется постоянная смазка)
    Входное давление
    • 0.5 ÷ 10 бар
    Рабочая температура
    • -5 ÷ 50 °C
    Класс защиты
    • IP65
    • NEMA 4
    Монтажное положение
    • любое
    Материалы
    Основной материал
    алюминий
    Корпус
    алюминий
    Панель управления
    • PA
    Идентификационные данные
    Производитель
    FESTO
    Артикул
    555766
    Маркировка
    VABF-S1-2-R5C2-C-10
    GTIN
    4052568199920
    Ед. изм.
    шт.
    Наличие в магазинах
    Магазин и адрес
    Режим работы
    Телефон
    Доступность
    Склад Алматы
    г. Алматы, ул. Казыбаева, 3/3, пом. 11
    Пн.-Пт. 10:00-17:00
    +7(776)990-55-56
    Нет в наличии
    Отзывы

    Отзывы не найдены

    Как только цена на товар снизится, вы сразу об этом узнаете
    Следить за снижением цены

    Цена пока не менялась. Как только она изменится, мы покажем график

    Возможно, вас это заинтересует
     
    • Похожие товары
    • Недавно смотрели