Пневматика и
автоматизация

  • Пн - Пт
  • 9:00 - 18:00
  • Фотография может отличаться от реального товара

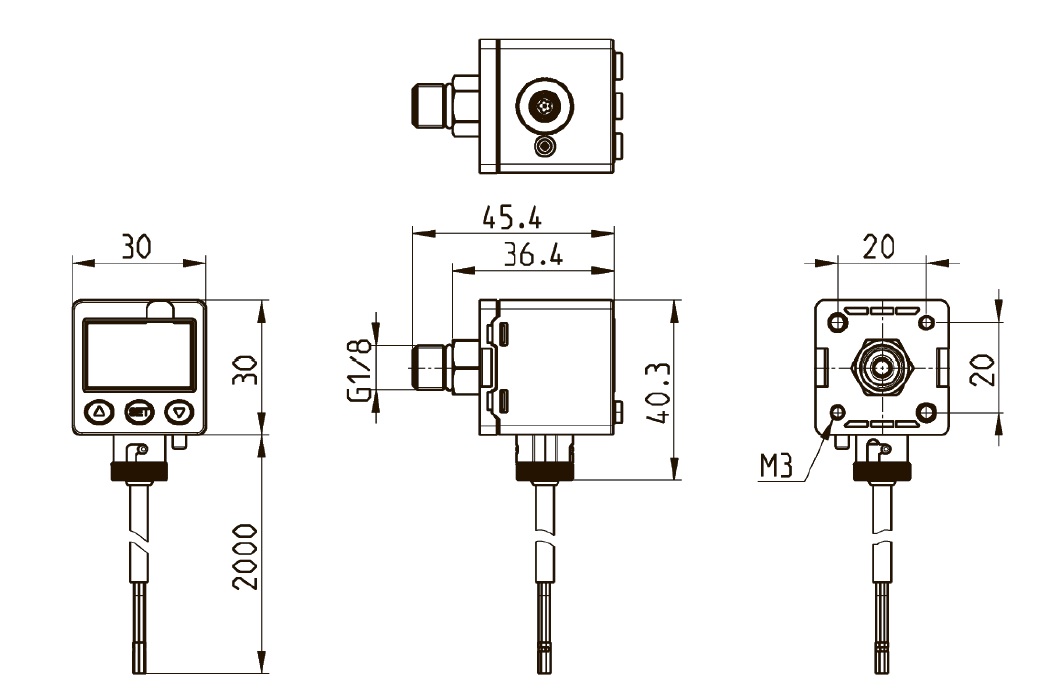
    SWCN-P10-P6-2 CAMOZZI - Датчик давления 0÷10 бар, 2xНО/НЗ PNP, 4-20 мА, G1/8, с каб. 5-пров. 2 м

    245698
    Дискретный выход: НО/НЗ, PNP • Диапазон измерения: 0 ÷ 10 бар • Электрическое подключение: кабель • Длина кабеля: 2м • Подключение: G1/8 • Класс защиты: IP65 • Рабочее напряжение: 12 ÷ 24 V DC • Материал корпуса: поликарбонат (PC)
    Преимущества
    Бесплатные консультации и техподдержка
    Подбор аналогов из наличия
    Быстрая обработка заявки
    Индивидуальный подход
    Лучшие цены и сроки
    Оплата
    Доставка
    • Все о товаре
    • Описание
    • Характеристики
    • Документация

    Описание SWCN-P10-P6-2

    С цифровым дисплеем. Прецизионная настройка, удобство и простота использования.

    Устройство имеет 2 отдельных выхода PNP, на каждом из которых есть возможность выставить порог срабатывания и гистерезис или использовать в режиме двухпорогового компаратора. Программная перенастройка позволяет использовать выходы в функции Н.З. или Н.Р. контакта.

    НАЗНАЧЕНИЕ:

    • универсальные электронные реле вакуума/давления используются в системах безопасности, для оптимизации времени цикла или в устройствах энергосбережения;
    • могут быть установлены непосредственно на захватах манипуляторов;
    • установка предельного значения вакуума, постоянный контроль за установленным значением;
    • оптимизированы под требования большинства применений.

    Преимущества:

    • Малые размеры и вес
    • Цифровой индикатор: высокоточная электронная схема с двумя независимыми дискретными выходами
    • Настройка давления срабатывания и гистерезиса с клавиатуры
    • Два программируемых выхода PNP для установки верхнего и нижнего предельных значений
    • Функция датчика давления вакуума для исполнения с аналоговым выходом

    Автор

    Ответственный редактор / Инженер

    Директор «Би Энд Би Инжиниринг»
    «Описание товара SWCN-P10-P6-2 CAMOZZI - Датчик давления 0÷10 бар, 2xНО/НЗ PNP, 4-20 мА, G1/8, с каб. 5-пров. 2 м на этой странице составлено на основе нашего 10-летнего опыта работы в сфере пневматического оборудования, запорной арматуры и промышленной автоматизации. Если у вас есть вопросы или комментарии — напишите мне лично».

    Характеристики SWCN-P10-P6-2

    Характеристики входов/выходов
    Дискретные выходы, количество
    2
    Дискретный выход
    НО/НЗ, PNP
    Аналоговый выход
    4 ÷ 20 мА
    Характеристики средств измерений
    Диапазон измерения
    0 ÷ 10 бар
    Измеряемая величина
    • избыточное давление
    Функция переключения
    • компаратор порогового значения
    • режим гистерезиса
    Общие характеристики
    Повторяемость
    • 0.2 %FS
    Точность
    • 2% F.S. ± 1 знак
    Дисплей
    • 3 ½ символьный (частота выборки 5 раз/с)
    • 7-символьный светодиодный дисплей
    • дисплей с клавиатурой для настройки
    Индикация состояния
    • зеленый светодиод
    • красный светодиод
    Массо-габаритные и монтажные характеристики
    Электрическое подключение
    кабель
    Количество проводов в кабеле
    • 5
    Длина кабеля
    2 м
    Подключение
    G1/8
    Масса
    86 г
    Условия эксплуатации
    Рабочая среда
    • инертные газы
    • сжатый воздух
    Рабочая температура
    • 0 ÷ 50 °C
    Класс защиты
    • IP65
    Защита от короткого замыкания
    • да
    Макс. выходной ток
    • 125 мА
    Рабочее напряжение
    12 ÷ 24 V DC
    Материалы
    Основной материал
    пластик
    Корпус
    поликарбонат (PC)
    Дополнительные характеристики
    Единицы измерения
    • bar
    • kgf/cm²
    • kPa
    • MPa
    • psi
    Диапазон перегрузки
    • 15 bar
    Совместимость
    • CAMOZZI SWCN
    Идентификационные данные
    Производитель
    CAMOZZI
    Артикул
    SWCN-P10-P6-2
    Ед. изм.
    шт.
    Наличие в магазинах
    Магазин и адрес
    Режим работы
    Телефон
    Доступность
    Склад Алматы
    г. Алматы, ул. Казыбаева, 3/3, пом. 11
    Пн.-Пт. 10:00-17:00
    +7(776)990-55-56
    Нет в наличии
    Отзывы

    Отзывы не найдены

    История изменения цен

    Цена пока не менялась. Как только она изменится, мы покажем график

    Возможно, вас это заинтересует
     
    • Похожие товары
    • Недавно смотрели