Пневматика и
автоматизация

  • Пн - Пт
  • 9:00 - 18:00
  • SPAW-P16R-G12M-2N-M12 8022772 FESTO - Реле давления 0÷16 бар, 2xНО/НЗ NPN, G1/2, M12
    254 808
    Фотография может отличаться от реального товара

    SPAW-P16R-G12M-2N-M12 8022772 FESTO - Реле давления 0÷16 бар, 2xНО/НЗ NPN, G1/2, M12

    24721
    Доставка в Алматы Изменить
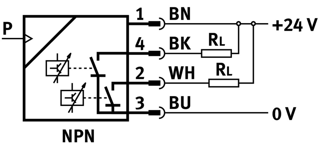
    Дискретный выход: НО/НЗ, NPN • Диапазон измерения: 0 ÷ 16 бар • Стандарт: EN 60947-5-2 • Электрическое подключение: разъём M12x1 4-пин • Подключение: G1/2 • Класс защиты: IP65, IP67 • Рабочее напряжение: 15 ÷ 35 V DC • Материал корпуса: сталь нержавеющая;АБС-пластик
    +
    Отложить
    Преимущества
    Бесплатные консультации и техподдержка
    Подбор аналогов из наличия
    Быстрая обработка заявки
    Индивидуальный подход
    Лучшие цены и сроки
    Оплата
    Доставка
    • Все о товаре
    • Описание
    • Характеристики
    • Документация

    Описание SPAW-P16R-G12M-2N-M12 8022772

    Дискретный выход: НО/НЗ, NPN • Диапазон измерения: 0 ÷ 16 бар • Стандарт: EN 60947-5-2 • Электрическое подключение: разъём M12x1 4-пин • Подключение: G1/2 • Класс защиты: IP65, IP67 • Рабочее напряжение: 15 ÷ 35 V DC • Материал корпуса: сталь нержавеющая;АБС-пластик

    Автор

    Ответственный редактор / Инженер

    Директор «Би Энд Би Инжиниринг»
    «Описание товара SPAW-P16R-G12M-2N-M12 8022772 FESTO - Реле давления 0÷16 бар, 2xНО/НЗ NPN, G1/2, M12 на этой странице составлено на основе нашего 10-летнего опыта работы в сфере пневматического оборудования, запорной арматуры и промышленной автоматизации. Если у вас есть вопросы или комментарии — напишите мне лично».

    Характеристики SPAW-P16R-G12M-2N-M12 8022772

    Характеристики входов/выходов
    Дискретные выходы, количество
    2
    Дискретный выход
    НО/НЗ, NPN
    Характеристики средств измерений
    Диапазон измерения
    0 ÷ 16 бар
    Измеряемая величина
    • избыточное давление
    Функция переключения
    • свободно программируемый
    Тип датчика
    • датчик давления с тонкой металлической мембраной
    Общие характеристики
    Стандарт
    • EN 60947-5-2
    Гистерезис
    • 0.5 ÷ 99.5 %
    Повторяемость
    • 0.15 %FS
    Точность
    • 1 %FS
    Дисплей
    • 4-символьный
    • светодиодная индикация
    Индикация состояния
    • красный светодиод
    Массо-габаритные и монтажные характеристики
    Электрическое подключение
    разъём M12x1 4-пин
    Подключение
    G1/2
    Монтаж
    • с наружной резьбой
    Масса
    230 г
    Условия эксплуатации
    Рабочая среда
    • инертные газы
    • сжатый воздух
    Рабочая температура
    • -20 ÷ 85 °C
    Класс защиты
    • IP65
    • IP67
    Монтажное положение
    • любое
    Защита от короткого замыкания
    • да
    Защита от смены полярности
    • для рабочего напряжения
    Макс. выходной ток
    • 250 мА
    Рабочее напряжение
    15 ÷ 35 V DC
    Материалы
    Корпус
    сталь нержавеющая;АБС-пластик
    Замечания по материалу
    • содержит PWIS вещества
    Уплотнительное кольцо
    бутадиен-нитрильный каучук (NBR)
    Материалы в контакте со средой
    • Легированная сталь, нержавеющая
    Дополнительные характеристики
    Единицы измерения
    • bar
    • kg/cm²
    • kPa
    • MPa
    • psi
    Диапазон перегрузки
    • 32 bar
    Защита от несанкционированной перенастройки
    • PIN-Code
    Настройка/регулировка
    • через дисплей и кнопки
    Идентификационные данные
    Производитель
    FESTO
    Артикул
    8022772
    Маркировка
    SPAW-P16R-G12M-2N-M12
    GTIN
    4052568257736
    Ед. изм.
    шт.
    Наличие в магазинах
    Магазин и адрес
    Режим работы
    Телефон
    Доступность
    Склад Алматы
    г. Алматы, ул. Казыбаева, 3/3, пом. 11
    Пн.-Пт. 10:00-17:00
    +7(776)990-55-56
    Нет в наличии
    Отзывы

    Отзывы не найдены

    История изменения цен

    Цена пока не менялась. Как только она изменится, мы покажем график

    Возможно, вас это заинтересует
     
    • Похожие товары
    • Недавно смотрели