Пневматика и
автоматизация

  • Пн - Пт
  • 9:00 - 18:00
  • SOE4-FO-D-HF2-1PU-K 552801 FESTO - Оптический датчик оптоволоконный блок, НО/НЗ, PNP
    198 934
    Фотография может отличаться от реального товара

    SOE4-FO-D-HF2-1PU-K 552801 FESTO - Оптический датчик оптоволоконный блок, НО/НЗ, PNP

    25189
    Доставка в Алматы Изменить
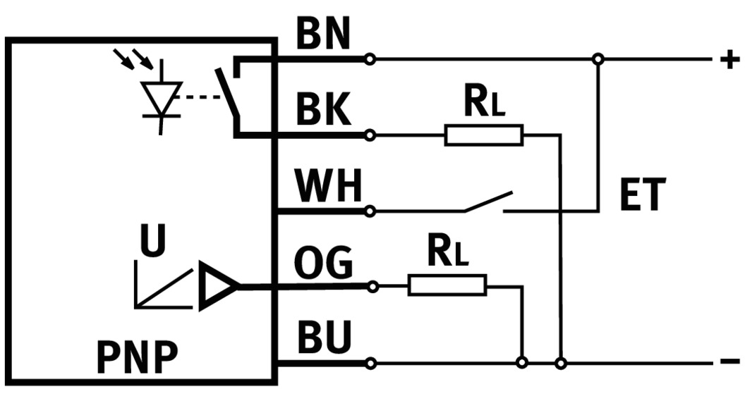
    Дискретный выход: НО/НЗ, PNP • Принцип измерения: оптоэлектронный • Стандарт: EN 60947-5-2 • Электрическое подключение: кабель • Длина кабеля: 2м • Класс защиты: IP64 • Рабочее напряжение: 10 ÷ 30 V DC • Материал корпуса: АБС-пластик
    +
    Отложить
    Преимущества
    Бесплатные консультации и техподдержка
    Подбор аналогов из наличия
    Быстрая обработка заявки
    Индивидуальный подход
    Лучшие цены и сроки
    Оплата
    Доставка
    • Все о товаре
    • Описание
    • Характеристики
    • Документация

    Описание SOE4-FO-D-HF2-1PU-K 552801

    Дискретный выход: НО/НЗ, PNP • Принцип измерения: оптоэлектронный • Стандарт: EN 60947-5-2 • Электрическое подключение: кабель • Длина кабеля: 2м • Класс защиты: IP64 • Рабочее напряжение: 10 ÷ 30 V DC • Материал корпуса: АБС-пластик

    Автор

    Ответственный редактор / Инженер

    Директор «Би Энд Би Инжиниринг»
    «Описание товара SOE4-FO-D-HF2-1PU-K 552801 FESTO - Оптический датчик оптоволоконный блок, НО/НЗ, PNP на этой странице составлено на основе нашего 10-летнего опыта работы в сфере пневматического оборудования, запорной арматуры и промышленной автоматизации. Если у вас есть вопросы или комментарии — напишите мне лично».

    Характеристики SOE4-FO-D-HF2-1PU-K 552801

    Характеристики входов/выходов
    Дискретный выход
    НО/НЗ, PNP
    Аналоговый выход
    0 ÷ 10 В
    Характеристики средств измерений
    Измеряемая величина
    • позиция
    Тип датчика
    • оптоволоконный блок
    Принцип измерения
    оптоэлектронный
    Общие характеристики
    Тип конструкции
    прямоугольный
    Стандарт
    • EN 60947-5-2
    Дисплей
    • LED
    Тип излучателя
    • красный
    Индикация состояния
    • жёлтый светодиод
    Массо-габаритные и монтажные характеристики
    Электрическое подключение
    кабель
    Количество проводов в кабеле
    • 5
    Длина кабеля
    2 м
    Монтаж
    • с верхней рейкой
    • сквозное отверстие
    Масса
    58 г
    Условия эксплуатации
    Макс. потребление тока
    • 25 мА
    Рабочая температура
    • -5 ÷ 60 °C
    Класс защиты
    • IP64
    Макс. частота переключения
    • Стандартный режим 1000 Гц
    Монтажное положение
    • любое
    Защита от короткого замыкания
    • пульсирующий
    Защита от смены полярности
    • для подключения всех рабочих напряжений
    Макс. выходной ток
    • 100 мА
    Остаточная пульсация
    • 0.1
    Падение напряжения
    • 2.4 В
    Рабочее напряжение
    10 ÷ 30 V DC
    Материалы
    Основной материал
    пластик
    Корпус
    АБС-пластик
    Замечания по материалу
    • не содержит медь и тефлон
    Оплетка/изоляция
    • TPE-U(PUR)
    Дополнительные характеристики
    Напряжение изоляции
    • 50 В
    Настройка/регулировка
    • самообучение через электрическое подключение
    • функция обучения
    Идентификационные данные
    Производитель
    FESTO
    Артикул
    552801
    Маркировка
    SOE4-FO-D-HF2-1PU-K
    GTIN
    4052568194567
    Ед. изм.
    шт.
    Наличие в магазинах
    Магазин и адрес
    Режим работы
    Телефон
    Доступность
    Склад Алматы
    г. Алматы, ул. Казыбаева, 3/3, пом. 11
    Пн.-Пт. 10:00-17:00
    +7(776)990-55-56
    Нет в наличии
    Отзывы

    Отзывы не найдены

    История изменения цен

    Цена пока не менялась. Как только она изменится, мы покажем график

    Возможно, вас это заинтересует
     
    • Похожие товары
    • Недавно смотрели