Пневматика и
автоматизация

  • Пн - Пт
  • 9:00 - 18:00
  • Фотография может отличаться от реального товара

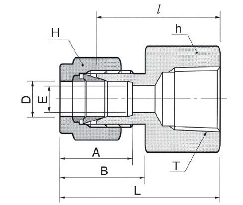
    DCF2-2R-SA - Штуцер прямой с внутр. резьбой обжимной R1/8-1/8", нерж.

    260115
    Форма фитинга: штуцер прямой с внутр. резьбой • Подключение: R1/8-1/8″ • Материал корпуса: сталь нержавеющая AISI 316
    Преимущества
    Бесплатные консультации и техподдержка
    Подбор аналогов из наличия
    Быстрая обработка заявки
    Индивидуальный подход
    Лучшие цены и сроки
    Оплата
    Доставка
    • Все о товаре
    • Описание
    • Характеристики

    Описание DCF2-2R-SA

    Назначение и принцип работы

    Обжимной штуцер прямой с внутренней резьбой R1/8–1/8″ предназначен для соединения трубок диаметром 1/8″ (≈3,18 мм) с резьбовыми каналами R1/8 (BSPT) в системах измерения, управления и транспорта сред. Конструкция с двумя обжимными кольцами и гайкой обеспечивает герметичное уплотнение трубки без пайки: при затяжке гайки первичный (задний) кольцо центрирует и фиксирует трубку, вторичное (переднее) формирует уплотнение по наружному диаметру. Резьба уплотняется ФУМ-лентой, что обеспечивает газо- и жидкостонепроницаемость при рабочих давлениях до типичных значений для инструментальных систем (порядка тысяч psi — в зависимости от толщины стенки трубки; ориентировочно до 6000 psi ≈ 414 bar при корректной установке) и температурах приблизительно от −60 °C до +200 °C в зависимости от уплотнений и среды.

    Ключевые особенности конструкции

    Корпус и все контактные детали выполнены из нержавеющей стали AISI 316, что обеспечивает коррозионную стойкость в агрессивных средах, совместимость с водой, гидравлическими и газовыми средами, кислотами с учетом концентрации и температуры. Тип конструкции — двухкомпонентный обжим (две ферьулы + гайка) — предотвращает прокусывание и обеспечивает повторную сборку при необходимости. Резьба R1/8 уплотняется ФУМ-лентой; для трубки указан внешний диаметр 1/8″. Диапазон рабочих давлений и температур зависит от материала трубки и стенки; используйте трубки из нержавеющей стали рекомендованного класса и соблюдайте паспортные данные системы.

    Экспертные рекомендации по применению

    Перед монтажом нарежьте трубку перпендикулярно, удалите заусенцы и проверьте чистоту. При сборке вставьте трубку до упора в седло, затяните гайку вручную и доведите момент до рекомендованного производителем (при отсутствии данных — небольшим дополнительным поворотом ключа; не допускайте чрезмерной затяжки, чтобы не деформировать ферьулы). Используйте ФУМ-ленту на резьбе R1/8 и проверяйте герметичность при рабочем давлении. Избегайте применения с сильно абразивными средами без защиты и с превышением температурного лимита уплотнений. При серийном монтаже ведите учёт количества оборотов/моментов для одинаковости сборки и планируйте контроль натяжения после гидростатических испытаний.

    Автор

    Ответственный редактор / Инженер

    Директор «Би Энд Би Инжиниринг»
    «Описание товара DCF2-2R-SA - Штуцер прямой с внутр. резьбой обжимной R1/8-1/8", нерж. на этой странице составлено на основе нашего 10-летнего опыта работы в сфере пневматического оборудования, запорной арматуры и промышленной автоматизации. Если у вас есть вопросы или комментарии — напишите мне лично».

    Характеристики DCF2-2R-SA

    Характеристики фитингов
    Форма фитинга
    штуцер прямой с внутр. резьбой
    Тип уплотнения резьбового соединения
    • ФУМ-лента
    Общие характеристики
    Тип конструкции
    обжим трубки с помощью двух обжимных колец и гайки
    Массо-габаритные и монтажные характеристики
    Подключение
    R1/8-1/8″
    Подключение, канал 1
    • R1/8
    Подключение, канал 2
    • 1/8″ (трубка)
    Материалы
    Основной материал
    сталь нержавеющая
    Корпус
    сталь нержавеющая AISI 316
    Идентификационные данные
    Производитель
    DKL
    Артикул
    DCF2-2R-SA
    Ед. изм.
    шт.
    Наличие в магазинах
    Магазин и адрес
    Режим работы
    Телефон
    Доступность
    Склад Алматы
    г. Алматы, ул. Казыбаева, 3/3, пом. 11
    Пн.-Пт. 10:00-17:00
    +7(776)990-55-56
    Нет в наличии
    Отзывы

    Отзывы не найдены

    Как только цена на товар снизится, вы сразу об этом узнаете
    Следить за снижением цены

    Цена пока не менялась. Как только она изменится, мы покажем график

    Возможно, вас это заинтересует
     
    • Похожие товары
    • Недавно смотрели