Пневматика и
автоматизация

  • Пн - Пт
  • 9:00 - 18:00
  • Фотография может отличаться от реального товара

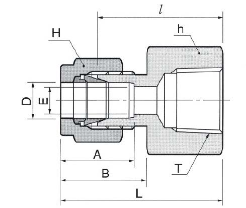
    DCF4-6R-SA - Штуцер прямой с внутр. резьбой обжимной R3/8-1/4", нерж.

    260118
    Форма фитинга: штуцер прямой с внутр. резьбой • Подключение: R3/8-1/4″ • Материал корпуса: сталь нержавеющая AISI 316
    Преимущества
    Бесплатные консультации и техподдержка
    Подбор аналогов из наличия
    Быстрая обработка заявки
    Индивидуальный подход
    Лучшие цены и сроки
    Оплата
    Доставка
    • Все о товаре
    • Описание
    • Характеристики

    Описание DCF4-6R-SA

    Назначение и принцип работы

    Штуцер прямой с внутренней резьбой DCF4-6R-SA предназначен для подсоединения R3/8 (резьба BSP/G) к трубке 1/4" в системах контрольно-измерительных приборов, гидравлики и технологических магистралей. Принцип работы основан на обжимном соединении: трубка фиксируется двухколечным обжимным узлом под гайкой, резьбовое соединение уплотняется ФУМ-лентой. Решает задачи герметичного присоединения тонкостенных трубок из нержавеющей стали AISI 316 при рабочих давлениях типично до ~400 бар (в зависимости от диаметра и условий) и в температурном диапазоне приблизительно от −60 до +200 °C.

    Ключевые особенности конструкции

    Конструкция — обжим двух обжимных колец и гайки (двухфланцевый тип), корпус и обжимные элементы выполнены из нержавеющей стали AISI 316, что обеспечивает коррозионную стойкость в агрессивных средах. Резьбовое уплотнение — ФУМ-лента, канал 1 — внутренняя резьба R3/8, канал 2 — трубка 1/4". Применим для воды, масел, газов и химически агрессивных сред, совместим с обычными гидравлическими жидкостями. Диапазоны давления и температуры зависят от размера трубки и условий монтажа; для гарантии рекомендуются паспортные значения производителя и испытание гидро- или пневмопрочности после монтажа.

    Экспертные рекомендации по применению

    Перед монтажом обеспечить правильный диаметр и отсутствие фасок/заусенцев на трубке 1/4". Намотать ФУМ-ленту на резьбу R3/8, собрать до касания и затянуть по рекомендованной процедуре производителя (обычно довести гайку до упора и дополнительно 1–1,25 оборота; ориентироваться на таблицу моментов затяжки). Избегать перекоса трубки и повторных разборок без замены обжимных колец. Типичные ошибки: недостаточная подготовка конца трубки, чрезмерный момент — деформация кольца, недостаточная затяжка — течь. После установки выполнить опрессовку на рабочее давление и вести периодический контроль герметичности.

    Автор

    Ответственный редактор / Инженер

    Директор «Би Энд Би Инжиниринг»
    «Описание товара DCF4-6R-SA - Штуцер прямой с внутр. резьбой обжимной R3/8-1/4", нерж. на этой странице составлено на основе нашего 10-летнего опыта работы в сфере пневматического оборудования, запорной арматуры и промышленной автоматизации. Если у вас есть вопросы или комментарии — напишите мне лично».

    Характеристики DCF4-6R-SA

    Характеристики фитингов
    Форма фитинга
    штуцер прямой с внутр. резьбой
    Тип уплотнения резьбового соединения
    • ФУМ-лента
    Общие характеристики
    Тип конструкции
    обжим трубки с помощью двух обжимных колец и гайки
    Массо-габаритные и монтажные характеристики
    Подключение
    R3/8-1/4″
    Подключение, канал 1
    • R3/8
    Подключение, канал 2
    • 1/4″ (трубка)
    Материалы
    Основной материал
    сталь нержавеющая
    Корпус
    сталь нержавеющая AISI 316
    Идентификационные данные
    Производитель
    DKL
    Артикул
    DCF4-6R-SA
    Ед. изм.
    шт.
    Наличие в магазинах
    Магазин и адрес
    Режим работы
    Телефон
    Доступность
    Склад Алматы
    г. Алматы, ул. Казыбаева, 3/3, пом. 11
    Пн.-Пт. 10:00-17:00
    +7(776)990-55-56
    Нет в наличии
    Отзывы

    Отзывы не найдены

    Как только цена на товар снизится, вы сразу об этом узнаете
    Следить за снижением цены

    Цена пока не менялась. Как только она изменится, мы покажем график

    Возможно, вас это заинтересует
     
    • Похожие товары
    • Недавно смотрели