Пневматика и
автоматизация

  • Пн - Пт
  • 9:00 - 18:00
  • Фотография может отличаться от реального товара

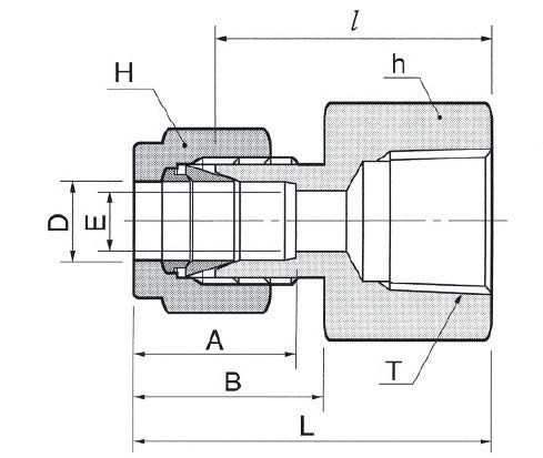
    DCF4-8R-SA - Штуцер прямой с внутр. резьбой обжимной R1/2-1/4", нерж.

    260119
    Форма фитинга: штуцер прямой с внутр. резьбой • Подключение: R1/2-1/4″ • Материал корпуса: сталь нержавеющая AISI 316
    Преимущества
    Бесплатные консультации и техподдержка
    Подбор аналогов из наличия
    Быстрая обработка заявки
    Индивидуальный подход
    Лучшие цены и сроки
    Оплата
    Доставка
    • Все о товаре
    • Описание
    • Характеристики

    Описание DCF4-8R-SA

    Назначение и принцип работы

    Обжимной штуцер прямой с внутренней резьбой R1/2 — 1/4" предназначен для герметичного присоединения трубки Ø6,35 мм (1/4") к резьбовому отводу в технологических линиях измерений и управления (КИПиА), в системах отбора проб, гидравлики и пневматики. Конструкция с двумя обжимными кольцами и гайкой обеспечивает металлическое уплотнение трубки методом осаждения передней и задней гильз (ferrules) — физически исключается контакт рабочей среды с резьбовым уплотнением, которое герметизируется ФУМ-лентой на внутренней резьбе R1/2. Применяется для переноса сред под давлением до ≈350 бар (в зависимости от толщины стенки трубки) и при температурах примерно от −60 до +200 °C при использовании стандартных уплотнений и материалов AISI 316.

    Ключевые особенности конструкции

    Корпус и элементы обжима выполнены из нержавеющей стали AISI 316, что даёт коррозионную стойкость к воде, маслам, газам и большинству химических сред. Уплотнение резьбы — ФУМ-лента; герметизация трубки — металлические обжимные кольца (двухколпачковая схема: передняя и задняя ferrule) и гайка. Тип подключения: канал 1 — внутренняя резьба R1/2, канал 2 — трубка 1/4". Конструкция рассчитана на высокое давление и циклические нагрузки; рабочая температура определяется типом герметика и трубки, типичные эксплуатационные границы −60…+200 °C. Рекомендуется использовать трубки с допуском OD 6,35 мм и соответствующей толщиной стенки для достижения заявленного давления.

    Экспертные рекомендации по применению

    Перед монтажом очистите торец трубки и убедитесь в правильной длине посадки. Для сборки: вставьте трубку до упора, затяните гайку вручную и затем примените ключ на 1–1,5 оборота после соприкосновения ferrule с корпусом (или по моменту, указанному в таблице производителя). Нанесите ФУМ-ленту на резьбу R1/2 по направлению завинчивания; избегайте избытка ленты внутри прохода. Типичные ошибки — неполная посадка трубки, перекос ferrule, перетяжка (повреждение резьбы и деформация уплотнения), использование неподходящей трубки по стенке. После монтажа проведите опрессовку и проверку на утечки при рабочем давлении; при агрессивных средах и высоких температурах используйте специзделия DK-Lok и согласуйте материалы уплотнений.

    Автор

    Ответственный редактор / Инженер

    Директор «Би Энд Би Инжиниринг»
    «Описание товара DCF4-8R-SA - Штуцер прямой с внутр. резьбой обжимной R1/2-1/4", нерж. на этой странице составлено на основе нашего 10-летнего опыта работы в сфере пневматического оборудования, запорной арматуры и промышленной автоматизации. Если у вас есть вопросы или комментарии — напишите мне лично».

    Характеристики DCF4-8R-SA

    Характеристики фитингов
    Форма фитинга
    штуцер прямой с внутр. резьбой
    Тип уплотнения резьбового соединения
    • ФУМ-лента
    Общие характеристики
    Тип конструкции
    обжим трубки с помощью двух обжимных колец и гайки
    Массо-габаритные и монтажные характеристики
    Подключение
    R1/2-1/4″
    Подключение, канал 1
    • R1/2
    Подключение, канал 2
    • 1/4″ (трубка)
    Материалы
    Основной материал
    сталь нержавеющая
    Корпус
    сталь нержавеющая AISI 316
    Идентификационные данные
    Производитель
    DKL
    Артикул
    DCF4-8R-SA
    Ед. изм.
    шт.
    Наличие в магазинах
    Магазин и адрес
    Режим работы
    Телефон
    Доступность
    Склад Алматы
    г. Алматы, ул. Казыбаева, 3/3, пом. 11
    Пн.-Пт. 10:00-17:00
    +7(776)990-55-56
    Нет в наличии
    Отзывы

    Отзывы не найдены

    Как только цена на товар снизится, вы сразу об этом узнаете
    Следить за снижением цены

    Цена пока не менялась. Как только она изменится, мы покажем график

    Возможно, вас это заинтересует
     
    • Похожие товары
    • Недавно смотрели