Пневматика и
автоматизация

  • Пн - Пт
  • 9:00 - 18:00
  • Фотография может отличаться от реального товара

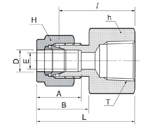
    DCF6-8R-SA - Штуцер прямой с внутр. резьбой обжимной R1/2-3/8", нерж.

    260122
    Форма фитинга: штуцер прямой с внутр. резьбой • Подключение: R1/2-3/8″ • Материал корпуса: сталь нержавеющая AISI 316
    Преимущества
    Бесплатные консультации и техподдержка
    Подбор аналогов из наличия
    Быстрая обработка заявки
    Индивидуальный подход
    Лучшие цены и сроки
    Оплата
    Доставка
    • Все о товаре
    • Описание
    • Характеристики

    Описание DCF6-8R-SA

    Назначение и принцип работы

    Прямой штуцер с внутренней резьбой для обжимного соединения служит для жесткого герметичного перехода с резьбового присоединения R1/2 на трубку 3/8" (9,525 мм). Применяется в системах приборного учета, гидравлике и газовой арматуре для подведения среды к контроллерам и исполнительным механизмам. Соединение реализует принцип двухконтурного обжима: при затяжке гайки две обжимные гильзы (фerrule) формуют металлическую герметизацию вокруг трубки, а резьба R1/2 с уплотнением ФУМ-лентой обеспечивает внешнее резьбовое уплотнение.

    Ключевые особенности конструкции

    Корпус и контактные элементы выполнены из нержавеющей стали AISI 316, что обеспечивает коррозионную стойкость и совместимость с агрессивными средами. Конструкция — два обжимных кольца и гайка по классической схеме DK-Lok, уплотнение резьбы — ФУМ-лента. Рабочие среды: вода, масла, инертные и технологические газы, легкие нефтепродукты. Тип резьбы R1/2 — конусная BSPT (ISO 7), трубное исполнение под 3/8" трубку. Рекомендуемый температурный диапазон эксплуатации: приблизительно от −196 °C до +260 °C; рабочее давление в типичных конфигурациях до ~6000 psi (≈414 бар) в зависимости от толщины трубки и условий монтажа.

    Экспертные рекомендации по применению

    Подбирайте штуцер с учётом OD трубки 3/8" и толщины стенки; используйте качественные трубки из тех же материалов. Торцевать трубку строго перпендикулярно, удалить заусенцы и при посадке полностью ввести до упора. При монтаже — намотать ФУМ-ленту только на резьбу R1/2, избегая попадания внутрь канала; затягивать от руки до упора, затем ключом 1–1,25 оборота (контролировать по методике производителя). Не реиспользовать обжимные кольца после демонтажа; избегать перекосов и чрезмерной перегрузки для предотвращения утечек и деформации.

    Автор

    Ответственный редактор / Инженер

    Директор «Би Энд Би Инжиниринг»
    «Описание товара DCF6-8R-SA - Штуцер прямой с внутр. резьбой обжимной R1/2-3/8", нерж. на этой странице составлено на основе нашего 10-летнего опыта работы в сфере пневматического оборудования, запорной арматуры и промышленной автоматизации. Если у вас есть вопросы или комментарии — напишите мне лично».

    Характеристики DCF6-8R-SA

    Характеристики фитингов
    Форма фитинга
    штуцер прямой с внутр. резьбой
    Тип уплотнения резьбового соединения
    • ФУМ-лента
    Общие характеристики
    Тип конструкции
    обжим трубки с помощью двух обжимных колец и гайки
    Массо-габаритные и монтажные характеристики
    Подключение
    R1/2-3/8″
    Подключение, канал 1
    • R1/2
    Подключение, канал 2
    • 3/8″ (трубка)
    Материалы
    Основной материал
    сталь нержавеющая
    Корпус
    сталь нержавеющая AISI 316
    Идентификационные данные
    Производитель
    DKL
    Артикул
    DCF6-8R-SA
    Ед. изм.
    шт.
    Наличие в магазинах
    Магазин и адрес
    Режим работы
    Телефон
    Доступность
    Склад Алматы
    г. Алматы, ул. Казыбаева, 3/3, пом. 11
    Пн.-Пт. 10:00-17:00
    +7(776)990-55-56
    Нет в наличии
    Отзывы

    Отзывы не найдены

    Как только цена на товар снизится, вы сразу об этом узнаете
    Следить за снижением цены

    Цена пока не менялась. Как только она изменится, мы покажем график

    Возможно, вас это заинтересует
     
    • Похожие товары
    • Недавно смотрели