Пневматика и
автоматизация

  • Пн - Пт
  • 9:00 - 18:00
  • Фотография может отличаться от реального товара

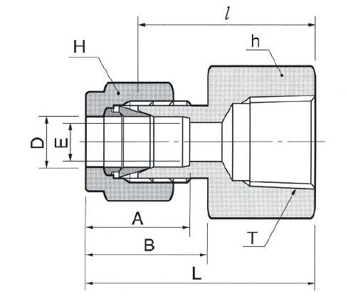
    DCF8-8R-SA - Штуцер прямой с внутр. резьбой обжимной R1/2-1/2", нерж.

    260126
    Форма фитинга: штуцер прямой с внутр. резьбой • Подключение: R1/2-1/2″ • Материал корпуса: сталь нержавеющая AISI 316
    Преимущества
    Бесплатные консультации и техподдержка
    Подбор аналогов из наличия
    Быстрая обработка заявки
    Индивидуальный подход
    Лучшие цены и сроки
    Оплата
    Доставка
    • Все о товаре
    • Описание
    • Характеристики

    Описание DCF8-8R-SA

    Назначение и принцип работы

    Обжимной штуцер прямой с внутренней резьбой DCF8-8R-SA предназначен для соединения трубных линий 1/2″ (12,7 мм) с резьбовыми штуцерами R1/2 в системах измерения и технологической автоматики. Работает по принципу двухобжимного соединения: при затяжке гайки два обжимных кольца формируют плотный металлометаллический уплотнительный контакт с трубкой, а резьбовое присоединение уплотняется ФУМ-лентой на конусной резьбе R1/2 (BSPT). Применяется в средах: теплоносители, индустриальные газы, гидравлические и пневматические линии, арматурные отводы высокого давления.

    Ключевые особенности конструкции

    Конструкция: обжим трубки с помощью двух обжимных колец и гайки; форма — штуцер прямой с внутр. резьбой. Корпус и все ключевые детали из нержавеющей стали AISI 316, материал обобщённо — сталь нержавеющая, обеспечивает коррозионную стойкость в агрессивных средах. Резьбовое уплотнение — ФУМ-лента; присоединения: R1/2-1/2″ (канал 1: R1/2, канал 2: 1/2″ трубка). Типичные рабочие давления зависят от толщины стенки трубки и режима, обычно до 414 бар (6000 psi) для стандартных инструментальных трубок; температурный диапазон эксплуатируемых сред примерно −60…+200 °C (при использовании PTFE на резьбе ориентироваться на пределы ФУМ).

    Экспертные рекомендации по применению

    Подбирайте по внешнему диаметру и толщине стенки трубки 1/2″; контролируйте соосность и отсутствие заусенцев — срез и фаска 15–30° обеспечивают надежный захват обжимных колец. При монтаже применяйте ФУМ-ленту на R1/2 и затягивайте гайку по таблице моментов/хода производителя (обычно 1–1,5 оборота после прижима, точное значение — по инструкции DK‑Lok). Избегайте многократного повторного использования обжимных колец и перетяжки — это типичные причины течей. Обеспечьте опоры трубопровода, минимизируйте осевые нагрузки и ударные воздействия для сохранения герметичности.

    Автор

    Ответственный редактор / Инженер

    Директор «Би Энд Би Инжиниринг»
    «Описание товара DCF8-8R-SA - Штуцер прямой с внутр. резьбой обжимной R1/2-1/2", нерж. на этой странице составлено на основе нашего 10-летнего опыта работы в сфере пневматического оборудования, запорной арматуры и промышленной автоматизации. Если у вас есть вопросы или комментарии — напишите мне лично».

    Характеристики DCF8-8R-SA

    Характеристики фитингов
    Форма фитинга
    штуцер прямой с внутр. резьбой
    Тип уплотнения резьбового соединения
    • ФУМ-лента
    Общие характеристики
    Тип конструкции
    обжим трубки с помощью двух обжимных колец и гайки
    Массо-габаритные и монтажные характеристики
    Подключение
    R1/2-1/2″
    Подключение, канал 1
    • R1/2
    Подключение, канал 2
    • 1/2″ (трубка)
    Материалы
    Основной материал
    сталь нержавеющая
    Корпус
    сталь нержавеющая AISI 316
    Идентификационные данные
    Производитель
    DKL
    Артикул
    DCF8-8R-SA
    Ед. изм.
    шт.
    Наличие в магазинах
    Магазин и адрес
    Режим работы
    Телефон
    Доступность
    Склад Алматы
    г. Алматы, ул. Казыбаева, 3/3, пом. 11
    Пн.-Пт. 10:00-17:00
    +7(776)990-55-56
    Нет в наличии
    Отзывы

    Отзывы не найдены

    Как только цена на товар снизится, вы сразу об этом узнаете
    Следить за снижением цены

    Цена пока не менялась. Как только она изменится, мы покажем график

    Возможно, вас это заинтересует
     
    • Похожие товары
    • Недавно смотрели