Пневматика и
автоматизация

  • Пн - Пт
  • 9:00 - 18:00
  • Фотография может отличаться от реального товара

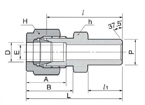
    DCW10M-4P-SA - Штуцер прямой под приварку встык обжимной 10 мм-1/4", нерж.

    260837
    Форма фитинга: штуцер прямой под приварку • Подключение: 10 мм (трубка)-1/4″ (под приварку встык) • Материал корпуса: сталь нержавеющая AISI 316
    Преимущества
    Бесплатные консультации и техподдержка
    Подбор аналогов из наличия
    Быстрая обработка заявки
    Индивидуальный подход
    Лучшие цены и сроки
    Оплата
    Доставка
    • Все о товаре
    • Описание
    • Характеристики

    Описание DCW10M-4P-SA

    Назначение и принцип работы

    Штуцер прямой под приварку DCW10M-4P-SA DK-Lok предназначен для присоединения тонкостенных измерительных и технологических трубок Ø10 мм к магистралям или аппаратуре с приварным патрубком 1/4". Решает задачи герметичного перехода от трубки к приварному соединению в системах гидравлики, пневматики, технических газов и контрольных линиях. Принцип работы основан на обжиме трубки двумя обжимными кольцами и гайкой: при затяжке кольца формируют металл-металлическое уплотнение вокруг трубки, а приварной торец обеспечивает постоянное соединение с ответной частью трубопровода. Тип уплотнения резьбы отсутствует.

    Ключевые особенности конструкции

    Корпус и торец для приварки изготовлены из нержавеющей стали AISI 316, обеспечивающей коррозионную стойкость и совместимость с агрессивными средами. Конструкция — двухкольцевой обжим с гайкой, без дополнительных резиновых уплотнителей (металл‑к‑металлу), что позволяет эксплуатировать узел при повышенных температурах. Типовое рабочее давление для семейства DK‑Lok такого типоразмера может достигать ~420 бар (6000 psi) в зависимости от толщины стенки трубки и режима; эксплуатационная температура ориентировочно от −50 °C до +400 °C в зависимости от наличия и типа уплотнительных материалов и условий сварки. Применимо для жидкостей и газов в автоматике и технологических системах.

    Экспертные рекомендации по применению

    Перед монтажом обеспечить чистоту торцов и соблюсти рекомендуемую глубину вставки трубки; кромки и заусенцы удалить. Приварной конец приваривать к ответной детали отдельно, контролируя нагрев зоны обжима и исключая попадание шлака внутрь канала. Затяжку гайки выполнять по таблице моментов DK‑Lok; при отсутствии данных — избегать чрезмерного момента и контролировать герметичность испытанием давлением. Типичные ошибки: сварка после установки обжимных элементов, недостаточная глубина вставки трубки, перегрев обжимной зоны при сварке и перетяжка гайки, ведущая к деформации трубки. Для агрессивных сред и водородных систем дополнительно согласовать материалы и требования по подготовке поверхности.

    Автор

    Ответственный редактор / Инженер

    Директор «Би Энд Би Инжиниринг»
    «Описание товара DCW10M-4P-SA - Штуцер прямой под приварку встык обжимной 10 мм-1/4", нерж. на этой странице составлено на основе нашего 10-летнего опыта работы в сфере пневматического оборудования, запорной арматуры и промышленной автоматизации. Если у вас есть вопросы или комментарии — напишите мне лично».

    Характеристики DCW10M-4P-SA

    Характеристики фитингов
    Форма фитинга
    штуцер прямой под приварку
    Тип уплотнения резьбового соединения
    • -
    Общие характеристики
    Тип конструкции
    обжим трубки с помощью двух обжимных колец и гайки
    Массо-габаритные и монтажные характеристики
    Подключение
    10 мм (трубка)-1/4″ (под приварку встык)
    Подключение, канал 1
    • 10 мм (трубка)
    Подключение, канал 2
    • 1/4″ (под приварку встык)
    Материалы
    Основной материал
    сталь нержавеющая
    Корпус
    сталь нержавеющая AISI 316
    Идентификационные данные
    Производитель
    DKL
    Артикул
    DCW10M-4P-SA
    Ед. изм.
    шт.
    Наличие в магазинах
    Магазин и адрес
    Режим работы
    Телефон
    Доступность
    Склад Алматы
    г. Алматы, ул. Казыбаева, 3/3, пом. 11
    Пн.-Пт. 10:00-17:00
    +7(776)990-55-56
    Нет в наличии
    Отзывы

    Отзывы не найдены

    Как только цена на товар снизится, вы сразу об этом узнаете
    Следить за снижением цены

    Цена пока не менялась. Как только она изменится, мы покажем график

    Возможно, вас это заинтересует
     
    • Похожие товары
    • Недавно смотрели