Пневматика и
автоматизация

  • Пн - Пт
  • 9:00 - 18:00
  • Фотография может отличаться от реального товара

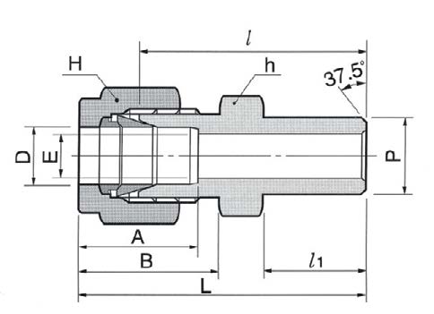
    DCW10M-8P-SA - Штуцер прямой под приварку встык обжимной 10 мм-1/2", нерж.

    260839
    Форма фитинга: штуцер прямой под приварку • Подключение: 10 мм (трубка)-1/2″ (под приварку встык) • Материал корпуса: сталь нержавеющая AISI 316
    Преимущества
    Бесплатные консультации и техподдержка
    Подбор аналогов из наличия
    Быстрая обработка заявки
    Индивидуальный подход
    Лучшие цены и сроки
    Оплата
    Доставка
    • Все о товаре
    • Описание
    • Характеристики

    Описание DCW10M-8P-SA

    Назначение и принцип работы

    Штуцер прямой под приварку DCW10M-8P-SA DK-Lok предназначен для перехода с метрической трубки Ø10 мм на линию с присоединением 1/2″ под приварку встык. Решает задачи герметичного присоединения приборных и технологических трубопроводов в системах КИПиА, аналитики, паровых и газовых линиях. Принцип работы — обжимное соединение трубки с помощью двух обжимных колец (фервул) и гайки на одном конце и стационарное сварное окончание 1/2″ на другом конце; уплотнение резьбы отсутствует, герметичность достигается механическим обжатием и качественной сваркой приварной части.

    Ключевые особенности конструкции

    Корпус и обжимные элементы изготовлены из нержавеющей стали AISI 316, обеспечивающей коррозионную стойкость и совместимость с агрессивными средами. Конструкция — двухфервульный обжим + гайка, без резьбовых уплотнений. Типичные эксплуатационные параметры для аналогичных изделий DK‑Lok: рабочее давление до ≈413 bar (6000 psi) в зависимости от толщины стенки трубки и условий, температурный диапазон примерно −54…+230 °C. Рекомендуется применение для жидкостей, газов, инертных и коррозионных сред; приварной конец обеспечивает долговременное неразъемное соединение.

    Экспертные рекомендации по применению

    Перед монтажом обеспечить правильную подготовку трубки: отрез, снятие фаски и очистка. Обжимать по моментам и процедурам производителя DK‑Lok, контролировать положение обеих фервул и отсутствие повреждений. Приварной конец сваривать квалифицированной сваркой встык с защитой зоны (back‑purge для нержавеющей стали). Исключить использование резьбовых герметиков на обжимном соединении; после сварки выполнить контроль неразрушающими методами и гидравлическое опрессование. При подборе учитывать толщину стенки трубки и рабочее давление, применять оригинальные комплектующие DK‑Lok для сохранения гарантийных характеристик.

    Автор

    Ответственный редактор / Инженер

    Директор «Би Энд Би Инжиниринг»
    «Описание товара DCW10M-8P-SA - Штуцер прямой под приварку встык обжимной 10 мм-1/2", нерж. на этой странице составлено на основе нашего 10-летнего опыта работы в сфере пневматического оборудования, запорной арматуры и промышленной автоматизации. Если у вас есть вопросы или комментарии — напишите мне лично».

    Характеристики DCW10M-8P-SA

    Характеристики фитингов
    Форма фитинга
    штуцер прямой под приварку
    Тип уплотнения резьбового соединения
    • -
    Общие характеристики
    Тип конструкции
    обжим трубки с помощью двух обжимных колец и гайки
    Массо-габаритные и монтажные характеристики
    Подключение
    10 мм (трубка)-1/2″ (под приварку встык)
    Подключение, канал 1
    • 10 мм (трубка)
    Подключение, канал 2
    • 1/2″ (под приварку встык)
    Материалы
    Основной материал
    сталь нержавеющая
    Корпус
    сталь нержавеющая AISI 316
    Идентификационные данные
    Производитель
    DKL
    Артикул
    DCW10M-8P-SA
    Ед. изм.
    шт.
    Наличие в магазинах
    Магазин и адрес
    Режим работы
    Телефон
    Доступность
    Склад Алматы
    г. Алматы, ул. Казыбаева, 3/3, пом. 11
    Пн.-Пт. 10:00-17:00
    +7(776)990-55-56
    Нет в наличии
    Отзывы

    Отзывы не найдены

    Как только цена на товар снизится, вы сразу об этом узнаете
    Следить за снижением цены

    Цена пока не менялась. Как только она изменится, мы покажем график

    Возможно, вас это заинтересует
     
    • Похожие товары
    • Недавно смотрели