Пневматика и
автоматизация

  • Пн - Пт
  • 9:00 - 18:00
  • Фотография может отличаться от реального товара

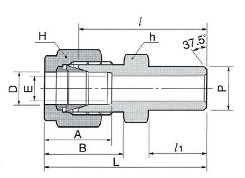
    DCW12M-4P-SA - Штуцер прямой под приварку встык обжимной 12 мм-1/4", нерж.

    260840
    Форма фитинга: штуцер прямой под приварку • Подключение: 12 мм (трубка)-1/4″ (под приварку встык) • Материал корпуса: сталь нержавеющая AISI 316
    Преимущества
    Бесплатные консультации и техподдержка
    Подбор аналогов из наличия
    Быстрая обработка заявки
    Индивидуальный подход
    Лучшие цены и сроки
    Оплата
    Доставка
    • Все о товаре
    • Описание
    • Характеристики

    Описание DCW12M-4P-SA

    Назначение и принцип работы

    Обжимной штуцер прямой с подваркой встык предназначен для присоединения контрольно-измерительных трубопроводов Ø 12 мм к ответному патрубку 1/4″ методом сварки встык и обеспечивает герметичное переходное соединение между съемной трубной магистралью и стационарным ответным элементом. Герметизация со стороны трубки достигается двойным обжимом — двумя обжимными кольцами и гайкой, которые механически фиксируют и уплотняют трубку; со стороны 1/4″ выполняется постоянный сварной шов. Применяется в приборах, линиях отбора проб, слива, манометровых и вакуумных разводках.

    Ключевые особенности конструкции

    Корпус и комплектующие из нержавеющей стали AISI 316, конструкция — двухкольцевой обжим с гайкой (double ferrule), без уплотнений на резьбе. Соединение: 12 мм (трубка) — 1/4″ (под приварку встык). Металлические обжимные кольца обеспечивают надежную герметизацию без эластичных уплотнений, пригодную для воды, пара, нефтехимии, инертных и агрессивных газов и жидкостей. Рабочие параметры зависят от толщины стенки трубки и условий монтажа; для типичных вариантов эксплуатации аналогичные обжимные узлы допускают рабочее давление до ≈400 бар (≈5800 psi) и температурный диапазон примерно от −196 °C до +450 °C при корректном выборе материала и применяемой технологии сварки.

    Экспертные рекомендации по применению

    Рекомендуется использовать трубки соответствующей толщины стенки (для 12 мм — типично 1,5–2,0 мм) и строгую подготовку торца: отрез по перпендикуляру, удаление заусенцев и контроль торцевого зазора. Сборка обжима: завести трубку до упора, затянуть гайку вручную и затем дополнительно 1–1,25 оборота для окончательного обжима (контролировать момент по рекомендациям производителя). При сварке встык обеспечить внутреннюю продувку и защиту зоны сварки для AISI 316, избегать нагрева зоны обжима; не использовать приваренную сторону для последующей обжимки. После монтажа провести контроль герметичности (пневмо/гидро), соблюдать совместимость среды и регламент по горячему/низкотемпературному сервису.

    Автор

    Ответственный редактор / Инженер

    Директор «Би Энд Би Инжиниринг»
    «Описание товара DCW12M-4P-SA - Штуцер прямой под приварку встык обжимной 12 мм-1/4", нерж. на этой странице составлено на основе нашего 10-летнего опыта работы в сфере пневматического оборудования, запорной арматуры и промышленной автоматизации. Если у вас есть вопросы или комментарии — напишите мне лично».

    Характеристики DCW12M-4P-SA

    Характеристики фитингов
    Форма фитинга
    штуцер прямой под приварку
    Тип уплотнения резьбового соединения
    • -
    Общие характеристики
    Тип конструкции
    обжим трубки с помощью двух обжимных колец и гайки
    Массо-габаритные и монтажные характеристики
    Подключение
    12 мм (трубка)-1/4″ (под приварку встык)
    Подключение, канал 1
    • 12 мм (трубка)
    Подключение, канал 2
    • 1/4″ (под приварку встык)
    Материалы
    Основной материал
    сталь нержавеющая
    Корпус
    сталь нержавеющая AISI 316
    Идентификационные данные
    Производитель
    DKL
    Артикул
    DCW12M-4P-SA
    Ед. изм.
    шт.
    Наличие в магазинах
    Магазин и адрес
    Режим работы
    Телефон
    Доступность
    Склад Алматы
    г. Алматы, ул. Казыбаева, 3/3, пом. 11
    Пн.-Пт. 10:00-17:00
    +7(776)990-55-56
    Нет в наличии
    Отзывы

    Отзывы не найдены

    Как только цена на товар снизится, вы сразу об этом узнаете
    Следить за снижением цены

    Цена пока не менялась. Как только она изменится, мы покажем график

    Возможно, вас это заинтересует
     
    • Похожие товары
    • Недавно смотрели