Пневматика и
автоматизация

  • Пн - Пт
  • 9:00 - 18:00
  • Фотография может отличаться от реального товара

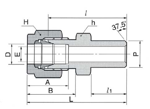
    DCW12M-6P-SA - Штуцер прямой под приварку встык обжимной 12 мм-3/8", нерж.

    260841
    Форма фитинга: штуцер прямой под приварку • Подключение: 12 мм (трубка)-3/8″ (под приварку встык) • Материал корпуса: сталь нержавеющая AISI 316
    Преимущества
    Бесплатные консультации и техподдержка
    Подбор аналогов из наличия
    Быстрая обработка заявки
    Индивидуальный подход
    Лучшие цены и сроки
    Оплата
    Доставка
    • Все о товаре
    • Описание
    • Характеристики

    Описание DCW12M-6P-SA

    Назначение и принцип работы

    Прямой штуцер под приварку обжимного типа предназначен для перехода от трубки Ø12 мм к присоединению под приварку 3/8″. Решает задачу герметичного соединения трубопроводов в технологических магистралях, приборах и коллекторах, где одна сторона выполняется как обжимная (трубка с двумя обжимными кольцами и гайкой), а вторая — стационарная приварная посадка. Принцип работы — механическое уплотнение трубки двумя обжимными кольцами при затяжке гайки и жесткое сварное соединение на стороне 3/8″, обеспечивающее постоянный пропуск потока при минимальных утечках.

    Ключевые особенности конструкции

    Корпус и элементы — нержавеющая сталь AISI 316, что обеспечивает коррозионную стойкость в агрессивных средах (вода, масло, гидравлические и инертные газы). Конструкция — обжим трубки с помощью двух обжимных колец и гайки; уплотнение — металл по металлу колец и трубки. Присоединения: канал 1 — 12 мм (трубка), канал 2 — 3/8″ (под приварку). Типичные эксплуатационные параметры: рабочее давление до ≈420 бар (≈6000 psi) в зависимости от толщины стенки трубки и системы, температурный диапазон ориентировочно от −60 °C до +200 °C в зависимости от уплотнителя и среды.

    Экспертные рекомендации по применению

    Перед монтажом приварите сторону 3/8″ с применением защитного газа и пассивации нержавеющей стали; не подвергайте обжимную сторону нагреву. При установке: обеспечить прямолинейную подготовку трубы Ø12 мм, навести гайку пальцем, затем затянуть на 1–1,25 оборота для окончательного обжима (контролировать по рекомендованной методике производителя). Избегать повторных многократных сборок без замены обжимных колец. Проверять соединение на утечки при рабочем давлении и избегать ударных нагрузок и коррозионных сред при температурах за пределами указанного диапазона.

    Автор

    Ответственный редактор / Инженер

    Директор «Би Энд Би Инжиниринг»
    «Описание товара DCW12M-6P-SA - Штуцер прямой под приварку встык обжимной 12 мм-3/8", нерж. на этой странице составлено на основе нашего 10-летнего опыта работы в сфере пневматического оборудования, запорной арматуры и промышленной автоматизации. Если у вас есть вопросы или комментарии — напишите мне лично».

    Характеристики DCW12M-6P-SA

    Характеристики фитингов
    Форма фитинга
    штуцер прямой под приварку
    Тип уплотнения резьбового соединения
    • -
    Общие характеристики
    Тип конструкции
    обжим трубки с помощью двух обжимных колец и гайки
    Массо-габаритные и монтажные характеристики
    Подключение
    12 мм (трубка)-3/8″ (под приварку встык)
    Подключение, канал 1
    • 12 мм (трубка)
    Подключение, канал 2
    • 3/8″ (под приварку встык)
    Материалы
    Основной материал
    сталь нержавеющая
    Корпус
    сталь нержавеющая AISI 316
    Идентификационные данные
    Производитель
    DKL
    Артикул
    DCW12M-6P-SA
    Ед. изм.
    шт.
    Наличие в магазинах
    Магазин и адрес
    Режим работы
    Телефон
    Доступность
    Склад Алматы
    г. Алматы, ул. Казыбаева, 3/3, пом. 11
    Пн.-Пт. 10:00-17:00
    +7(776)990-55-56
    Нет в наличии
    Отзывы

    Отзывы не найдены

    Как только цена на товар снизится, вы сразу об этом узнаете
    Следить за снижением цены

    Цена пока не менялась. Как только она изменится, мы покажем график

    Возможно, вас это заинтересует
     
    • Похожие товары
    • Недавно смотрели