Пневматика и
автоматизация

  • Пн - Пт
  • 9:00 - 18:00
  • Фотография может отличаться от реального товара

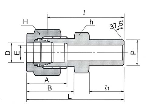
    DCW12M-8P-SA - Штуцер прямой под приварку встык обжимной 12 мм-1/2", нерж.

    260842
    Форма фитинга: штуцер прямой под приварку • Подключение: 12 мм (трубка)-1/2″ (под приварку встык) • Материал корпуса: сталь нержавеющая AISI 316
    Преимущества
    Бесплатные консультации и техподдержка
    Подбор аналогов из наличия
    Быстрая обработка заявки
    Индивидуальный подход
    Лучшие цены и сроки
    Оплата
    Доставка
    • Все о товаре
    • Описание
    • Характеристики

    Описание DCW12M-8P-SA

    Назначение и принцип работы

    Штуцер прямой под приварку DCW12M-8P-SA DK-Lok предназначен для присоединения 12 мм технологической трубки к ответному патрубку 1/2″ методом торцевой приварки (встык) в системах измерения, управления и малогабаритных гидравлических линиях. Работает как переходной элемент: одна сторона обеспечивает герметичное обжатие трубки двумя обжимными кольцами и гайкой, вторая — неподвижное сварное соединение без резьбового уплотнения. Конструкция обеспечивает устойчивое механическое и герметичное соединение при динамических и статических нагрузках, минимизируя утечки в трубопроводах приборного класса.

    Ключевые особенности конструкции

    Корпус и фасонные элементы выполнены из нержавеющей стали AISI 316, обеспечивающей коррозионную стойкость и совместимость с агрессивными средами. Обжимная часть — система из двух обжимных колец (ferrules) и гайки в типовом исполнении DK-Lok, гарантирующая повторяемую герметизацию трубок Ø12 мм. Приварной 1/2″ конец предназначен для встык‑сварки, не требует резьбового уплотнения (Тип уплотнения резьбы: отсутствует). Рабочие параметры зависят от толщины стенки трубки и технологии сварки; типичные эксплуатационные давления для подобных фитингов до 6000 psi (~413 бар) при температурном диапазоне приблизительно от −196 °C до +315 °C в зависимости от среды и прокладок.

    Экспертные рекомендации по применению

    Подбирайте фитинг под реальный наружный диаметр и толщину стенки 12 мм; перед обжатием убедитесь в чистоте и правильной усадке обжимных колец. Приварку 1/2″ следует выполнять сертифицированной технологией (TIG/MIG) с корректной подготовкой торца и контролем деформации, чтобы не нарушить герметичность обжатого соединения. Избегайте перекосов при сборке, не применяйте повторную сварку без зачистки и инспекции, при динамических вибрациях используйте фиксирующие хомуты. Для агрессивных сред и повышенных температур проверяйте совместимость AISI 316 с рабочей средой и при необходимости выбирайте дополнительные уплотнения и покрытие.

    Автор

    Ответственный редактор / Инженер

    Директор «Би Энд Би Инжиниринг»
    «Описание товара DCW12M-8P-SA - Штуцер прямой под приварку встык обжимной 12 мм-1/2", нерж. на этой странице составлено на основе нашего 10-летнего опыта работы в сфере пневматического оборудования, запорной арматуры и промышленной автоматизации. Если у вас есть вопросы или комментарии — напишите мне лично».

    Характеристики DCW12M-8P-SA

    Характеристики фитингов
    Форма фитинга
    штуцер прямой под приварку
    Тип уплотнения резьбового соединения
    • -
    Общие характеристики
    Тип конструкции
    обжим трубки с помощью двух обжимных колец и гайки
    Массо-габаритные и монтажные характеристики
    Подключение
    12 мм (трубка)-1/2″ (под приварку встык)
    Подключение, канал 1
    • 12 мм (трубка)
    Подключение, канал 2
    • 1/2″ (под приварку встык)
    Материалы
    Основной материал
    сталь нержавеющая
    Корпус
    сталь нержавеющая AISI 316
    Идентификационные данные
    Производитель
    DKL
    Артикул
    DCW12M-8P-SA
    Ед. изм.
    шт.
    Наличие в магазинах
    Магазин и адрес
    Режим работы
    Телефон
    Доступность
    Склад Алматы
    г. Алматы, ул. Казыбаева, 3/3, пом. 11
    Пн.-Пт. 10:00-17:00
    +7(776)990-55-56
    Нет в наличии
    Отзывы

    Отзывы не найдены

    Как только цена на товар снизится, вы сразу об этом узнаете
    Следить за снижением цены

    Цена пока не менялась. Как только она изменится, мы покажем график

    Возможно, вас это заинтересует
     
    • Похожие товары
    • Недавно смотрели