Пневматика и
автоматизация

  • Пн - Пт
  • 9:00 - 18:00
  • Фотография может отличаться от реального товара

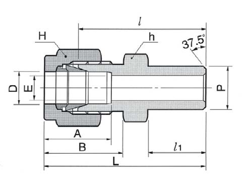
    DCW15M-8P-SA - Штуцер прямой под приварку встык обжимной 15 мм-1/2", нерж.

    260844
    Форма фитинга: штуцер прямой под приварку • Подключение: 15 мм (трубка)-1/2″ (под приварку встык) • Материал корпуса: сталь нержавеющая AISI 316
    Преимущества
    Бесплатные консультации и техподдержка
    Подбор аналогов из наличия
    Быстрая обработка заявки
    Индивидуальный подход
    Лучшие цены и сроки
    Оплата
    Доставка
    • Все о товаре
    • Описание
    • Характеристики

    Описание DCW15M-8P-SA

    Назначение и принцип работы

    Штуцер прямой под приварку DCW15M-8P-SA DK-Lok предназначен для присоединения 15 мм инструментальной трубки к ответной линии с патрубком под приварку 1/2″. Решает задачи передачи жидкостей и газов в системах КИПиА, лабораторных и технологических магистралях с высоким давлением. Работает по принципу обжимного соединения: при затяжке гайки две обжимные кольца формируют герметичное металлометаллическое уплотнение на трубке Ø15 мм, противоположный конец выполняется в виде патрубка для приварки встык 1/2″.

    Ключевые особенности конструкции

    Корпус и детали — нержавеющая сталь AISI 316, стойкая к большинству агрессивных сред; конструкция — обжим трубки с двумя обжимными кольцами и гайкой; тип уплотнения резьбы отсутствует (герметичность обеспечивается обжимом). Подключения: канал 1 — 15 мм трубка; канал 2 — 1/2″ под приварку. Рекомендуемые рабочие среды: технические и аналитические газы, вода, масла, эксплуатационные жидкости. Типичные диапазоны: рабочее давление до ~413 бар (6000 psi) в зависимости от сечения и толщины трубки; рабочая температура ориентировочно −60…+200 °C для AISI 316 (зависит от среды и режима эксплуатации).

    Экспертные рекомендации по применению

    Рекомендуется приваривать патрубок 1/2″ по утверждённой сварочной процедуре для AISI 316 с инертной поддувкой, давать полное охлаждение перед сборкой компрессионной стороны; собрать и затянуть гайку только после охлаждения, чтобы не деформировать обжимные кольца. При монтаже контролировать соосность трубки, чистоту торцов и соответствие толщины стенки трубки Ø15 мм; использовать рекомендованные усилия затяжки производителя, избегать чрезмерного момента. Избегать длительного контакта с концентрированными хлоридами при высоких температурах — риск питтинга. Для проверок герметичности применять сухой или водный пневмотест при умеренном давлении перед вводом в эксплуатацию.

    Автор

    Ответственный редактор / Инженер

    Директор «Би Энд Би Инжиниринг»
    «Описание товара DCW15M-8P-SA - Штуцер прямой под приварку встык обжимной 15 мм-1/2", нерж. на этой странице составлено на основе нашего 10-летнего опыта работы в сфере пневматического оборудования, запорной арматуры и промышленной автоматизации. Если у вас есть вопросы или комментарии — напишите мне лично».

    Характеристики DCW15M-8P-SA

    Характеристики фитингов
    Форма фитинга
    штуцер прямой под приварку
    Тип уплотнения резьбового соединения
    • -
    Общие характеристики
    Тип конструкции
    обжим трубки с помощью двух обжимных колец и гайки
    Массо-габаритные и монтажные характеристики
    Подключение
    15 мм (трубка)-1/2″ (под приварку встык)
    Подключение, канал 1
    • 15 мм (трубка)
    Подключение, канал 2
    • 1/2″ (под приварку встык)
    Материалы
    Основной материал
    сталь нержавеющая
    Корпус
    сталь нержавеющая AISI 316
    Идентификационные данные
    Производитель
    DKL
    Артикул
    DCW15M-8P-SA
    Ед. изм.
    шт.
    Наличие в магазинах
    Магазин и адрес
    Режим работы
    Телефон
    Доступность
    Склад Алматы
    г. Алматы, ул. Казыбаева, 3/3, пом. 11
    Пн.-Пт. 10:00-17:00
    +7(776)990-55-56
    Нет в наличии
    Отзывы

    Отзывы не найдены

    Как только цена на товар снизится, вы сразу об этом узнаете
    Следить за снижением цены

    Цена пока не менялась. Как только она изменится, мы покажем график

    Возможно, вас это заинтересует
     
    • Похожие товары
    • Недавно смотрели