Пневматика и
автоматизация

  • Пн - Пт
  • 9:00 - 18:00
  • Фотография может отличаться от реального товара

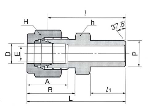
    DCW16-16P-SA - Штуцер прямой под приварку встык обжимной 1"-1", нерж.

    260826
    Форма фитинга: штуцер прямой под приварку • Подключение: 1″ (трубка)-1″ (под приварку встык) • Материал корпуса: сталь нержавеющая AISI 316
    Преимущества
    Бесплатные консультации и техподдержка
    Подбор аналогов из наличия
    Быстрая обработка заявки
    Индивидуальный подход
    Лучшие цены и сроки
    Оплата
    Доставка
    • Все о товаре
    • Описание
    • Характеристики

    Описание DCW16-16P-SA

    Назначение и принцип работы

    Штуцер прямой под приварку DCW16-16P-SA DK-Lok предназначен для выполнения надежного перехода между трубкой 1" и ответной частью трубопровода с концом под приварку встык 1". Применяется в системах КИПиА, технологических линиях и сборах проб в средах нефти, газа, пара, воды и инертных газов. Принцип работы — герметизация осуществляется обжимом трубки двумя обжимными кольцами и гайкой; уплотнение резьбы не требуется. Конструкция обеспечивает металл-металл соединение с высокой устойчивостью к вибрации и возможностью разборки для обслуживания.

    Ключевые особенности конструкции

    Корпус и приварной патрубок изготовлены из нержавеющей стали AISI 316, общая категория материала — сталь нержавеющая. Соединение — обжим трубки с помощью двух обжимных колец и гайки, канал 1 — 1" (трубка), канал 2 — 1" (под приварку встык). Отсутствует специальное резьбовое уплотнение (тип уплотнения резьбы: -). Применимо к рабочим средам коррозионно-активным и агрессивным при температурном диапазоне эксплуатации, определяемом материалом AISI 316 (приблизительно от −196 °C до +400 °C в зависимости от среды). Рабочее давление зависит от толщины трубки и качества приварки; при типичных 1" трубах и промышленной сварке ожидаемая практическая область эксплуатации — сотни бар при соблюдении стандартов монтажа.

    Экспертные рекомендации по применению

    Рекомендуется приварить патрубок встык к магистрали до установки обжимных колец и гайки: сварку выполнять по регламенту (ASME/EN соответствие), обеспечить контроль качества шва (визуально/рентген). Перед обжатием — удалить окалину и обеспечить чистоту торцов. Для окончательной затяжки использовать торцевой ключ по моменту, указанному в таблице производителя для 1" обжимной группы; избегать чрезмерного усилия, чтобы не деформировать кольца. При пульсациях давления и вибрациях применять дополнительные опоры и контроль затяжки. После монтажа выполнять проверку на герметичность (гидравлическая или газовая) и соблюдать план периодического контроля при агрессивных средах.

    Автор

    Ответственный редактор / Инженер

    Директор «Би Энд Би Инжиниринг»
    «Описание товара DCW16-16P-SA - Штуцер прямой под приварку встык обжимной 1"-1", нерж. на этой странице составлено на основе нашего 10-летнего опыта работы в сфере пневматического оборудования, запорной арматуры и промышленной автоматизации. Если у вас есть вопросы или комментарии — напишите мне лично».

    Характеристики DCW16-16P-SA

    Характеристики фитингов
    Форма фитинга
    штуцер прямой под приварку
    Тип уплотнения резьбового соединения
    • -
    Общие характеристики
    Тип конструкции
    обжим трубки с помощью двух обжимных колец и гайки
    Массо-габаритные и монтажные характеристики
    Подключение
    1″ (трубка)-1″ (под приварку встык)
    Подключение, канал 1
    • 1″ (трубка)
    Подключение, канал 2
    • 1″ (под приварку встык)
    Материалы
    Основной материал
    сталь нержавеющая
    Корпус
    сталь нержавеющая AISI 316
    Идентификационные данные
    Производитель
    DKL
    Артикул
    DCW16-16P-SA
    Ед. изм.
    шт.
    Наличие в магазинах
    Магазин и адрес
    Режим работы
    Телефон
    Доступность
    Склад Алматы
    г. Алматы, ул. Казыбаева, 3/3, пом. 11
    Пн.-Пт. 10:00-17:00
    +7(776)990-55-56
    Нет в наличии
    Отзывы

    Отзывы не найдены

    Как только цена на товар снизится, вы сразу об этом узнаете
    Следить за снижением цены

    Цена пока не менялась. Как только она изменится, мы покажем график

    Возможно, вас это заинтересует
     
    • Похожие товары
    • Недавно смотрели