Пневматика и
автоматизация

  • Пн - Пт
  • 9:00 - 18:00
  • Фотография может отличаться от реального товара

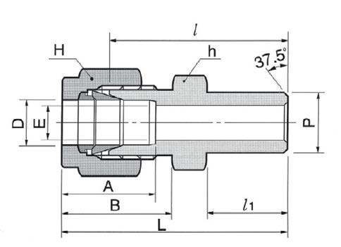
    DCW16M-8P-SA - Штуцер прямой под приварку встык обжимной 16 мм-1/2", нерж.

    260845
    Форма фитинга: штуцер прямой под приварку • Подключение: 16 мм (трубка)-1/2″ (под приварку встык) • Материал корпуса: сталь нержавеющая AISI 316
    Преимущества
    Бесплатные консультации и техподдержка
    Подбор аналогов из наличия
    Быстрая обработка заявки
    Индивидуальный подход
    Лучшие цены и сроки
    Оплата
    Доставка
    • Все о товаре
    • Описание
    • Характеристики

    Описание DCW16M-8P-SA

    Назначение и принцип работы

    Обжимной штуцер прямой под приварку предназначен для подключения 16 мм металлической трубки к линии с концом, подготовленным под приварку встык 1/2″. Решает задачи коммутирования приборных и технологических линий в системах КИПиА, гидравлики и газоснабжения, где требуется герметичное, виброустойчивое соединение с возможностью последующего сварного присоединения. Работает по принципу обжима трубки двумя обжимными кольцами (двухклапанный тип обжима) и гайкой, образуя уплотнение на наружной поверхности трубки; противоположный участок выполняется как торцевой патрубок для приварки встык.

    Ключевые особенности конструкции

    Корпус и переходная часть выполнены из нержавеющей стали AISI 316, общая категория материала — сталь нержавеющая, что обеспечивает устойчивость к коррозии и совместимость с агрессивными средами. Конструкция — обжим трубки с помощью двух обжимных колец и гайки, без отдельного уплотнения резьбы (Тип уплотнения резьбы: -). Подключение: 16 мм (трубка) — 1/2″ (под приварку встык). Типичные диапазоны: рабочее давление до ~414 бар (6000 psi) в зависимости от условий эксплуатации и стенки трубки; температурный диапазон ориентировочно −60…+260 °C при стандартизированных уплотнениях и средах; конечные значения зависят от толщины стенки трубки и характера среды.

    Экспертные рекомендации по применению

    Подбирайте изделие с учётом толщины и материала трубки 16 мм; перед монтажом обеспечить чистую торцовую поверхность и правильную посадку обжимных колец. Сварной конец 1/2″ выполнять по стандартам приварки для AISI 316, исключая перегрев зоны обжима; при сварке используйте технологию, обеспечивающую минимальную деформацию. Затяжку гайки производить по моменту, рекомендованному производителем, во избежание повторного ослабления при вибрации. Не использовать дополнительные уплотнители на резьбе — конструкция рассчитана на уплотнение обжимом. При агрессивных средах и высоких температурах проверяйте совместимость материалов и проводите гидростатические испытания после монтажа.

    Автор

    Ответственный редактор / Инженер

    Директор «Би Энд Би Инжиниринг»
    «Описание товара DCW16M-8P-SA - Штуцер прямой под приварку встык обжимной 16 мм-1/2", нерж. на этой странице составлено на основе нашего 10-летнего опыта работы в сфере пневматического оборудования, запорной арматуры и промышленной автоматизации. Если у вас есть вопросы или комментарии — напишите мне лично».

    Характеристики DCW16M-8P-SA

    Характеристики фитингов
    Форма фитинга
    штуцер прямой под приварку
    Тип уплотнения резьбового соединения
    • -
    Общие характеристики
    Тип конструкции
    обжим трубки с помощью двух обжимных колец и гайки
    Массо-габаритные и монтажные характеристики
    Подключение
    16 мм (трубка)-1/2″ (под приварку встык)
    Подключение, канал 1
    • 16 мм (трубка)
    Подключение, канал 2
    • 1/2″ (под приварку встык)
    Материалы
    Основной материал
    сталь нержавеющая
    Корпус
    сталь нержавеющая AISI 316
    Идентификационные данные
    Производитель
    DKL
    Артикул
    DCW16M-8P-SA
    Ед. изм.
    шт.
    Наличие в магазинах
    Магазин и адрес
    Режим работы
    Телефон
    Доступность
    Склад Алматы
    г. Алматы, ул. Казыбаева, 3/3, пом. 11
    Пн.-Пт. 10:00-17:00
    +7(776)990-55-56
    Нет в наличии
    Отзывы

    Отзывы не найдены

    Как только цена на товар снизится, вы сразу об этом узнаете
    Следить за снижением цены

    Цена пока не менялась. Как только она изменится, мы покажем график

    Возможно, вас это заинтересует
     
    • Похожие товары
    • Недавно смотрели