Пневматика и
автоматизация

  • Пн - Пт
  • 9:00 - 18:00
  • Фотография может отличаться от реального товара

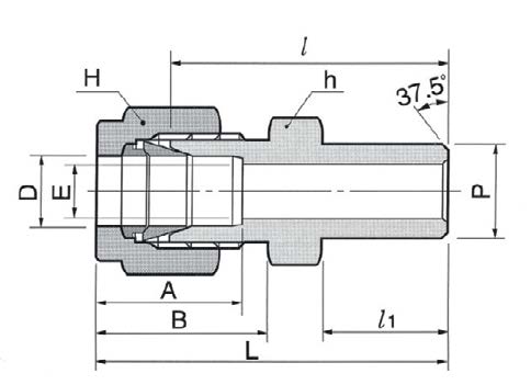
    DCW18M-8P-SA - Штуцер прямой под приварку встык обжимной 18 мм-1/2", нерж.

    260846
    Форма фитинга: штуцер прямой под приварку • Подключение: 18 мм (трубка)-1/2″ (под приварку встык) • Материал корпуса: сталь нержавеющая AISI 316
    Преимущества
    Бесплатные консультации и техподдержка
    Подбор аналогов из наличия
    Быстрая обработка заявки
    Индивидуальный подход
    Лучшие цены и сроки
    Оплата
    Доставка
    • Все о товаре
    • Описание
    • Характеристики

    Описание DCW18M-8P-SA

    Назначение и принцип работы

    Штуцер прямой под приварку встык с обжимным соединением предназначен для присоединения инструментальной или технологической трубки Ø18 мм к линии с фланцево-приварным ответом 1/2″. Конструкция решает задачу герметичного перехода от тонкостенной трубки к сварному трубопроводу при измерениях, отборе проб, подаче тормозных/гидравлических сред и в системах аналитики. Уплотнение обеспечивается двумя обжимными кольцами и гайкой: при затяжке кольца формируют плотный металлометаллический контакт с трубкой, а противоположный конец стыкуется встык и приваривается к магистрали.

    Ключевые особенности конструкции

    Корпус и обжимные элементы изготовлены из нержавеющей стали AISI 316, что обеспечивает повышенную коррозионную стойкость в агрессивных средах. Тип конструкции — обжим трубки с помощью двух обжимных колец и гайки; тип уплотнения резьбы отсутствует (без дополнительной резьбовой прокладки). Подключения: канал 1 — 18 мм (трубка), канал 2 — 1/2″ (под приварку встык). Типичная рабочая прочность для аналогичных изделий — до 300–420 bar в зависимости от толщины стенки трубки и условий монтажа; температурный диапазон эксплуатации ориентировочно от −196 °C (криогенные условия) до +538 °C (ограничено материалом AISI 316 и режимом сварки).

    Экспертные рекомендации по применению

    Подбирайте штуцер с учётом толщины стенки трубки и требуемого рабочего давления. Перед монтажом торец трубки должен быть отрезан перпендикулярно и обезжирен, заусенцы удалены; соблюдайте рекомендованный глубинный заход трубки в корпус. При затяжке гайки избегайте перекоса и перетягивания — это может деформировать обжимные кольца и нарушить герметичность. Приварку выполнять квалифицированным сварщиком с последующей антикоррозионной обработкой шва; при агрессивных средах предусмотреть защиту от подточной коррозии и контроль утечек после пуска.

    Автор

    Ответственный редактор / Инженер

    Директор «Би Энд Би Инжиниринг»
    «Описание товара DCW18M-8P-SA - Штуцер прямой под приварку встык обжимной 18 мм-1/2", нерж. на этой странице составлено на основе нашего 10-летнего опыта работы в сфере пневматического оборудования, запорной арматуры и промышленной автоматизации. Если у вас есть вопросы или комментарии — напишите мне лично».

    Характеристики DCW18M-8P-SA

    Характеристики фитингов
    Форма фитинга
    штуцер прямой под приварку
    Тип уплотнения резьбового соединения
    • -
    Общие характеристики
    Тип конструкции
    обжим трубки с помощью двух обжимных колец и гайки
    Массо-габаритные и монтажные характеристики
    Подключение
    18 мм (трубка)-1/2″ (под приварку встык)
    Подключение, канал 1
    • 18 мм (трубка)
    Подключение, канал 2
    • 1/2″ (под приварку встык)
    Материалы
    Основной материал
    сталь нержавеющая
    Корпус
    сталь нержавеющая AISI 316
    Идентификационные данные
    Производитель
    DKL
    Артикул
    DCW18M-8P-SA
    Ед. изм.
    шт.
    Наличие в магазинах
    Магазин и адрес
    Режим работы
    Телефон
    Доступность
    Склад Алматы
    г. Алматы, ул. Казыбаева, 3/3, пом. 11
    Пн.-Пт. 10:00-17:00
    +7(776)990-55-56
    Нет в наличии
    Отзывы

    Отзывы не найдены

    Как только цена на товар снизится, вы сразу об этом узнаете
    Следить за снижением цены

    Цена пока не менялась. Как только она изменится, мы покажем график

    Возможно, вас это заинтересует
     
    • Похожие товары
    • Недавно смотрели