Пневматика и
автоматизация

  • Пн - Пт
  • 9:00 - 18:00
  • Фотография может отличаться от реального товара

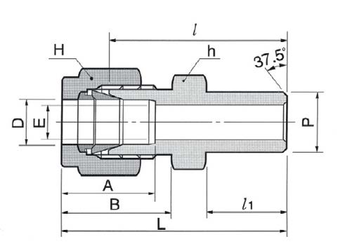
    DCW24-24P-SA - Штуцер прямой под приварку встык обжимной 1 1/2"-1 1/2", нерж.

    260828
    Форма фитинга: штуцер прямой под приварку • Подключение: 1 1/2″ (трубка)-1 1/2″ (под приварку встык) • Материал корпуса: сталь нержавеющая AISI 316
    Преимущества
    Бесплатные консультации и техподдержка
    Подбор аналогов из наличия
    Быстрая обработка заявки
    Индивидуальный подход
    Лучшие цены и сроки
    Оплата
    Доставка
    • Все о товаре
    • Описание
    • Характеристики

    Описание DCW24-24P-SA

    Назначение и принцип работы

    Штуцер прямой под приварку DCW24-24P-SA DK-Lok предназначен для присоединения инструментальной трубки Ø 1 1/2″ (38,1 мм) к трубопроводу или аппарату с приварным фланцевым/патрубковым окончанием 1 1/2″. Решает задачи герметичного переноса рабочих сред в системах КИПиА, гидравлики и технологических линиях. Работает по принципу двухобжимного соединения: две обжимные втулки (ferrules) при посадке гайки образуют металлическое уплотнение на трубке, а вторая сторона соединяется методом стыковой сварки, исключая применение уплотнений резьбы (тип уплотнения резьбы: -).

    Ключевые особенности конструкции

    Корпус и обжимные элементы — нержавеющая сталь AISI 316, что обеспечивает коррозионную стойкость в воде, парах, гидравлических маслах, топливах и агрессивных средах. Конструкция: обжим трубки с помощью двух обжимных колец и гайки + приварной патрубок 1 1/2″. Типоразмер подключения: 1 1/2″ (трубка) — 1 1/2″ (под приварку встык). Типичные эксплуатационные пределы зависят от толщины стенки трубки и стандарта сварки; ориентировочно рабочее давление для подобных фитингов порядка единиц сотен бар (точное значение по таблице производителя), рабочая температура от примерно −196 °C до +538 °C для AISI 316 в стандартных средах.

    Экспертные рекомендации по применению

    Подбирайте соответствующую толщину стенки трубки и сверяйте номинальное давление с таблицей DK-Lok. Перед сборкой удалить заусенцы и забоины на Ø 1 1/2″ (38,1 мм), обеспечить правильную длину глубины вставки. Момент затяжки гайки — по данным производителя; избегать перетяжки, чтобы не деформировать втулки. При приварке использовать контролируемую процедуру (TIG/MIG), прокалывать шов при необходимости и выполнять продувку инертным газом для предотвращения окисления. После монтажа провести гидравлическую или гелиевую пробу на утечку. Не смешивать разные марки нержавеющих сталей в сварном узле и учитывать температурную стойкость AISI 316 при выборе режима эксплуатации.

    Автор

    Ответственный редактор / Инженер

    Директор «Би Энд Би Инжиниринг»
    «Описание товара DCW24-24P-SA - Штуцер прямой под приварку встык обжимной 1 1/2"-1 1/2", нерж. на этой странице составлено на основе нашего 10-летнего опыта работы в сфере пневматического оборудования, запорной арматуры и промышленной автоматизации. Если у вас есть вопросы или комментарии — напишите мне лично».

    Характеристики DCW24-24P-SA

    Характеристики фитингов
    Форма фитинга
    штуцер прямой под приварку
    Тип уплотнения резьбового соединения
    • -
    Общие характеристики
    Тип конструкции
    обжим трубки с помощью двух обжимных колец и гайки
    Массо-габаритные и монтажные характеристики
    Подключение
    1 1/2″ (трубка)-1 1/2″ (под приварку встык)
    Подключение, канал 1
    • 1 1/2″ (трубка)
    Подключение, канал 2
    • 1 1/2″ (под приварку встык)
    Материалы
    Основной материал
    сталь нержавеющая
    Корпус
    сталь нержавеющая AISI 316
    Идентификационные данные
    Производитель
    DKL
    Артикул
    DCW24-24P-SA
    Ед. изм.
    шт.
    Наличие в магазинах
    Магазин и адрес
    Режим работы
    Телефон
    Доступность
    Склад Алматы
    г. Алматы, ул. Казыбаева, 3/3, пом. 11
    Пн.-Пт. 10:00-17:00
    +7(776)990-55-56
    Нет в наличии
    Отзывы

    Отзывы не найдены

    Как только цена на товар снизится, вы сразу об этом узнаете
    Следить за снижением цены

    Цена пока не менялась. Как только она изменится, мы покажем график

    Возможно, вас это заинтересует
     
    • Похожие товары
    • Недавно смотрели