Пневматика и
автоматизация

  • Пн - Пт
  • 9:00 - 18:00
  • Фотография может отличаться от реального товара

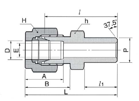
    DCW3-2P-SA - Штуцер прямой под приварку встык обжимной 3/16"-1/8", нерж.

    260813
    Форма фитинга: штуцер прямой под приварку • Подключение: 3/16″ (трубка)-1/8″ (под приварку встык) • Материал корпуса: сталь нержавеющая AISI 316
    Преимущества
    Бесплатные консультации и техподдержка
    Подбор аналогов из наличия
    Быстрая обработка заявки
    Индивидуальный подход
    Лучшие цены и сроки
    Оплата
    Доставка
    • Все о товаре
    • Описание
    • Характеристики

    Описание DCW3-2P-SA

    Назначение и принцип работы

    Данный прямой штуцер под приварку предназначен для перехода с трубки Ø3/16″ на порт 1/8″ под приварку встык в приборах КИПиА, системах отбора проб и магистралях передачи сигнала/сигнальной среды. Работает по принципу комбинированного соединения: один конец — обжим трубки с помощью двух обжимных колец (two‑ferrule) и гайки, другой — фиксируется сваркой встык на 1/8″ патрубок. Герметизация линии обеспечивается упором и деформацией обжимных колец на трубке; резьловых уплотнений для соединения под приварку не требуется. Материал корпуса — нержавеющая сталь AISI 316, устойчивый к коррозии и совместимый с типичными рабочими средами.

    Ключевые особенности конструкции

    Конструкция — обжимная (две обжимные втулки + гайка) с прямым переходом на приварной патрубок 1/8″. Корпус и обжимные элементы выполнены из нержавеющей стали AISI 316, что обеспечивает коррозионную стойкость в средах воды, паров, масел, инертных и некоторых агрессивных газов. Тип уплотнения резьбы отсутствует ("-"); герметичность достигается механическим обжатием и сварным соединением. Рабочее давление зависит от стенки трубки: для систем с трубкой 3/16″ в практике применяют диапазоны до 400–600 бар при соответствующей толщине стенки; типичный эксплуатационный диапазон температур ориентировочно от −50°C до +450°C (ограничивается материалом трубки, сваркой и уплотнителей в системе).

    Экспертные рекомендации по применению

    Подбирайте штуцер под точный наружный диаметр и толщину стенки трубки 3/16″; перед обжатием убедитесь в прямом отрезе и чистоте торца трубки. При приварке 1/8″ порта используйте защитную газовую атмосферу для AISI 316 и минимизируйте термическую деформацию. Затягивание гайки — по моменту производителя или до характерного упора; избегайте перетяжки, которая деформирует обжимные кольца и снижает герметичность. Выполняйте пробное давление и контроль на герметичность после монтажа; при циклических нагрузках учитывайте возможную утомляемость металла и вибрации, применяйте антивибрационные компенсаторы при необходимости.

    Автор

    Ответственный редактор / Инженер

    Директор «Би Энд Би Инжиниринг»
    «Описание товара DCW3-2P-SA - Штуцер прямой под приварку встык обжимной 3/16"-1/8", нерж. на этой странице составлено на основе нашего 10-летнего опыта работы в сфере пневматического оборудования, запорной арматуры и промышленной автоматизации. Если у вас есть вопросы или комментарии — напишите мне лично».

    Характеристики DCW3-2P-SA

    Характеристики фитингов
    Форма фитинга
    штуцер прямой под приварку
    Тип уплотнения резьбового соединения
    • -
    Общие характеристики
    Тип конструкции
    обжим трубки с помощью двух обжимных колец и гайки
    Массо-габаритные и монтажные характеристики
    Подключение
    3/16″ (трубка)-1/8″ (под приварку встык)
    Подключение, канал 1
    • 3/16″ (трубка)
    Подключение, канал 2
    • 1/8″ (под приварку встык)
    Материалы
    Основной материал
    сталь нержавеющая
    Корпус
    сталь нержавеющая AISI 316
    Идентификационные данные
    Производитель
    DKL
    Артикул
    DCW3-2P-SA
    Ед. изм.
    шт.
    Наличие в магазинах
    Магазин и адрес
    Режим работы
    Телефон
    Доступность
    Склад Алматы
    г. Алматы, ул. Казыбаева, 3/3, пом. 11
    Пн.-Пт. 10:00-17:00
    +7(776)990-55-56
    Нет в наличии
    Отзывы

    Отзывы не найдены

    Как только цена на товар снизится, вы сразу об этом узнаете
    Следить за снижением цены

    Цена пока не менялась. Как только она изменится, мы покажем график

    Возможно, вас это заинтересует
     
    • Похожие товары
    • Недавно смотрели