Пневматика и
автоматизация

  • Пн - Пт
  • 9:00 - 18:00
  • Фотография может отличаться от реального товара

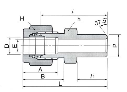
    DCW32-32P-SA - Штуцер прямой под приварку встык обжимной 2"-2", нерж.

    260829
    Форма фитинга: штуцер прямой под приварку • Подключение: 2″ (трубка)-2″ (под приварку встык) • Материал корпуса: сталь нержавеющая AISI 316
    Преимущества
    Бесплатные консультации и техподдержка
    Подбор аналогов из наличия
    Быстрая обработка заявки
    Индивидуальный подход
    Лучшие цены и сроки
    Оплата
    Доставка
    • Все о товаре
    • Описание
    • Характеристики

    Описание DCW32-32P-SA

    Назначение и принцип работы

    Прямой штуцер под приварку встык с обжимным соединением 2″–2″ предназначен для присоединения трубопроводной линии к участку с приварным патрубком в системах технологического и приборного учета, нефте‑ и газопроводах, химических и энергетических установках. Работает по принципу сочетания приварного конца (встык) для обеспечения прочного неразъёмного присоединения и обжимной части с двумя обжимными кольцами и гайкой для герметичного присоединения трубки Ø 2″. Конструкция обеспечивает надежное металлометаллическое уплотнение без использования резьбовых уплотнителей.

    Ключевые особенности конструкции

    Корпус и сварной конец изготовлены из нержавеющей стали AISI 316 (материал обобщённо: сталь нержавеющая), обжимная система — двойная феррула + гайка по типу DK‑Lok. Тип уплотнения резьбы отсутствует (уплотнение обеспечивают феррулы). Применимы рабочие среды: вода, пар, нефть, природный газ, агрессивные жидкие и газообразные среды, совместимые с AISI 316. Ориентировочные эксплуатационные параметры зависят от толщины трубки и режима сварки; типичные диапазоны для подобных изделий — давление до 200–300 бар и температурный интервал примерно от −50 °C до +200 °C (точные значения подтверждайте по паспорту изделия и условиям сварки).

    Экспертные рекомендации по применению

    Перед монтажом сверить соответствие наружного диаметра и толщины стенки трубки 2″, удалить обжимной узел при выполнении сварки приварного конца, выполнить качественную зачистку и провар по технологии с защитой от перегрева феррул. При сборке — обеспечить правильную посадку феррул и рекомендованный момент затяжки; избегать перетяжки, которая приведёт к деформации и течи. Осуществлять контроль герметичности после сборки и после термообработки; при агрессивных средах и давлении сверять классификацию коррозионной стойкости AISI 316 и подтверждать допустимые рабочие параметры по данным производителя.

    Автор

    Ответственный редактор / Инженер

    Директор «Би Энд Би Инжиниринг»
    «Описание товара DCW32-32P-SA - Штуцер прямой под приварку встык обжимной 2"-2", нерж. на этой странице составлено на основе нашего 10-летнего опыта работы в сфере пневматического оборудования, запорной арматуры и промышленной автоматизации. Если у вас есть вопросы или комментарии — напишите мне лично».

    Характеристики DCW32-32P-SA

    Характеристики фитингов
    Форма фитинга
    штуцер прямой под приварку
    Тип уплотнения резьбового соединения
    • -
    Общие характеристики
    Тип конструкции
    обжим трубки с помощью двух обжимных колец и гайки
    Массо-габаритные и монтажные характеристики
    Подключение
    2″ (трубка)-2″ (под приварку встык)
    Подключение, канал 1
    • 2″ (трубка)
    Подключение, канал 2
    • 2″ (под приварку встык)
    Материалы
    Основной материал
    сталь нержавеющая
    Корпус
    сталь нержавеющая AISI 316
    Идентификационные данные
    Производитель
    DKL
    Артикул
    DCW32-32P-SA
    Ед. изм.
    шт.
    Наличие в магазинах
    Магазин и адрес
    Режим работы
    Телефон
    Доступность
    Склад Алматы
    г. Алматы, ул. Казыбаева, 3/3, пом. 11
    Пн.-Пт. 10:00-17:00
    +7(776)990-55-56
    Нет в наличии
    Отзывы

    Отзывы не найдены

    Как только цена на товар снизится, вы сразу об этом узнаете
    Следить за снижением цены

    Цена пока не менялась. Как только она изменится, мы покажем график

    Возможно, вас это заинтересует
     
    • Похожие товары
    • Недавно смотрели