Пневматика и
автоматизация

  • Пн - Пт
  • 9:00 - 18:00
  • Фотография может отличаться от реального товара

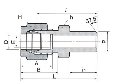
    DCW32M-20P-SA - Штуцер прямой под приварку встык обжимной 32 мм-1 1/4", нерж.

    260847
    Форма фитинга: штуцер прямой под приварку • Подключение: 32 мм (трубка)-1 1/4″ (под приварку встык) • Материал корпуса: сталь нержавеющая AISI 316
    Преимущества
    Бесплатные консультации и техподдержка
    Подбор аналогов из наличия
    Быстрая обработка заявки
    Индивидуальный подход
    Лучшие цены и сроки
    Оплата
    Доставка
    • Все о товаре
    • Описание
    • Характеристики

    Описание DCW32M-20P-SA

    Назначение и принцип работы

    Обжимной штуцер прямой под приварку DCW32M-20P-SA DK-Lok предназначен для перехода между трубкой Ø32 мм и трубопроводом с приливом 1 1/4″ под приварку встык. Решает задачу герметичного присоединения тонкостенных или толстостенных трубопроводов без резьбовых переходов, обеспечивая металлополимерное обжатие трубки двумя обжимными кольцами и гайкой. Принцип работы — механическое деформирование первой и второй обжимной втулки на трубке Ø32 мм, формирование герметичного контакта металл-металл, вторая сторона фиксируется сварочным швом 1 1/4″.

    Ключевые особенности конструкции

    Корпус и рабочие элементы — нержавеющая сталь AISI 316, что обеспечивает коррозионную стойкость для агрессивных сред. Конструкция — двухкольцевой обжим с гайкой, исключающая дополнительные уплотнители в рабочей зоне обжима; при этом тип уплотнения резьбы отсутствует (-). Применимо для жидкостей и газов, в том числе гидравлики, технологических сред и паруобразующих сред. В типичных применениях рабочее давление зависит от толщины стенки трубки и условий монтажа; как ориентир — диапазон от вакуума до сотен бар при корректной сборке. Температурный диапазон определяется AISI 316 и материалами уплотнений системы — от криогенных значений до нескольких сотен °C при отсутствии органических уплотнителей.

    Экспертные рекомендации по применению

    Подбирайте толщину стенки трубки и сварной переход под ожидаемое давление; перед обжатием соблюдайте торцевую зачистку и радиус скоса, удаляйте заусенцы. Сварку 1 1/4″ выполнять до окончательного монтажа обжимной части или защищать обжимные элементы от нагрева. Затяжку производить по моментам производителя DK‑Lok; при отсутствии таблицы — первоначально до упора рукой, затем контролируемое доворотное затягивание (типичное правило для двух втулок). Избегать перекосов и ударных нагрузок, контролировать отсутствие трещин при термообработке; при сомнениях — тест на гидравлическое давление после монтажа.

    Автор

    Ответственный редактор / Инженер

    Директор «Би Энд Би Инжиниринг»
    «Описание товара DCW32M-20P-SA - Штуцер прямой под приварку встык обжимной 32 мм-1 1/4", нерж. на этой странице составлено на основе нашего 10-летнего опыта работы в сфере пневматического оборудования, запорной арматуры и промышленной автоматизации. Если у вас есть вопросы или комментарии — напишите мне лично».

    Характеристики DCW32M-20P-SA

    Характеристики фитингов
    Форма фитинга
    штуцер прямой под приварку
    Тип уплотнения резьбового соединения
    • -
    Общие характеристики
    Тип конструкции
    обжим трубки с помощью двух обжимных колец и гайки
    Массо-габаритные и монтажные характеристики
    Подключение
    32 мм (трубка)-1 1/4″ (под приварку встык)
    Подключение, канал 1
    • 32 мм (трубка)
    Подключение, канал 2
    • 1 1/4″ (под приварку встык)
    Материалы
    Основной материал
    сталь нержавеющая
    Корпус
    сталь нержавеющая AISI 316
    Идентификационные данные
    Производитель
    DKL
    Артикул
    DCW32M-20P-SA
    Ед. изм.
    шт.
    Наличие в магазинах
    Магазин и адрес
    Режим работы
    Телефон
    Доступность
    Склад Алматы
    г. Алматы, ул. Казыбаева, 3/3, пом. 11
    Пн.-Пт. 10:00-17:00
    +7(776)990-55-56
    Нет в наличии
    Отзывы

    Отзывы не найдены

    Как только цена на товар снизится, вы сразу об этом узнаете
    Следить за снижением цены

    Цена пока не менялась. Как только она изменится, мы покажем график

    Возможно, вас это заинтересует
     
    • Похожие товары
    • Недавно смотрели