Пневматика и
автоматизация

  • Пн - Пт
  • 9:00 - 18:00
  • Фотография может отличаться от реального товара

    DCW38M-24P-SA - Штуцер прямой под приварку встык обжимной 38 мм-1 1/2", нерж.

    260848
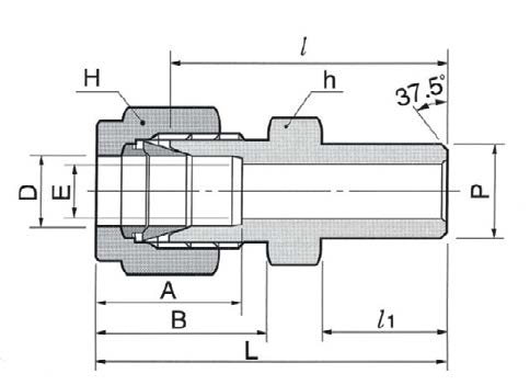
    Форма фитинга: штуцер прямой под приварку • Подключение: 38 мм (трубка)-1 1/2″ (под приварку встык) • Материал корпуса: сталь нержавеющая AISI 316
    Преимущества
    Бесплатные консультации и техподдержка
    Подбор аналогов из наличия
    Быстрая обработка заявки
    Индивидуальный подход
    Лучшие цены и сроки
    Оплата
    Доставка
    • Все о товаре
    • Описание
    • Характеристики

    Описание DCW38M-24P-SA

    Назначение и принцип работы

    Прямой штуцер под приварку с обжимной конструкцией предназначен для организации герметичных трубных переходов между трубкой Ø38 мм и патрубком под приварку 1 1/2″ в системах аналитики, гидравлики и технологических линиях. Работает по принципу двухобжимного соединения: трубка вставляется в розетку, затем два обжимных кольца и гайка создают концентрированное давление на стенку трубы, обеспечивая металлическое уплотнение без использования уплотняющих компаундов. Приварной конец формирует постоянный фланцевый переход к магистрали, выдерживая типовые эксплуатационные задачи по передаче рабочей среды при повышенных давлениях и температурах.

    Ключевые особенности конструкции

    Корпус и элементы изготовления — нержавеющая сталь AISI 316, стойкая к коррозии и совместимая с агрессивными средами. Конструкция: два обжимных кольца и гайка обеспечивают металлическое уплотнение трубки Ø38 мм на одну сторону и торцевое приварное соединение 1 1/2″ на другую. Отсутствие резьбового уплотнения подразумевает металл‑к‑металлу герметичность. При правильном подборе толщины стенки труб рабочее давление типично определяется каталогом производителя и для подобных размеров находится в диапазоне промышленных значений; температурный диапазон эксплуатации ограничен пределами AISI 316 и материалами уплотнений — при металлическом уплотнении возможна работа от криогенных температур до нескольких сотен °C.

    Экспертные рекомендации по применению

    Перед монтажом обеспечить ровную фаску и отсутствие заусенцев на трубке Ø38 мм; трубку вставлять до упора розетки. При приварке подготовить и защитить обжимную сторону от тепла сварки (сборку выполнять после приварки или применять теплоизолирующие вставки). Затягивать гайку динамометрическим ключом в соответствии с рекомендациями производителя, избегать недотяжки и перетяжки, которые приводят к утечкам или деформации кольца. После сборки выполнить гидравлическое или пневматическое опробование на рабочее давление с коэффициентом запаса (рекомендуется ×1.25–1.5) и регулярную проверку на вибрации и коррозию в зонах сварки.

    Автор

    Ответственный редактор / Инженер

    Директор «Би Энд Би Инжиниринг»
    «Описание товара DCW38M-24P-SA - Штуцер прямой под приварку встык обжимной 38 мм-1 1/2", нерж. на этой странице составлено на основе нашего 10-летнего опыта работы в сфере пневматического оборудования, запорной арматуры и промышленной автоматизации. Если у вас есть вопросы или комментарии — напишите мне лично».

    Характеристики DCW38M-24P-SA

    Характеристики фитингов
    Форма фитинга
    штуцер прямой под приварку
    Тип уплотнения резьбового соединения
    • -
    Общие характеристики
    Тип конструкции
    обжим трубки с помощью двух обжимных колец и гайки
    Массо-габаритные и монтажные характеристики
    Подключение
    38 мм (трубка)-1 1/2″ (под приварку встык)
    Подключение, канал 1
    • 38 мм (трубка)
    Подключение, канал 2
    • 1 1/2″ (под приварку встык)
    Материалы
    Основной материал
    сталь нержавеющая
    Корпус
    сталь нержавеющая AISI 316
    Идентификационные данные
    Производитель
    DKL
    Артикул
    DCW38M-24P-SA
    Ед. изм.
    шт.
    Наличие в магазинах
    Магазин и адрес
    Режим работы
    Телефон
    Доступность
    Склад Алматы
    г. Алматы, ул. Казыбаева, 3/3, пом. 11
    Пн.-Пт. 10:00-17:00
    +7(776)990-55-56
    Нет в наличии
    Отзывы

    Отзывы не найдены

    Как только цена на товар снизится, вы сразу об этом узнаете
    Следить за снижением цены

    Цена пока не менялась. Как только она изменится, мы покажем график

    Возможно, вас это заинтересует
     
    • Похожие товары
    • Недавно смотрели