Пневматика и
автоматизация

  • Пн - Пт
  • 9:00 - 18:00
  • Фотография может отличаться от реального товара

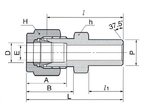
    DCW3M-2P-SA - Штуцер прямой под приварку встык обжимной 3 мм-1/8", нерж.

    260830
    Форма фитинга: штуцер прямой под приварку • Подключение: 3 мм (трубка)-1/8″ (под приварку встык) • Материал корпуса: сталь нержавеющая AISI 316
    Преимущества
    Бесплатные консультации и техподдержка
    Подбор аналогов из наличия
    Быстрая обработка заявки
    Индивидуальный подход
    Лучшие цены и сроки
    Оплата
    Доставка
    • Все о товаре
    • Описание
    • Характеристики

    Описание DCW3M-2P-SA

    Назначение и принцип работы

    Прямой штуцер под приварку с обжимным соединением 3 мм → 1/8″ предназначен для подсоединения инструментальных металлических трубок Ø3 мм к трубопроводам или корпусам с патрубком под приварку 1/8″. Работает по принципу двухконусного обжимного уплотнения: гайка при осевом затяге перемещает два обжимных кольца (ferrule), которые пластически деформируются на трубке и обеспечивают герметичность без дополнительных уплотнений. Применяется в системах измерения, контроля и малых технологических линиях для жидкостей и газов в широком диапазоне давлений.

    Ключевые особенности конструкции

    Корпус и элементы — нержавеющая сталь AISI 316; конструкция — двухфerrульная с гайкой. Подключение каналов: канал 1 — трубка 3 мм; канал 2 — патрубок под приварку 1/8″. Металлическая конструкция обеспечивает высокую коррозионную стойкость и совместимость с агрессивными средами. Типичные рабочие давления для металлоконструкций такого типа достигают до 6000 psi (≈413 бар) в зависимости от диаметра и толщины стенки трубки; рабочие температуры при отсутствии полимерных уплотнений — от криогенных значений до +400…+450 °C, в реальных системах рекомендуется опираться на требования к материалам и сварке.

    Экспертные рекомендации по применению

    Перед установкой проверьте соответствие толщины и монтажной длины трубки Ø3 мм. Приварку патрубка 1/8″ выполняйте до монтажа обжимной части или защищайте обжимные элементы от нагрева; допускается установка после остывания. Устраняйте заусенцы и обеспечьте плотную посадку колец; избегайте перекоса и перетяжки гайки — это может деформировать ferrule и нарушить герметичность. Подбирайте материал AISI 316 для агрессивных сред и соблюдайте рекомендации по давлению/температуре, соответствующие характеристикам трубки и сварного соединения.

    Автор

    Ответственный редактор / Инженер

    Директор «Би Энд Би Инжиниринг»
    «Описание товара DCW3M-2P-SA - Штуцер прямой под приварку встык обжимной 3 мм-1/8", нерж. на этой странице составлено на основе нашего 10-летнего опыта работы в сфере пневматического оборудования, запорной арматуры и промышленной автоматизации. Если у вас есть вопросы или комментарии — напишите мне лично».

    Характеристики DCW3M-2P-SA

    Характеристики фитингов
    Форма фитинга
    штуцер прямой под приварку
    Тип уплотнения резьбового соединения
    • -
    Общие характеристики
    Тип конструкции
    обжим трубки с помощью двух обжимных колец и гайки
    Массо-габаритные и монтажные характеристики
    Подключение
    3 мм (трубка)-1/8″ (под приварку встык)
    Подключение, канал 1
    • 3 мм (трубка)
    Подключение, канал 2
    • 1/8″ (под приварку встык)
    Материалы
    Основной материал
    сталь нержавеющая
    Корпус
    сталь нержавеющая AISI 316
    Идентификационные данные
    Производитель
    DKL
    Артикул
    DCW3M-2P-SA
    Ед. изм.
    шт.
    Наличие в магазинах
    Магазин и адрес
    Режим работы
    Телефон
    Доступность
    Склад Алматы
    г. Алматы, ул. Казыбаева, 3/3, пом. 11
    Пн.-Пт. 10:00-17:00
    +7(776)990-55-56
    Нет в наличии
    Отзывы

    Отзывы не найдены

    Как только цена на товар снизится, вы сразу об этом узнаете
    Следить за снижением цены

    Цена пока не менялась. Как только она изменится, мы покажем график

    Возможно, вас это заинтересует
     
    • Похожие товары
    • Недавно смотрели