Пневматика и
автоматизация

  • Пн - Пт
  • 9:00 - 18:00
  • Фотография может отличаться от реального товара

    DCW4-2P-SA - Штуцер прямой под приварку встык обжимной 1/4"-1/8", нерж.

    260814
    Форма фитинга: штуцер прямой под приварку • Подключение: 1/4″ (трубка)-1/8″ (под приварку встык) • Материал корпуса: сталь нержавеющая AISI 316
    Преимущества
    Бесплатные консультации и техподдержка
    Подбор аналогов из наличия
    Быстрая обработка заявки
    Индивидуальный подход
    Лучшие цены и сроки
    Оплата
    Доставка
    • Все о товаре
    • Описание
    • Характеристики

    Описание DCW4-2P-SA

    Назначение и принцип работы

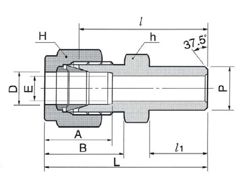
    Обжимной прямой штуцер под приварку DCW4-2P-SA DK-Lok предназначен для перехода от съёмной трубной магистрали 1/4″ (внутреннее/наружное исполнение трубки по стандарту производителя) на жёсткое приварное присоединение Ø1/8″ встык. Решает задачу надежного соединения контрольно-измерительных линий, пробоотборных и вспомогательных контуров в системах КИПиА, технологических и гидравлических схемах. Работа изделия основана на комбинированном принципе: с одной стороны — обжим трубки двумя обжимными кольцами (двухфerrуловая конструкция) и гайкой, обеспечивающими металлометаллическое уплотнение и высокую прочность на отсечку; с другой — цилиндрический торец для сварки встык, дающий герметичное постоянное соединение с трубопроводом.

    Ключевые особенности конструкции

    Корпус и внутренние компоненты — нержавеющая сталь AISI 316, что обеспечивает коррозионную стойкость к воде, парам, нефтепродуктам и большинству химических сред. Конструкция: два обжимных кольца + гайка (тип обжима DK‑Lok) — стабильная металлометаллическая герметизация без эластомерных уплотнений. Подключения: канал 1 — 1/4″ (трубка), канал 2 — 1/8″ (под приварку встык). Тип уплотнения резьбы отсутствует (переход реализован обжимом и сваркой). Типичные рабочие параметры в полевой практике: номинальные давления для обжимных соединений этого класса могут достигать порядка 6000 psi (~414 бар) в зависимости от толщины и материала трубки; температурный диапазон эксплуатации примерно от −196 °C до +400 °C при отсутствии уплотняющих материалов, конкретные пределы — по условиям системы.

    Экспертные рекомендации по применению

    Перед монтажом убедитесь в соответствии OD и толщины трубки требованиям DK‑Lok; удалите заусенцы и обеспечьте прямолинейную посадку. При сборке затягивайте гайку с рекомендованным моментом (следовать технической таблице производителя) и выполняйте контрольный герметичностный тест (гидравлический/пневматический) после сборки и после сварки приварного конца. При сварке применяйте технологию, исключающую перегрев обжимной зоны, используйте подкладной газ при необходимости. Избегайте контакта с сильно пассивирующими агентами при монтаже и комбинированием с более активными металлами без изоляции во избежание гальванической коррозии. В условиях циклических нагрузок рекомендуется регулярная инспекция и замена обжимных колец при признаках износа.

    Автор

    Ответственный редактор / Инженер

    Директор «Би Энд Би Инжиниринг»
    «Описание товара DCW4-2P-SA - Штуцер прямой под приварку встык обжимной 1/4"-1/8", нерж. на этой странице составлено на основе нашего 10-летнего опыта работы в сфере пневматического оборудования, запорной арматуры и промышленной автоматизации. Если у вас есть вопросы или комментарии — напишите мне лично».

    Характеристики DCW4-2P-SA

    Характеристики фитингов
    Форма фитинга
    штуцер прямой под приварку
    Тип уплотнения резьбового соединения
    • -
    Общие характеристики
    Тип конструкции
    обжим трубки с помощью двух обжимных колец и гайки
    Массо-габаритные и монтажные характеристики
    Подключение
    1/4″ (трубка)-1/8″ (под приварку встык)
    Подключение, канал 1
    • 1/4″ (трубка)
    Подключение, канал 2
    • 1/8″ (под приварку встык)
    Материалы
    Основной материал
    сталь нержавеющая
    Корпус
    сталь нержавеющая AISI 316
    Идентификационные данные
    Производитель
    DKL
    Артикул
    DCW4-2P-SA
    Ед. изм.
    шт.
    Наличие в магазинах
    Магазин и адрес
    Режим работы
    Телефон
    Доступность
    Склад Алматы
    г. Алматы, ул. Казыбаева, 3/3, пом. 11
    Пн.-Пт. 10:00-17:00
    +7(776)990-55-56
    Нет в наличии
    Отзывы

    Отзывы не найдены

    Как только цена на товар снизится, вы сразу об этом узнаете
    Следить за снижением цены

    Цена пока не менялась. Как только она изменится, мы покажем график

    Возможно, вас это заинтересует
     
    • Похожие товары
    • Недавно смотрели