Пневматика и
автоматизация

  • Пн - Пт
  • 9:00 - 18:00
  • Фотография может отличаться от реального товара

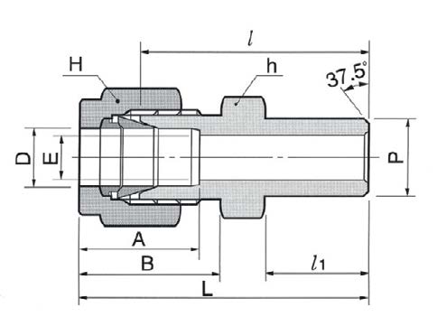
    DCW4-4P-SA - Штуцер прямой под приварку встык обжимной 1/4"-1/4", нерж.

    260815
    Форма фитинга: штуцер прямой под приварку • Подключение: 1/4″ (трубка)-1/4″ (под приварку встык) • Материал корпуса: сталь нержавеющая AISI 316
    Преимущества
    Бесплатные консультации и техподдержка
    Подбор аналогов из наличия
    Быстрая обработка заявки
    Индивидуальный подход
    Лучшие цены и сроки
    Оплата
    Доставка
    • Все о товаре
    • Описание
    • Характеристики

    Описание DCW4-4P-SA

    Назначение и принцип работы

    Прямой штуцер под приварку с обжимным соединением предназначен для соединения трубки 1/4" (≈6,35 мм) с ответной приварной линией 1/4". Решает задачу быстрого присоединения контрольно-измерительных трубопроводов в технологических, энергетических и лабораторных системах, где требуется герметичность без резьбовых уплотнений. Принцип работы — постоянное приварное седло на одной стороне и обжимное соединение с двухколецовой системой (две обжимные втулки + гайка) на другой: втулки центруют и пластически деформируются при затяжке, обеспечивая металлометаллическое уплотнение трубки.

    Ключевые особенности конструкции

    Корпус — нержавеющая сталь AISI 316, общий материал изделия — нержавеющая сталь, устойчив к коррозии в большинстве агрессивных сред. Конструкция — двухобжимная (double ferrule) обеспечивает надежную центровку и сопротивление вибрации. Соединение не использует уплотнение резьбы. Типовые рабочие среды: технические газы, гидравлические и технологические жидкости, нефтехимия. Рабочее давление зависит от толщины стенки трубки; для типичных 1/4" приборных трубок практическое значение достигает до ~413 бар (6000 psi), температурный диапазон ориентировочно −54 °C … +204 °C (зависит от среды).

    Экспертные рекомендации по применению

    Перед монтажом обеспечить торец трубки ровным и без заусенцев, использовать трубку с рекомендованной толщиной стенки; при затяжке гайки руководствоваться инструкцией производителя (обычно 1–1,5 оборота после затяжки рукой) и заменять обжимные кольца при повторной сборке. Приварку выполнять по технологическому регламенту, затем провести пассивацию зоны сварки для восстановления коррозионной стойкости AISI 316. Избегать осевых и радиальных нагрузок на место обжима, контролировать герметичность при давлении пробной окрайки. При сомнениях по давлению/температуре — согласовать с таблицами допустимых нагрузок производителя.

    Автор

    Ответственный редактор / Инженер

    Директор «Би Энд Би Инжиниринг»
    «Описание товара DCW4-4P-SA - Штуцер прямой под приварку встык обжимной 1/4"-1/4", нерж. на этой странице составлено на основе нашего 10-летнего опыта работы в сфере пневматического оборудования, запорной арматуры и промышленной автоматизации. Если у вас есть вопросы или комментарии — напишите мне лично».

    Характеристики DCW4-4P-SA

    Характеристики фитингов
    Форма фитинга
    штуцер прямой под приварку
    Тип уплотнения резьбового соединения
    • -
    Общие характеристики
    Тип конструкции
    обжим трубки с помощью двух обжимных колец и гайки
    Массо-габаритные и монтажные характеристики
    Подключение
    1/4″ (трубка)-1/4″ (под приварку встык)
    Подключение, канал 1
    • 1/4″ (трубка)
    Подключение, канал 2
    • 1/4″ (под приварку встык)
    Материалы
    Основной материал
    сталь нержавеющая
    Корпус
    сталь нержавеющая AISI 316
    Идентификационные данные
    Производитель
    DKL
    Артикул
    DCW4-4P-SA
    Ед. изм.
    шт.
    Наличие в магазинах
    Магазин и адрес
    Режим работы
    Телефон
    Доступность
    Склад Алматы
    г. Алматы, ул. Казыбаева, 3/3, пом. 11
    Пн.-Пт. 10:00-17:00
    +7(776)990-55-56
    Нет в наличии
    Отзывы

    Отзывы не найдены

    Как только цена на товар снизится, вы сразу об этом узнаете
    Следить за снижением цены

    Цена пока не менялась. Как только она изменится, мы покажем график

    Возможно, вас это заинтересует
     
    • Похожие товары
    • Недавно смотрели