Пневматика и
автоматизация

  • Пн - Пт
  • 9:00 - 18:00
  • Фотография может отличаться от реального товара

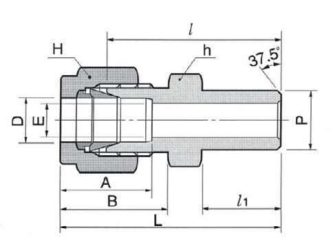
    DCW4M-2P-SA - Штуцер прямой под приварку встык обжимной 4 мм-1/8", нерж.

    260831
    Форма фитинга: штуцер прямой под приварку • Подключение: 4 мм (трубка)-1/8″ (под приварку встык) • Материал корпуса: сталь нержавеющая AISI 316
    Преимущества
    Бесплатные консультации и техподдержка
    Подбор аналогов из наличия
    Быстрая обработка заявки
    Индивидуальный подход
    Лучшие цены и сроки
    Оплата
    Доставка
    • Все о товаре
    • Описание
    • Характеристики

    Описание DCW4M-2P-SA

    Назначение и принцип работы

    Обжимной штуцер прямой под приварку DCW4M-2P-SA предназначен для перепуска технологических сред между трубкой Ø4 мм и магистралью с фланцевым/пайочным присоединением 1/8″ под приварку встык. Изделие решает задачу герметичного соединения тонкостенных трубопроводов в измерительной, технологической и лабораторной арматуре, обеспечивая металло-металлическое уплотнение трубки с помощью двух обжимных колец и гайки. Принцип работы — механическое обжатие двух конических обжимных колец на трубке Ø4 мм при завинчивании гайки и стационарная приварная секция 1/8″ для встраивания в сварную магистраль.

    Ключевые особенности конструкции

    Корпус и рабочие элементы выполнены из нержавеющей стали AISI 316, что обеспечивает коррозионную стойкость и совместимость с агрессивными средами. Конструкция — двухколечный обжим (две обжимные гайки и кольца) без уплотнений из эластомеров (тип уплотнения резьбы отсутствует), что даёт металло-металлическое уплотнение и расширенный температурный диапазон эксплуатации. Подключения: канал 1 — трубка 4 мм; канал 2 — 1/8″ под приварку встык. В типичных применениях при правильном выборе трубки и толщины стенки допускаются эксплуатационные давления порядка сотен бар (зависит от трубы и режима) и широкие температуры эксплуатации; для точных значений опирайтесь на паспорт трубки и спецификации DK‑Lok.

    Экспертные рекомендации по применению

    Перед монтажом подтвердите толщину стенки и номинальное давление трубки Ø4 мм. Трубку вставлять до упора в седло, контролировать метку глубины; совместное использование более одного комплекта обжимных колец запрещено — при разборке заменяйте кольца. При завинчивании гайки сначала выполнить от руки, затем доворот 1–1,25 оборота (или по рекомендациям производителя) для обеспечения надёжного обжима; избегайте перетяжки. Перед приваркой очистите и совместите приварную поверхность, сварка на месте установки проводится до окончательной сборки обжимного соединения. Избегайте ударной и циклической нагрузки в месте перехода «трубка–фитинг» и контролируйте герметичность после монтажа.

    Автор

    Ответственный редактор / Инженер

    Директор «Би Энд Би Инжиниринг»
    «Описание товара DCW4M-2P-SA - Штуцер прямой под приварку встык обжимной 4 мм-1/8", нерж. на этой странице составлено на основе нашего 10-летнего опыта работы в сфере пневматического оборудования, запорной арматуры и промышленной автоматизации. Если у вас есть вопросы или комментарии — напишите мне лично».

    Характеристики DCW4M-2P-SA

    Характеристики фитингов
    Форма фитинга
    штуцер прямой под приварку
    Тип уплотнения резьбового соединения
    • -
    Общие характеристики
    Тип конструкции
    обжим трубки с помощью двух обжимных колец и гайки
    Массо-габаритные и монтажные характеристики
    Подключение
    4 мм (трубка)-1/8″ (под приварку встык)
    Подключение, канал 1
    • 4 мм (трубка)
    Подключение, канал 2
    • 1/8″ (под приварку встык)
    Материалы
    Основной материал
    сталь нержавеющая
    Корпус
    сталь нержавеющая AISI 316
    Идентификационные данные
    Производитель
    DKL
    Артикул
    DCW4M-2P-SA
    Ед. изм.
    шт.
    Наличие в магазинах
    Магазин и адрес
    Режим работы
    Телефон
    Доступность
    Склад Алматы
    г. Алматы, ул. Казыбаева, 3/3, пом. 11
    Пн.-Пт. 10:00-17:00
    +7(776)990-55-56
    Нет в наличии
    Отзывы

    Отзывы не найдены

    Как только цена на товар снизится, вы сразу об этом узнаете
    Следить за снижением цены

    Цена пока не менялась. Как только она изменится, мы покажем график

    Возможно, вас это заинтересует
     
    • Похожие товары
    • Недавно смотрели