Пневматика и
автоматизация

  • Пн - Пт
  • 9:00 - 18:00
  • Фотография может отличаться от реального товара

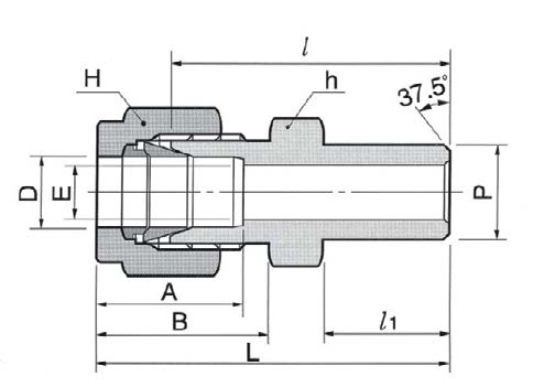
    DCW5-4P-SA - Штуцер прямой под приварку встык обжимной 5/16"-1/4", нерж.

    260817
    Форма фитинга: штуцер прямой под приварку • Подключение: 5/16″ (трубка)-1/4″ (под приварку встык) • Материал корпуса: сталь нержавеющая AISI 316
    Преимущества
    Бесплатные консультации и техподдержка
    Подбор аналогов из наличия
    Быстрая обработка заявки
    Индивидуальный подход
    Лучшие цены и сроки
    Оплата
    Доставка
    • Все о товаре
    • Описание
    • Характеристики

    Описание DCW5-4P-SA

    Назначение и принцип работы

    Обжимной штуцер под приварку предназначен для подключения измерительных и технологических линий: соединяет трубку 5/16" (≈7,94 мм) с приварной трубной или патрубковой частью 1/4" (≈6,35 мм) с помощью сварного хвостовика. Работает по принципу обжимного уплотнения двумя обжимными кольцами (фазенда/фронт-феррула) и гайкой — при затяжке кольца деформируются, фиксируя трубку и создавая металлическое уплотнение; резьвовое уплотнение не применяется. Применяется в системах анализа, КИПиА и малоточных высоконапорных трассах, где требуется уплотнение при давлениях до ≈413 bar (6000 psi) в зависимости от толщины стенки трубки и условий сварки; температурный диапазон металлического соединения приблизительно от −196 °C до +400 °C.

    Ключевые особенности конструкции

    Корпус и элементы выполнены из нержавеющей стали AISI 316, обеспечивающей коррозионную стойкость в агрессивных средах и совместимость с индустриальными средами (вода, масла, инертные и технологические газы). Конструкция — обжим трубки с двумя обжимными кольцами и гайкой; второй порт — сварной хвостовик 1/4" под приварку встык. Отсутствие уплотнений из эластомеров повышает тепловую и химическую стойкость. Рабочая среда: технологические и аналитические жидкости и газы; допустимые параметры зависят от толщины стенки трубки и условия сварки, для точного расчёта следует опираться на таблицу нагрузок производителя.

    Экспертные рекомендации по применению

    Резать и торцевать трубку строго перпендикулярно, удалить заусенцы; перед сваркой контролировать соосность хвостовика и обеспечивать продувку аргоном при газовой среде. Затягивать гайку согласно рекомендованному моменту производителя — недотяжка приводит к протечке, перетяжка деформирует феррулы и ослабляет посадку. Для высоких давлений выбирайте трубку с рекомендованной заводом-изготовителем толщиной стенки; после монтажа проводить гидравлические или гелиевые тесты на герметичность. При серийной установке используйте ключ с моментом или динамометрический ключ и документируйте контрольные значения.

    Автор

    Ответственный редактор / Инженер

    Директор «Би Энд Би Инжиниринг»
    «Описание товара DCW5-4P-SA - Штуцер прямой под приварку встык обжимной 5/16"-1/4", нерж. на этой странице составлено на основе нашего 10-летнего опыта работы в сфере пневматического оборудования, запорной арматуры и промышленной автоматизации. Если у вас есть вопросы или комментарии — напишите мне лично».

    Характеристики DCW5-4P-SA

    Характеристики фитингов
    Форма фитинга
    штуцер прямой под приварку
    Тип уплотнения резьбового соединения
    • -
    Общие характеристики
    Тип конструкции
    обжим трубки с помощью двух обжимных колец и гайки
    Массо-габаритные и монтажные характеристики
    Подключение
    5/16″ (трубка)-1/4″ (под приварку встык)
    Подключение, канал 1
    • 5/16″ (трубка)
    Подключение, канал 2
    • 1/4″ (под приварку встык)
    Материалы
    Основной материал
    сталь нержавеющая
    Корпус
    сталь нержавеющая AISI 316
    Идентификационные данные
    Производитель
    DKL
    Артикул
    DCW5-4P-SA
    Ед. изм.
    шт.
    Наличие в магазинах
    Магазин и адрес
    Режим работы
    Телефон
    Доступность
    Склад Алматы
    г. Алматы, ул. Казыбаева, 3/3, пом. 11
    Пн.-Пт. 10:00-17:00
    +7(776)990-55-56
    Нет в наличии
    Отзывы

    Отзывы не найдены

    Как только цена на товар снизится, вы сразу об этом узнаете
    Следить за снижением цены

    Цена пока не менялась. Как только она изменится, мы покажем график

    Возможно, вас это заинтересует
     
    • Похожие товары
    • Недавно смотрели