Пневматика и
автоматизация

  • Пн - Пт
  • 9:00 - 18:00
  • Фотография может отличаться от реального товара

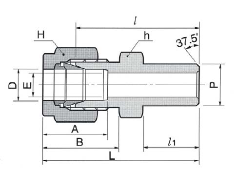
    DCW6-4P-SA - Штуцер прямой под приварку встык обжимной 3/8"-1/4", нерж.

    260818
    Форма фитинга: штуцер прямой под приварку • Подключение: 3/8″ (трубка)-1/4″ (под приварку встык) • Материал корпуса: сталь нержавеющая AISI 316
    Преимущества
    Бесплатные консультации и техподдержка
    Подбор аналогов из наличия
    Быстрая обработка заявки
    Индивидуальный подход
    Лучшие цены и сроки
    Оплата
    Доставка
    • Все о товаре
    • Описание
    • Характеристики

    Описание DCW6-4P-SA

    Назначение и принцип работы

    Обжимной штуцер прямой под приварку DK-Lok предназначен для перехода от приварного ответного патрубка к инструментальной трубке Ø3/8″ (9,525 мм). Используется в трубопроводах измерительных и технологических линий для отбора проб, подключения манометров, датчиков и линий высокого давления. Принцип работы — двухконусная (двух обжимных колец + гайка) компрессионная система: при затяжке гайки переднее и заднее обжимные кольца деформируются по поверхности трубки, обеспечивая металлическое уплотнение и механическую фиксацию; резьловое уплотнение не применяется.

    Ключевые особенности конструкции

    Корпус и обжимные элементы — нержавеющая сталь AISI 316, что гарантирует коррозионную стойкость в агрессивных средах. Соединение: канал 1 — трубка 3/8″, канал 2 — приварной под приварку встык 1/4″. Двухконусная схема обеспечивает надежное металлометаллическое уплотнение, пригодное для рабочих давлений характерных для инструментальных линий (практически до ≈414 bar / 6000 psi для типичных размеров трубки) и широкой температурной области при металлическом уплотнении (приближенно от −196 °C до +450 °C в зависимости от среды и уплотнений).

    Экспертные рекомендации по применению

    Перед монтажом приварите и остудите приварной конец 1/4″ — сварка выполняется на ответном патрубке, сборку производить после полного остывания. Подготовьте трубку 3/8″: ровная торцевая поверхность, удаление заусенцев и контроль посадки до упора в корпус. Затяжка: сначала завернуть гайку вручную до упора, затем ключом 1–1,25 оборота (см. инструкцию производителя). Избегать повторных чрезмерных затяжек и изгибных нагрузок в зоне обжима; после монтажа выполнить пробное давление и контроль на герметичность. Для агрессивных сред проверять совместимость AISI 316 и при необходимости применять защитные покрытия или альтернативные материалы.

    Автор

    Ответственный редактор / Инженер

    Директор «Би Энд Би Инжиниринг»
    «Описание товара DCW6-4P-SA - Штуцер прямой под приварку встык обжимной 3/8"-1/4", нерж. на этой странице составлено на основе нашего 10-летнего опыта работы в сфере пневматического оборудования, запорной арматуры и промышленной автоматизации. Если у вас есть вопросы или комментарии — напишите мне лично».

    Характеристики DCW6-4P-SA

    Характеристики фитингов
    Форма фитинга
    штуцер прямой под приварку
    Тип уплотнения резьбового соединения
    • -
    Общие характеристики
    Тип конструкции
    обжим трубки с помощью двух обжимных колец и гайки
    Массо-габаритные и монтажные характеристики
    Подключение
    3/8″ (трубка)-1/4″ (под приварку встык)
    Подключение, канал 1
    • 3/8″ (трубка)
    Подключение, канал 2
    • 1/4″ (под приварку встык)
    Материалы
    Основной материал
    сталь нержавеющая
    Корпус
    сталь нержавеющая AISI 316
    Идентификационные данные
    Производитель
    DKL
    Артикул
    DCW6-4P-SA
    Ед. изм.
    шт.
    Наличие в магазинах
    Магазин и адрес
    Режим работы
    Телефон
    Доступность
    Склад Алматы
    г. Алматы, ул. Казыбаева, 3/3, пом. 11
    Пн.-Пт. 10:00-17:00
    +7(776)990-55-56
    Нет в наличии
    Отзывы

    Отзывы не найдены

    Как только цена на товар снизится, вы сразу об этом узнаете
    Следить за снижением цены

    Цена пока не менялась. Как только она изменится, мы покажем график

    Возможно, вас это заинтересует
     
    • Похожие товары
    • Недавно смотрели