Пневматика и
автоматизация

  • Пн - Пт
  • 9:00 - 18:00
  • Фотография может отличаться от реального товара

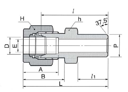
    DCW6-6P-SA - Штуцер прямой под приварку встык обжимной 3/8"-3/8", нерж.

    260819
    Форма фитинга: штуцер прямой под приварку • Подключение: 3/8″ (трубка)-3/8″ (под приварку встык) • Материал корпуса: сталь нержавеющая AISI 316
    Преимущества
    Бесплатные консультации и техподдержка
    Подбор аналогов из наличия
    Быстрая обработка заявки
    Индивидуальный подход
    Лучшие цены и сроки
    Оплата
    Доставка
    • Все о товаре
    • Описание
    • Характеристики

    Описание DCW6-6P-SA

    Назначение и принцип работы

    Прямой штуцер под приварку DK-Lok DCW6-6P-SA предназначен для соединения 3/8″ инструментальной(ной) трубки с ответной 3/8″ под приварку встык магистралью. Односторонний приварной хвостовик обеспечивает жёсткое неразъёмное присоединение к трубопроводу, другая сторона — обжимной фитинг с двумя обжимными кольцами и гайкой для герметичного сварного/медного соединения с тонкостенной трубкой Ø3/8″. Герметизация достигается за счёт последовательного врезания двух конических колец в стенку трубки, что обеспечивает долговременную утечко- и виброустойчивость в системах КИПиА и гидросистемах.

    Ключевые особенности конструкции

    Корпус и обжимные элементы из нержавеющей стали AISI 316 обеспечивают повышенную коррозионную стойкость в агрессивных средах. Конструкция — двухкольцевая (two-ferrule) DK-Lok, без упругих уплотнений, что расширяет рабочий температурный диапазон примерно от −60°C до +400°C и снижает риск старения уплотнений. Рекомендуемое рабочее давление для типичных исполнений с трубкой Ø3/8″ до 420 bar (≈6000 psi) в зависимости от толщины стенки трубки и условий монтажа; при испытаниях применяют гидравлическое опробование 1,5× рабочего давления. Подходит для газов, сжатого воздуха, гидравлических масел, паровых и химически агрессивных сред.

    Экспертные рекомендации по применению

    При подборе учитывайте толщину стенки трубки и требуемое рабочее давление. Перед сборкой обрежьте трубку ровно, обработайте фаску и удалите задирки; установите обжимные кольца и гайку до развальцовки, затем затяните сначала вручную, затем ключом на 1–1,5 оборота после моментального упора (следуя инструкции производителя). Приварной конец выполнить по стандартам сварки встык (ASME/ISO), контролировать прогрев и продувку для предотвращения окисления и сенситизации нержавейки; при необходимости применять пассивацию после сварки. Не допускайте многократного повторного использования обжимных колец; проверяйте систему на герметичность после монтажа и при циклических нагрузках.

    Автор

    Ответственный редактор / Инженер

    Директор «Би Энд Би Инжиниринг»
    «Описание товара DCW6-6P-SA - Штуцер прямой под приварку встык обжимной 3/8"-3/8", нерж. на этой странице составлено на основе нашего 10-летнего опыта работы в сфере пневматического оборудования, запорной арматуры и промышленной автоматизации. Если у вас есть вопросы или комментарии — напишите мне лично».

    Характеристики DCW6-6P-SA

    Характеристики фитингов
    Форма фитинга
    штуцер прямой под приварку
    Тип уплотнения резьбового соединения
    • -
    Общие характеристики
    Тип конструкции
    обжим трубки с помощью двух обжимных колец и гайки
    Массо-габаритные и монтажные характеристики
    Подключение
    3/8″ (трубка)-3/8″ (под приварку встык)
    Подключение, канал 1
    • 3/8″ (трубка)
    Подключение, канал 2
    • 3/8″ (под приварку встык)
    Материалы
    Основной материал
    сталь нержавеющая
    Корпус
    сталь нержавеющая AISI 316
    Идентификационные данные
    Производитель
    DKL
    Артикул
    DCW6-6P-SA
    Ед. изм.
    шт.
    Наличие в магазинах
    Магазин и адрес
    Режим работы
    Телефон
    Доступность
    Склад Алматы
    г. Алматы, ул. Казыбаева, 3/3, пом. 11
    Пн.-Пт. 10:00-17:00
    +7(776)990-55-56
    Нет в наличии
    Отзывы

    Отзывы не найдены

    Как только цена на товар снизится, вы сразу об этом узнаете
    Следить за снижением цены

    Цена пока не менялась. Как только она изменится, мы покажем график

    Возможно, вас это заинтересует
     
    • Похожие товары
    • Недавно смотрели