Пневматика и
автоматизация

  • Пн - Пт
  • 9:00 - 18:00
  • Фотография может отличаться от реального товара

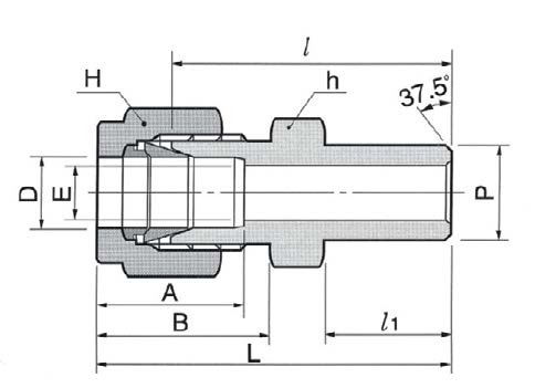
    DCW6-8P-SA - Штуцер прямой под приварку встык обжимной 3/8"-1/2", нерж.

    260820
    Форма фитинга: штуцер прямой под приварку • Подключение: 3/8″ (трубка)-1/2″ (под приварку встык) • Материал корпуса: сталь нержавеющая AISI 316
    Преимущества
    Бесплатные консультации и техподдержка
    Подбор аналогов из наличия
    Быстрая обработка заявки
    Индивидуальный подход
    Лучшие цены и сроки
    Оплата
    Доставка
    • Все о товаре
    • Описание
    • Характеристики

    Описание DCW6-8P-SA

    Назначение и принцип работы

    Прямой штуцер под приварку с обжимным соединением предназначен для присоединения трубки Ø 3/8″ к трубопроводу с фланцевым/стыковым окончанием 1/2″ методом приварки встык. Конструкция решает задачи герметичного подвода рабочей среды (газы, жидкости, гидравлика, технологические пары) в приборные и технологические линии. Уплотнение достигается за счёт обжима трубки двумя обжимными кольцами и гайкой; резьбовое уплотнение отсутствует, что исключает необходимость использования герметиков и снижает риск течи при вибрации.

    Ключевые особенности конструкции

    Корпус и стойкие к коррозии элементы выполнены из нержавеющей стали AISI 316. Конструкция: гайка + два обжимных кольца (ferrules) для надёжного металлоконтактного уплотнения на трубке 3/8″; второй конец — под приварку встык 1/2″. Применима в средах агрессивных и нейтральных химикатов, гидравлике и газах. При надлежащей установке рабочее давление для типоразмеров трубных обжимных фитингов серии может достигать сотен бар (ориентировочно до ~400–420 bar в зависимости от толщины стенки трубки). Температурный диапазон эксплуатации для AISI 316 ориентировочно от −196 °C до +400 °C, конкретные пределы зависят от среды и прокладок.

    Экспертные рекомендации по применению

    Перед монтажом обеспечить прямой торец трубки, снятие фаски и удаление заусенцев; установить две обжимные кольца и затянуть гайку по рекомендациям изготовителя (следовать таблице моментов/числу оборотов). Сварной торец 1/2″ приваривать с контролем температурной зоны и продувкой шва. Избегать перегрева обжимной области при сварке — при необходимости демонтировать обжимную часть или использовать термозащиту. После монтажа выполнить гидравлическое/газовое опрессовочное испытание и контроль на течь. Для агрессивных сред проверить химическую совместимость AISI 316 и толщину стенки трубки.

    Автор

    Ответственный редактор / Инженер

    Директор «Би Энд Би Инжиниринг»
    «Описание товара DCW6-8P-SA - Штуцер прямой под приварку встык обжимной 3/8"-1/2", нерж. на этой странице составлено на основе нашего 10-летнего опыта работы в сфере пневматического оборудования, запорной арматуры и промышленной автоматизации. Если у вас есть вопросы или комментарии — напишите мне лично».

    Характеристики DCW6-8P-SA

    Характеристики фитингов
    Форма фитинга
    штуцер прямой под приварку
    Тип уплотнения резьбового соединения
    • -
    Общие характеристики
    Тип конструкции
    обжим трубки с помощью двух обжимных колец и гайки
    Массо-габаритные и монтажные характеристики
    Подключение
    3/8″ (трубка)-1/2″ (под приварку встык)
    Подключение, канал 1
    • 3/8″ (трубка)
    Подключение, канал 2
    • 1/2″ (под приварку встык)
    Материалы
    Основной материал
    сталь нержавеющая
    Корпус
    сталь нержавеющая AISI 316
    Идентификационные данные
    Производитель
    DKL
    Артикул
    DCW6-8P-SA
    Ед. изм.
    шт.
    Наличие в магазинах
    Магазин и адрес
    Режим работы
    Телефон
    Доступность
    Склад Алматы
    г. Алматы, ул. Казыбаева, 3/3, пом. 11
    Пн.-Пт. 10:00-17:00
    +7(776)990-55-56
    Нет в наличии
    Отзывы

    Отзывы не найдены

    Как только цена на товар снизится, вы сразу об этом узнаете
    Следить за снижением цены

    Цена пока не менялась. Как только она изменится, мы покажем график

    Возможно, вас это заинтересует
     
    • Похожие товары
    • Недавно смотрели