Пневматика и
автоматизация

  • Пн - Пт
  • 9:00 - 18:00
  • Фотография может отличаться от реального товара

    DCW6M-2P-SA - Штуцер прямой под приварку встык обжимной 6 мм-1/8", нерж.

    260832
    Форма фитинга: штуцер прямой под приварку • Подключение: 6 мм (трубка)-1/8″ (под приварку встык) • Материал корпуса: сталь нержавеющая AISI 316
    Преимущества
    Бесплатные консультации и техподдержка
    Подбор аналогов из наличия
    Быстрая обработка заявки
    Индивидуальный подход
    Лучшие цены и сроки
    Оплата
    Доставка
    • Все о товаре
    • Описание
    • Характеристики

    Описание DCW6M-2P-SA

    Назначение и принцип работы

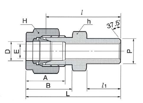
    Обжимной штуцер прямой под приварку DCW6M-2P-SA DK-Lok предназначен для подключения 6 мм инструментальной трубки к трубопроводу или трубному узлу с фланцевым/компактным присоединением 1/8″ методом встык. Конструкция решает задачу герметичного перехода между съемной трубкой и сварным контуром: один канал — обжимная опрессовка трубки 6 мм двумя обжимными кольцами и гайкой, второй — постоянное соединение методом приварки 1/8″. Уплотнение на стороне трубки осуществляется за счёт правильной посадки первой и второй обжимной втулок, резьвого уплотнения в изделии отсутствует.

    Ключевые особенности конструкции

    Корпус и основные элементы выполнены из нержавеющей стали AISI 316, что обеспечивает коррозионную стойкость в агрессивных средах (инструментальные газы, вода, пар, гидравлические жидкости). Обжимная конструкция — две обжимные втулки и гайка — гарантирует повторяемое уплотнение на трубке Ø6 мм. Вторая сторона — сварной патрубок 1/8″ для приварки встык. Типичные эксплуатационные диапазоны для таких изделий: ориентировочно давление до ≈400 bar (в зависимости от размера и условий монтажа) и рабочие температуры примерно от −196 °C до +400 °C (зависит от среды и уплотнений).

    Экспертные рекомендации по применению

    Перед установкой выполнить приварку стороны 1/8″ к магистрали, затем собирать обжимную сторону; при сварке избегать перегрева зоны, прилегающей к обжимному соединению. Трубку Ø6 мм резать перпендикулярно, удалять задиры, проверить посадку втулок. Не допускать перетяжки гайки — следовать моментам/шагам затяжки производителя и использовать накидной ключ для контроля; плохая центровка или перетяг приводит к течи или деформации трубки. Обязательно выполнить гидравлический или газовый тест на герметичность после монтажа.

    Автор

    Ответственный редактор / Инженер

    Директор «Би Энд Би Инжиниринг»
    «Описание товара DCW6M-2P-SA - Штуцер прямой под приварку встык обжимной 6 мм-1/8", нерж. на этой странице составлено на основе нашего 10-летнего опыта работы в сфере пневматического оборудования, запорной арматуры и промышленной автоматизации. Если у вас есть вопросы или комментарии — напишите мне лично».

    Характеристики DCW6M-2P-SA

    Характеристики фитингов
    Форма фитинга
    штуцер прямой под приварку
    Тип уплотнения резьбового соединения
    • -
    Общие характеристики
    Тип конструкции
    обжим трубки с помощью двух обжимных колец и гайки
    Массо-габаритные и монтажные характеристики
    Подключение
    6 мм (трубка)-1/8″ (под приварку встык)
    Подключение, канал 1
    • 6 мм (трубка)
    Подключение, канал 2
    • 1/8″ (под приварку встык)
    Материалы
    Основной материал
    сталь нержавеющая
    Корпус
    сталь нержавеющая AISI 316
    Идентификационные данные
    Производитель
    DKL
    Артикул
    DCW6M-2P-SA
    Ед. изм.
    шт.
    Наличие в магазинах
    Магазин и адрес
    Режим работы
    Телефон
    Доступность
    Склад Алматы
    г. Алматы, ул. Казыбаева, 3/3, пом. 11
    Пн.-Пт. 10:00-17:00
    +7(776)990-55-56
    Нет в наличии
    Отзывы

    Отзывы не найдены

    Как только цена на товар снизится, вы сразу об этом узнаете
    Следить за снижением цены

    Цена пока не менялась. Как только она изменится, мы покажем график

    Возможно, вас это заинтересует
     
    • Похожие товары
    • Недавно смотрели