Пневматика и
автоматизация

  • Пн - Пт
  • 9:00 - 18:00
  • Фотография может отличаться от реального товара

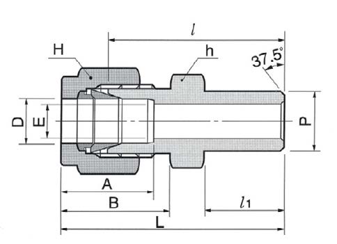
    DCW6M-4P-SA - Штуцер прямой под приварку встык обжимной 6 мм-1/4", нерж.

    260833
    Форма фитинга: штуцер прямой под приварку • Подключение: 6 мм (трубка)-1/4″ (под приварку встык) • Материал корпуса: сталь нержавеющая AISI 316
    Преимущества
    Бесплатные консультации и техподдержка
    Подбор аналогов из наличия
    Быстрая обработка заявки
    Индивидуальный подход
    Лучшие цены и сроки
    Оплата
    Доставка
    • Все о товаре
    • Описание
    • Характеристики

    Описание DCW6M-4P-SA

    Назначение и принцип работы

    Штуцер прямой под приварку с обжимным соединением предназначен для соединения 6 мм технологической трубки с трубопроводом или оборудованием через приварной патрубок 1/4″. Решает задачи герметичной подводки сигналов и сред в системах КИПиА, технологических линиях и гидравлике: подача газа, воды, нефте- и химпродуктов, с возможностью работы в коррозионной среде. Принцип работы — жесткая приварная посадочная поверхность на одном канале (1/4″ под приварку встык) и обжим двухколецой (две обжимные гильзы + гайка) металлической герметизации на трубке Ø6 мм, обеспечивающей надежное металл-металл уплотнение без дополнительных уплотнительных материалов.

    Ключевые особенности конструкции

    Корпус и вспомогательные элементы выполнены из нержавеющей стали AISI 316, что обеспечивает стойкость к коррозии и совместимость с агрессивными средами. Конструкция — двухкольцевой обжим (две обжимные гильзы и гайка) обеспечивает повторяемое соединение и высокую уплотняющую способность при рабочих давлениях типично до ~413 бар (6000 psi) для данного типоразмера и температурном диапазоне от криогенных значений (≈−196 °C) до сотен градусов при термостойкости стали. Резьлового уплотнения нет: герметичность достигается сварным швом на одном конце и механическим обжимом на другом. Применим в системах газов, сжиженных и жидких сред, где требуется малый внутренний объём и высокая уплотняющая надежность.

    Экспертные рекомендации по применению

    Рекомендуется сначала приварить 1/4″ патрубок к корпусу/трубопроводу с контролем качества шва и последующей термообработкой при необходимости, затем выполнять обжим соединения трубки Ø6 мм. Трубку резать перпендикулярно, удалить заусенцы и вставлять до упора; гайку затягивать после прилегания гильз — обычно 1,0–1,5 оборота после предварительного прижима рукой (см. паспорт производителя). Не использовать повторно деформированные гильзы; при ремонте менять комплект уплотнений. После монтажа провести пневматическую/гидравлическую пробу и контроль на утечки (гелий/азот). Избегать нагрева зоны обжима при сварке и превышения рекомендованных моментов затяжки, контролировать химический состав среды и совместимость AISI 316 с рабочей средой.

    Автор

    Ответственный редактор / Инженер

    Директор «Би Энд Би Инжиниринг»
    «Описание товара DCW6M-4P-SA - Штуцер прямой под приварку встык обжимной 6 мм-1/4", нерж. на этой странице составлено на основе нашего 10-летнего опыта работы в сфере пневматического оборудования, запорной арматуры и промышленной автоматизации. Если у вас есть вопросы или комментарии — напишите мне лично».

    Характеристики DCW6M-4P-SA

    Характеристики фитингов
    Форма фитинга
    штуцер прямой под приварку
    Тип уплотнения резьбового соединения
    • -
    Общие характеристики
    Тип конструкции
    обжим трубки с помощью двух обжимных колец и гайки
    Массо-габаритные и монтажные характеристики
    Подключение
    6 мм (трубка)-1/4″ (под приварку встык)
    Подключение, канал 1
    • 6 мм (трубка)
    Подключение, канал 2
    • 1/4″ (под приварку встык)
    Материалы
    Основной материал
    сталь нержавеющая
    Корпус
    сталь нержавеющая AISI 316
    Идентификационные данные
    Производитель
    DKL
    Артикул
    DCW6M-4P-SA
    Ед. изм.
    шт.
    Наличие в магазинах
    Магазин и адрес
    Режим работы
    Телефон
    Доступность
    Склад Алматы
    г. Алматы, ул. Казыбаева, 3/3, пом. 11
    Пн.-Пт. 10:00-17:00
    +7(776)990-55-56
    Нет в наличии
    Отзывы

    Отзывы не найдены

    Как только цена на товар снизится, вы сразу об этом узнаете
    Следить за снижением цены

    Цена пока не менялась. Как только она изменится, мы покажем график

    Возможно, вас это заинтересует
     
    • Похожие товары
    • Недавно смотрели