Пневматика и
автоматизация

  • Пн - Пт
  • 9:00 - 18:00
  • Фотография может отличаться от реального товара

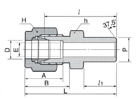
    DCW8-12P-SA - Штуцер прямой под приварку встык обжимной 1/2"-3/4", нерж.

    260823
    Форма фитинга: штуцер прямой под приварку • Подключение: 1/2″ (трубка)-3/4″ (под приварку встык) • Материал корпуса: сталь нержавеющая AISI 316
    Преимущества
    Бесплатные консультации и техподдержка
    Подбор аналогов из наличия
    Быстрая обработка заявки
    Индивидуальный подход
    Лучшие цены и сроки
    Оплата
    Доставка
    • Все о товаре
    • Описание
    • Характеристики

    Описание DCW8-12P-SA

    Назначение и принцип работы

    Штуцер прямой под приварку с обжимным соединением служит для перехода от трубной линии к трубке приборного или технологического контура: подключение 1/2″ (трубка) – 3/4″ (под приварку встык). Конструкция решает задачи герметичного присоединения тонкостенных трубок к магистралям высокого давления без применения уплотнительных материалов в обжиме: трубка фиксируется двумя обжимными кольцами и гайкой, образуя металлическое уплотнение. Используется в системах аналитики, гидравлики, тепло- и паровых трассах, а также в агрессивных средах благодаря корпусу из стали AISI 316.

    Ключевые особенности конструкции

    Корпус и обжимные кольца — нержавеющая сталь AISI 316, обеспечивающая коррозионную стойкость и совместимость с водой, газами, масляными и химическими средами. Двухкольцевая система повышает стойкость к вибрациям и циклическим нагрузкам по сравнению с однофуторными решениями. Подключения: канал 1 — 1/2″ (трубка), канал 2 — 3/4″ (под приварку встык). Тип уплотнения резьбы отсутствует (металлический обжим). Типичные эксплуатационные параметры для подобного исполнения: рабочее давление до ≈40 MPa (≈400 бар) в зависимости от диаметра и условий, температурный диапазон ориентировочно −60…+260 °C при отсутствии уплотняющих вставок.

    Экспертные рекомендации по применению

    При подборе учитывайте материал AISI 316 для коррозионно-активных сред и требуемую толщину стенки трубки 1/2″. Перед сваркой зафиксируйте правильную посадку под приварку и исключите нагрев зоны обжима; если приварка выполняется после монтажа обжима — полностью снимайте обжимные элементы. При сборке обжимной стороны завинчивайте гайку до упора от руки, затем дополнительно поворачивайте на рекомендованные производителем 1–1,25 оборота; при сомнении используйте динамометрический ключ по таблице момента для 1/2″. Избегайте применения паст и уплотнителей на обжимных поверхностях. Проверяйте герметичность пневмо/гидроиспытанием при рабочем давлении и контролируйте корпус на коррозию при высоких температурах.

    Автор

    Ответственный редактор / Инженер

    Директор «Би Энд Би Инжиниринг»
    «Описание товара DCW8-12P-SA - Штуцер прямой под приварку встык обжимной 1/2"-3/4", нерж. на этой странице составлено на основе нашего 10-летнего опыта работы в сфере пневматического оборудования, запорной арматуры и промышленной автоматизации. Если у вас есть вопросы или комментарии — напишите мне лично».

    Характеристики DCW8-12P-SA

    Характеристики фитингов
    Форма фитинга
    штуцер прямой под приварку
    Тип уплотнения резьбового соединения
    • -
    Общие характеристики
    Тип конструкции
    обжим трубки с помощью двух обжимных колец и гайки
    Массо-габаритные и монтажные характеристики
    Подключение
    1/2″ (трубка)-3/4″ (под приварку встык)
    Подключение, канал 1
    • 1/2″ (трубка)
    Подключение, канал 2
    • 3/4″ (под приварку встык)
    Материалы
    Основной материал
    сталь нержавеющая
    Корпус
    сталь нержавеющая AISI 316
    Идентификационные данные
    Производитель
    DKL
    Артикул
    DCW8-12P-SA
    Ед. изм.
    шт.
    Наличие в магазинах
    Магазин и адрес
    Режим работы
    Телефон
    Доступность
    Склад Алматы
    г. Алматы, ул. Казыбаева, 3/3, пом. 11
    Пн.-Пт. 10:00-17:00
    +7(776)990-55-56
    Нет в наличии
    Отзывы

    Отзывы не найдены

    Как только цена на товар снизится, вы сразу об этом узнаете
    Следить за снижением цены

    Цена пока не менялась. Как только она изменится, мы покажем график

    Возможно, вас это заинтересует
     
    • Похожие товары
    • Недавно смотрели