Пневматика и
автоматизация

  • Пн - Пт
  • 9:00 - 18:00
  • Фотография может отличаться от реального товара

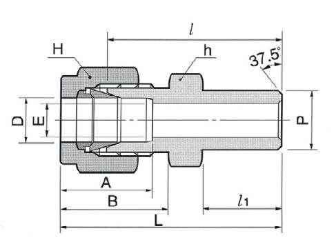
    DCW8-6P-SA - Штуцер прямой под приварку встык обжимной 1/2"-3/8", нерж.

    260821
    Форма фитинга: штуцер прямой под приварку • Подключение: 1/2″ (трубка)-3/8″ (под приварку встык) • Материал корпуса: сталь нержавеющая AISI 316
    Преимущества
    Бесплатные консультации и техподдержка
    Подбор аналогов из наличия
    Быстрая обработка заявки
    Индивидуальный подход
    Лучшие цены и сроки
    Оплата
    Доставка
    • Все о товаре
    • Описание
    • Характеристики

    Описание DCW8-6P-SA

    Назначение и принцип работы

    Прямой штуцер под приварку встык с обжимным соединением предназначен для подключения 1/2″ трубки к трубопроводу с фланговой/трубной приваркой 3/8″. Устройство решает задачу герметичного присоединения приборной трубки к технологическому контуру без применения уплотняющих материалов резьбы: герметизация достигается механическим зажатием трубки двумя обжимными кольцами и гайкой. Типичное применение — системы КИПиА, гидравлические/пневматические линии, измерительные и лабораторные магистрали, где требуется коррозионная стойкость и давление в пределах эксплуатационных норм для AISI 316.

    Ключевые особенности конструкции

    Корпус и комплект обжимных элементов — нержавеющая сталь AISI 316 (материал обобщённо: сталь нержавеющая). Конструкция: два обжимных кольца + гайка; одна сторона — под трубку 1/2″, вторая — под приварку встык 3/8″. В резьбе уплотнение отсутствует (тип уплотнения резьбы: -), все соединения по металлу. Применимо к рабочим средам: вода, масла, нейтральные и многие агрессивные среды при температуре от ≈−196°С до +450°С (в зависимости от среды) и при рабочих давлениях, типично до 250–400 bar в зависимости от толщины стенки трубки и монтажных условий; точные лимиты — по таблицам производителя и стандартам трубопровода.

    Экспертные рекомендации по применению

    Подбирайте фитинг по внешнему диаметру и толщине стенки трубки; счищайте фаску и удаляйте задиры, обеспечьте полную глубину посадки трубки. Приварку 3/8″ выполнять до окончательной установки обжимной части или защищать обжимную зону от нагрева — сварка и термообработка могут нарушить посадку кольцев. Заворачивайте гайку согласно рекомендациям производителя (использовать таблицы момент-усилия); не повторно используйте деформированные кольца. После монтажа — проведение испытания герметичности (жидкостный/газовый контроль). Избегать ударных нагрузок и перекосов трубки при эксплуатации.

    Автор

    Ответственный редактор / Инженер

    Директор «Би Энд Би Инжиниринг»
    «Описание товара DCW8-6P-SA - Штуцер прямой под приварку встык обжимной 1/2"-3/8", нерж. на этой странице составлено на основе нашего 10-летнего опыта работы в сфере пневматического оборудования, запорной арматуры и промышленной автоматизации. Если у вас есть вопросы или комментарии — напишите мне лично».

    Характеристики DCW8-6P-SA

    Характеристики фитингов
    Форма фитинга
    штуцер прямой под приварку
    Тип уплотнения резьбового соединения
    • -
    Общие характеристики
    Тип конструкции
    обжим трубки с помощью двух обжимных колец и гайки
    Массо-габаритные и монтажные характеристики
    Подключение
    1/2″ (трубка)-3/8″ (под приварку встык)
    Подключение, канал 1
    • 1/2″ (трубка)
    Подключение, канал 2
    • 3/8″ (под приварку встык)
    Материалы
    Основной материал
    сталь нержавеющая
    Корпус
    сталь нержавеющая AISI 316
    Идентификационные данные
    Производитель
    DKL
    Артикул
    DCW8-6P-SA
    Ед. изм.
    шт.
    Наличие в магазинах
    Магазин и адрес
    Режим работы
    Телефон
    Доступность
    Склад Алматы
    г. Алматы, ул. Казыбаева, 3/3, пом. 11
    Пн.-Пт. 10:00-17:00
    +7(776)990-55-56
    Нет в наличии
    Отзывы

    Отзывы не найдены

    Как только цена на товар снизится, вы сразу об этом узнаете
    Следить за снижением цены

    Цена пока не менялась. Как только она изменится, мы покажем график

    Возможно, вас это заинтересует
     
    • Похожие товары
    • Недавно смотрели