Пневматика и
автоматизация

  • Пн - Пт
  • 9:00 - 18:00
  • Фотография может отличаться от реального товара

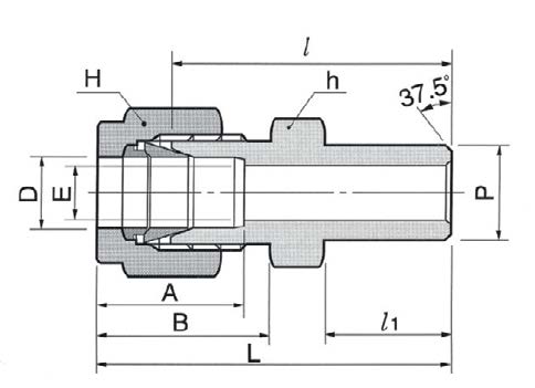
    DCW8-8P-SA - Штуцер прямой под приварку встык обжимной 1/2"-1/2", нерж.

    260822
    Форма фитинга: штуцер прямой под приварку • Подключение: 1/2″ (трубка)-1/2″ (под приварку встык) • Материал корпуса: сталь нержавеющая AISI 316
    Преимущества
    Бесплатные консультации и техподдержка
    Подбор аналогов из наличия
    Быстрая обработка заявки
    Индивидуальный подход
    Лучшие цены и сроки
    Оплата
    Доставка
    • Все о товаре
    • Описание
    • Характеристики

    Описание DCW8-8P-SA

    Назначение и принцип работы

    Прямой штуцер обжимной DCW8-8P-SA DK-Lok предназначен для перехода от трубки Ø1/2" к постоянному присоединению под приварку встык 1/2". Решает задачу герметичного соединения измерительных и технологических линий в системах КИПиА, гидравлики и технологических трубопроводах, где требуется комбинированное подключение трубки и приварного патрубка. Принцип работы — механическое обжатие трубки двумя коническими обжимными кольцами (двухфerrулная система) и затяжка гайки для обеспечения металлоконтактного уплотнения на стороне трубки; противоположный конец фиксируется методом стыковой сварки.

    Ключевые особенности конструкции

    Корпус и фурнитура — нержавеющая сталь AISI 316, устойчивая к коррозии в агрессивных средах. Конструкция: двухфerrулная система обжима + гайка; на стороне приварки — гладкий патрубок для встык‑сварки. Тип уплотнения резьбы отсутствует (сварной шов и обжим). Рабочие среды: нейтральные и агрессивные жидкости и газы, пар, лабораторные смеси и нефтегазовые среды. Ориентировочные эксплуатационные пределы при корректном выборе трубки: давление до ≈414 бар (6000 psi) в зависимости от толщины стенки трубки; температурный диапазон от криогенных условий (≈−196 °C) до ≈+400 °C для AISI 316 при отсутствии уплотнительных материалов.

    Экспертные рекомендации по применению

    При подборе учитывайте толшину стенки и жесткость трубки, соответствующие рабочему давлению. Перед сваркой установите и зафиксируйте штуцер, затем выполняйте стыковую сварку с учетом предела нагрева — не деформировать обжимные элементы; при необходимости снимайте гайку/феррулы на время сварки. Затягивайте гайку по рекомендованному крутящему моменту производителя, избегая перетяжки и подклинивания феррул. После монтажа провести контроль герметичности (гелиевая проба или мыльный раствор). Типичные ошибки: использование тонкостенных труб без расчёта давления, перегрев обжимных деталей при сварке, недостаточная подготовка торцев. Для агрессивных сред и высоких температур уточняйте совместимость материалов и условия сварки.

    Автор

    Ответственный редактор / Инженер

    Директор «Би Энд Би Инжиниринг»
    «Описание товара DCW8-8P-SA - Штуцер прямой под приварку встык обжимной 1/2"-1/2", нерж. на этой странице составлено на основе нашего 10-летнего опыта работы в сфере пневматического оборудования, запорной арматуры и промышленной автоматизации. Если у вас есть вопросы или комментарии — напишите мне лично».

    Характеристики DCW8-8P-SA

    Характеристики фитингов
    Форма фитинга
    штуцер прямой под приварку
    Тип уплотнения резьбового соединения
    • -
    Общие характеристики
    Тип конструкции
    обжим трубки с помощью двух обжимных колец и гайки
    Массо-габаритные и монтажные характеристики
    Подключение
    1/2″ (трубка)-1/2″ (под приварку встык)
    Подключение, канал 1
    • 1/2″ (трубка)
    Подключение, канал 2
    • 1/2″ (под приварку встык)
    Материалы
    Основной материал
    сталь нержавеющая
    Корпус
    сталь нержавеющая AISI 316
    Идентификационные данные
    Производитель
    DKL
    Артикул
    DCW8-8P-SA
    Ед. изм.
    шт.
    Наличие в магазинах
    Магазин и адрес
    Режим работы
    Телефон
    Доступность
    Склад Алматы
    г. Алматы, ул. Казыбаева, 3/3, пом. 11
    Пн.-Пт. 10:00-17:00
    +7(776)990-55-56
    Нет в наличии
    Отзывы

    Отзывы не найдены

    Как только цена на товар снизится, вы сразу об этом узнаете
    Следить за снижением цены

    Цена пока не менялась. Как только она изменится, мы покажем график

    Возможно, вас это заинтересует
     
    • Похожие товары
    • Недавно смотрели