Пневматика и
автоматизация

  • Пн - Пт
  • 9:00 - 18:00
  • Фотография может отличаться от реального товара

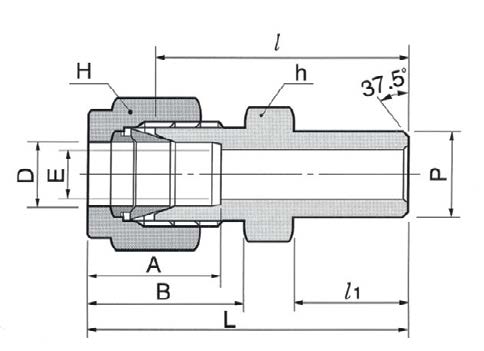
    DCW8M-2P-SA - Штуцер прямой под приварку встык обжимной 8 мм-1/8", нерж.

    260834
    Форма фитинга: штуцер прямой под приварку • Подключение: 8 мм (трубка)-1/8″ (под приварку встык) • Материал корпуса: сталь нержавеющая AISI 316
    Преимущества
    Бесплатные консультации и техподдержка
    Подбор аналогов из наличия
    Быстрая обработка заявки
    Индивидуальный подход
    Лучшие цены и сроки
    Оплата
    Доставка
    • Все о товаре
    • Описание
    • Характеристики

    Описание DCW8M-2P-SA

    Назначение и принцип работы

    Штуцер прямой для подсоединения трубки Ø8 мм к технологическому патрубку 1/8″ методом приварки встык. Применяется в системах КИПиА, аналитических линиях, гидропневматике и технологических магистралях, где требуется комбинированное соединение — герметичное сварное продолжение трубопровода и быстрый разъёмный переход на гибкую трубку. Принцип работы: одна сторона приваривается встык к фланцу/патрубку 1/8″, другая фиксирует трубку посредством обжимной конструкции с двумя обжимными кольцами (ferrules) и гайкой, обеспечивая металлическое уплотнение без эластомерных прокладок.

    Ключевые особенности конструкции

    Корпус и основные элементы выполнены из нержавеющей стали AISI 316, стойкой к коррозии агрессивных сред. Конструкция — обжим трубки с помощью двух обжимных колец и гайки; уплотнение — металлическое (ferrule-to-tube), без резьбового уплотнителя на сварном конце. Подключения: канал 1 — трубка 8 мм, канал 2 — под приварку 1/8″. Типично для подобных изделий рабочее давление до ~400 bar (зависит от толщины стенки трубки и условий монтажа); рабочая температура диапазонно от ~-60 °C до +450 °C при отсутствии эластомерных уплотнений. Допускает среды: сжатые газы, технологические и химически агрессивные жидкости, пар; пригоден для вакуума и циклических нагрузок при правильной установке.

    Экспертные рекомендации по применению

    Подбирайте штуцер под фактический наружный диаметр и толщину стенки трубки 8 мм. Перед монтажом зачищайте и фаскуйте торец трубки, удаляйте заусенцы; вставляйте трубку до упора в тело фитинга. При сборке соблюдайте порядок затяжки и момент по таблице производителя — избегайте чрезмерной затяжки, чтобы не деформировать ferrule. Приварку выполняйте в соответствии со стандартами для AISI 316 с предварительной очисткой и продувкой аргоном при необходимости. После монтажа проведите гидравлические или герметичностные испытания (рекомендуется 1,25–1,5× рабочее давление) и контроль на трещины в зоне сварки.

    Автор

    Ответственный редактор / Инженер

    Директор «Би Энд Би Инжиниринг»
    «Описание товара DCW8M-2P-SA - Штуцер прямой под приварку встык обжимной 8 мм-1/8", нерж. на этой странице составлено на основе нашего 10-летнего опыта работы в сфере пневматического оборудования, запорной арматуры и промышленной автоматизации. Если у вас есть вопросы или комментарии — напишите мне лично».

    Характеристики DCW8M-2P-SA

    Характеристики фитингов
    Форма фитинга
    штуцер прямой под приварку
    Тип уплотнения резьбового соединения
    • -
    Общие характеристики
    Тип конструкции
    обжим трубки с помощью двух обжимных колец и гайки
    Массо-габаритные и монтажные характеристики
    Подключение
    8 мм (трубка)-1/8″ (под приварку встык)
    Подключение, канал 1
    • 8 мм (трубка)
    Подключение, канал 2
    • 1/8″ (под приварку встык)
    Материалы
    Основной материал
    сталь нержавеющая
    Корпус
    сталь нержавеющая AISI 316
    Идентификационные данные
    Производитель
    DKL
    Артикул
    DCW8M-2P-SA
    Ед. изм.
    шт.
    Наличие в магазинах
    Магазин и адрес
    Режим работы
    Телефон
    Доступность
    Склад Алматы
    г. Алматы, ул. Казыбаева, 3/3, пом. 11
    Пн.-Пт. 10:00-17:00
    +7(776)990-55-56
    Нет в наличии
    Отзывы

    Отзывы не найдены

    Как только цена на товар снизится, вы сразу об этом узнаете
    Следить за снижением цены

    Цена пока не менялась. Как только она изменится, мы покажем график

    Возможно, вас это заинтересует
     
    • Похожие товары
    • Недавно смотрели