Пневматика и
автоматизация

  • Пн - Пт
  • 9:00 - 18:00
  • Фотография может отличаться от реального товара

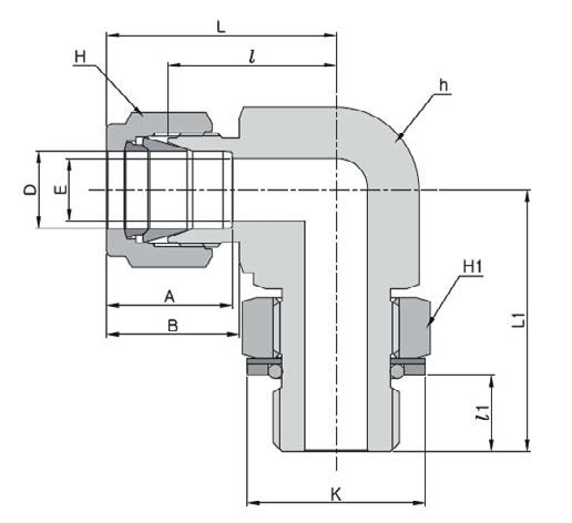
    DLM12-12GP-SA - Штуцер угловой с нар. резьбой поворотный обжимной G3/4-3/4", нерж.

    260800
    Форма фитинга: штуцер угловой с нар. резьбой поворотный • Подключение: G3/4-3/4″ • Материал корпуса: сталь нержавеющая AISI 316
    Преимущества
    Бесплатные консультации и техподдержка
    Подбор аналогов из наличия
    Быстрая обработка заявки
    Индивидуальный подход
    Лучшие цены и сроки
    Оплата
    Доставка
    • Все о товаре
    • Описание
    • Характеристики

    Описание DLM12-12GP-SA

    Назначение и принцип работы

    Угловой поворотный штуцер для обжима DK-Lok предназначен для коммутации трубных линий измерительной и технологической арматуры, где требуется переход с резьбового подключения G3/4 на трубку 3/4". Конструкция решает задачу уплотнённого и ориентируемого соединения в ограниченном пространстве: вращающаяся резьбовая часть упрощает монтаж и поворот трубопровода без перекручивания трубки. Уплотнение резьбы обеспечивает O-ring со стопорным кольцом и шайбой по DIN 3852 (форма H), а герметизация трубки достигается обжимом двумя обжимными кольцами и гайкой.

    Ключевые особенности конструкции

    Корпус и основные элементы выполнены из нержавеющей стали AISI 316, что обеспечивает повышенную коррозионную стойкость в средах воды, масла, газа и многих агрессивных средах. Типичный диапазон эксплуатации определяется размером и толщиной стенки трубки и материалом уплотнения: рабочее давление при корректно подобранной трубке обычно составляет порядка сотен бар (см. паспорт производителя), температура эксплуатации ограничена термостойкостью O-ring (обычно эластомеры ~-20…+150 °C), сама AISI 316 выдерживает значительно более широкий диапазон. Соединение — G3/4 (канал 1) на 3/4" трубку (канал 2), двухфerrульная обжимная система обеспечивает повторяемую герметичность и виброустойчивость.

    Экспертные рекомендации по применению

    Подбирайте размер трубки и толщину стенки в соответствии с рабочим давлением и температурой; сверяйтесь с техническим паспортом DK-Lok для точных значений давления. При монтаже трубку следует правильно отрезать и удалить фаски, не деформировать обжимные кольца; затягивайте гайку рекомендованным моментом, избегая перетяжки, чтобы не повредить O-ring и фторопластовую шайбу. Для агрессивных сред уточняйте материал уплотнений и при необходимости используйте альтернативные O-ring. Регулярно проверяйте уплотнения на износ и герметичность после пуско-наладки.

    Автор

    Ответственный редактор / Инженер

    Директор «Би Энд Би Инжиниринг»
    «Описание товара DLM12-12GP-SA - Штуцер угловой с нар. резьбой поворотный обжимной G3/4-3/4", нерж. на этой странице составлено на основе нашего 10-летнего опыта работы в сфере пневматического оборудования, запорной арматуры и промышленной автоматизации. Если у вас есть вопросы или комментарии — напишите мне лично».

    Характеристики DLM12-12GP-SA

    Характеристики фитингов
    Форма фитинга
    штуцер угловой с нар. резьбой поворотный
    Тип уплотнения резьбового соединения
    • уплотнительное кольцо O-ring со стопорным кольцом с шайбой по DIN 3852 форма H
    Общие характеристики
    Тип конструкции
    обжим трубки с помощью двух обжимных колец и гайки
    Массо-габаритные и монтажные характеристики
    Подключение
    G3/4-3/4″
    Подключение, канал 1
    • G3/4
    Подключение, канал 2
    • 3/4″ (трубка)
    Материалы
    Основной материал
    сталь нержавеющая
    Корпус
    сталь нержавеющая AISI 316
    Идентификационные данные
    Производитель
    DKL
    Артикул
    DLM12-12GP-SA
    Ед. изм.
    шт.
    Наличие в магазинах
    Магазин и адрес
    Режим работы
    Телефон
    Доступность
    Склад Алматы
    г. Алматы, ул. Казыбаева, 3/3, пом. 11
    Пн.-Пт. 10:00-17:00
    +7(776)990-55-56
    Нет в наличии
    Отзывы

    Отзывы не найдены

    Как только цена на товар снизится, вы сразу об этом узнаете
    Следить за снижением цены

    Цена пока не менялась. Как только она изменится, мы покажем график

    Возможно, вас это заинтересует
     
    • Похожие товары
    • Недавно смотрели