Пневматика и
автоматизация

  • Пн - Пт
  • 9:00 - 18:00
  • Фотография может отличаться от реального товара

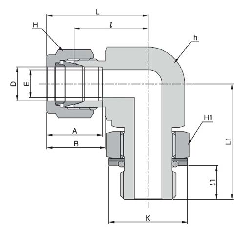
    DLM12M-6GP-SA - Штуцер угловой с нар. резьбой поворотный обжимной G3/8-12 мм, нерж.

    260810
    Форма фитинга: штуцер угловой с нар. резьбой поворотный • Подключение: G3/8-12 мм • Материал корпуса: сталь нержавеющая AISI 316
    Преимущества
    Бесплатные консультации и техподдержка
    Подбор аналогов из наличия
    Быстрая обработка заявки
    Индивидуальный подход
    Лучшие цены и сроки
    Оплата
    Доставка
    • Все о товаре
    • Описание
    • Характеристики

    Описание DLM12M-6GP-SA

    Назначение и принцип работы

    Угловой поворотный штуцер обжимного исполнения предназначен для соединения жестких трубок Ø12 мм с резьбовыми портами G3/8 в измерительной и технологической арматуре, гидравлике и системах подачи среды. Конструкция решает задачу компактного изменения направления трубопровода на 90° при сохранении герметичности и возможности поворота относительно резьбовой посадки. Уплотнение резьбы реализовано уплотнительным кольцом O-ring со стопорным кольцом и шайбой по DIN 3852 форма H; герметичность линии трубки достигается за счёт двух обжимных колец и гайки, обеспечивая надёжное зажатие трубки Ø12 мм и передачу рабочего давления.

    Ключевые особенности конструкции

    Корпус и основные детали выполнены из коррозионно-стойкой стали AISI 316 (нерж.), что гарантирует стойкость в агрессивных средах и при температурных колебаниях. Поворотный G3/8 — 12 мм штуцер сочетает металлическую обжимную систему двух колец и уплотнение резьбы O-ring (DIN 3852 H). Типичные рабочие среды: нейтральные и агрессивные жидкости, охлаждающие и технологические среды, сжиженные газы в зависимости от применяемого уплотнителя. При правильном выборе O-ring рабочее давление в типичных конфигурациях для трубок Ø12 мм достигает порядка сотен бар (приблизительно до ~420 bar при комнатной температуре), температурный диапазон зависит от материала O-ring (например NBR ≈ −40…+100 °C, FKM ≈ −20…+200 °C).

    Экспертные рекомендации по применению

    Подбирайте штуцер по совпадению каналов: канал 1 — G3/8, канал 2 — трубка 12 мм. Перед монтажом обрежьте трубку перпендикулярно, удалите заусенцы, убедитесь в полном посадочном входе трубки в обжимную систему. Затягивайте гайку согласно таблице моментов производителя и выполняйте окончательную проверку на герметичность при давлении испытания ≥1,25…1,5 рабочего. Избегайте изгиба и осевых нагрузок в зоне обжима, не используйте повреждённые кольца и O-ring; при замене уплотнений учитывайте материал O-ring в зависимости от рабочей температуры и химии среды.

    Автор

    Ответственный редактор / Инженер

    Директор «Би Энд Би Инжиниринг»
    «Описание товара DLM12M-6GP-SA - Штуцер угловой с нар. резьбой поворотный обжимной G3/8-12 мм, нерж. на этой странице составлено на основе нашего 10-летнего опыта работы в сфере пневматического оборудования, запорной арматуры и промышленной автоматизации. Если у вас есть вопросы или комментарии — напишите мне лично».

    Характеристики DLM12M-6GP-SA

    Характеристики фитингов
    Форма фитинга
    штуцер угловой с нар. резьбой поворотный
    Тип уплотнения резьбового соединения
    • уплотнительное кольцо O-ring со стопорным кольцом с шайбой по DIN 3852 форма H
    Общие характеристики
    Тип конструкции
    обжим трубки с помощью двух обжимных колец и гайки
    Массо-габаритные и монтажные характеристики
    Подключение
    G3/8-12 мм
    Подключение, канал 1
    • G3/8
    Подключение, канал 2
    • 12 мм (трубка)
    Материалы
    Основной материал
    сталь нержавеющая
    Корпус
    сталь нержавеющая AISI 316
    Идентификационные данные
    Производитель
    DKL
    Артикул
    DLM12M-6GP-SA
    Ед. изм.
    шт.
    Наличие в магазинах
    Магазин и адрес
    Режим работы
    Телефон
    Доступность
    Склад Алматы
    г. Алматы, ул. Казыбаева, 3/3, пом. 11
    Пн.-Пт. 10:00-17:00
    +7(776)990-55-56
    Нет в наличии
    Отзывы

    Отзывы не найдены

    Как только цена на товар снизится, вы сразу об этом узнаете
    Следить за снижением цены

    Цена пока не менялась. Как только она изменится, мы покажем график

    Возможно, вас это заинтересует
     
    • Похожие товары
    • Недавно смотрели