Пневматика и
автоматизация

  • Пн - Пт
  • 9:00 - 18:00
  • Фотография может отличаться от реального товара

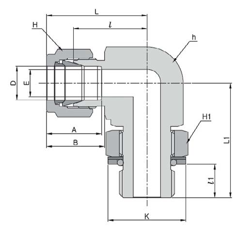
    DLM8-4GP-SA - Штуцер угловой с нар. резьбой поворотный обжимной G1/4-1/2", нерж.

    260796
    Форма фитинга: штуцер угловой с нар. резьбой поворотный • Подключение: G1/4-1/2″ • Материал корпуса: сталь нержавеющая AISI 316
    Преимущества
    Бесплатные консультации и техподдержка
    Подбор аналогов из наличия
    Быстрая обработка заявки
    Индивидуальный подход
    Лучшие цены и сроки
    Оплата
    Доставка
    • Все о товаре
    • Описание
    • Характеристики

    Описание DLM8-4GP-SA

    Назначение и принцип работы

    Угловой поворотный штуцер обжимного типа предназначен для подсоединения трубки Ø 1/2" к резьбовому порту G1/4 в системах КИПиА, гидравлики и технологических коммуникациях. Конструкция с обжимными кольцами обеспечивает герметичное бесфланцевое соединение трубки с корпусом, а уплотнение резьбы — уплотнительное кольцо O-ring со стопорным кольцом и шайбой по DIN 3852 форма H — предотвращает утечки на резьбовом узле. Поворотный элемент упрощает ориентирование трубопровода при монтаже, снижая необходимость гибки труб.

    Ключевые особенности конструкции

    Корпус изготовлен из нержавеющей стали AISI 316, материал обобщённо — нержавеющая сталь, что обеспечивает коррозионную стойкость в агрессивных средах. Соединение реализовано через две обжимные гильзы и гайку; подключение: канал 1 — G1/4 (наружная резьба), канал 2 — 1/2" (трубка). Уплотнение резьбы — O-ring по DIN 3852 H с фиксирующим кольцом и шайбой, применимо с типичными эластомерами (NBR/FKM) в зависимости от рабочей среды. Рабочее давление зависит от диаметра и толщины стенки трубки; типичное значение для подобной размерной группы при штатной стенке — до ~300 бар (зависит от спецификации трубки). Температурный диапазон: при эластомерных уплотнениях обычно от −20 °C до +200 °C, при металлическом уплотнении корпус выдерживает значительно более широкий интервал.

    Экспертные рекомендации по применению

    Подбирайте фитинг под конкретную толщину стенки и материал трубки; перед монтажом удаляйте заусенцы и обеспечьте полное заходное положение трубки до опоры в седле. Затяжку выполняйте в соответствии с таблицей моментов производителя DK‑Lok, избегайте перетяжки — деформация обжимных колец приведёт к потере герметичности. При выборе уплотнителя учитывайте совместимость с рабочей средой (масла, агрессивные растворители, пар). Для ревизии используйте демонтажную последовательность: отвернуть гайку, аккуратно снять гильзы, проверить O-ring и шайбу DIN3852 H. Избегайте ударных нагрузок и циклических изгибов в зоне обжима.

    Автор

    Ответственный редактор / Инженер

    Директор «Би Энд Би Инжиниринг»
    «Описание товара DLM8-4GP-SA - Штуцер угловой с нар. резьбой поворотный обжимной G1/4-1/2", нерж. на этой странице составлено на основе нашего 10-летнего опыта работы в сфере пневматического оборудования, запорной арматуры и промышленной автоматизации. Если у вас есть вопросы или комментарии — напишите мне лично».

    Характеристики DLM8-4GP-SA

    Характеристики фитингов
    Форма фитинга
    штуцер угловой с нар. резьбой поворотный
    Тип уплотнения резьбового соединения
    • уплотнительное кольцо O-ring со стопорным кольцом с шайбой по DIN 3852 форма H
    Общие характеристики
    Тип конструкции
    обжим трубки с помощью двух обжимных колец и гайки
    Массо-габаритные и монтажные характеристики
    Подключение
    G1/4-1/2″
    Подключение, канал 1
    • G1/4
    Подключение, канал 2
    • 1/2″ (трубка)
    Материалы
    Основной материал
    сталь нержавеющая
    Корпус
    сталь нержавеющая AISI 316
    Идентификационные данные
    Производитель
    DKL
    Артикул
    DLM8-4GP-SA
    Ед. изм.
    шт.
    Наличие в магазинах
    Магазин и адрес
    Режим работы
    Телефон
    Доступность
    Склад Алматы
    г. Алматы, ул. Казыбаева, 3/3, пом. 11
    Пн.-Пт. 10:00-17:00
    +7(776)990-55-56
    Нет в наличии
    Отзывы

    Отзывы не найдены

    Как только цена на товар снизится, вы сразу об этом узнаете
    Следить за снижением цены

    Цена пока не менялась. Как только она изменится, мы покажем график

    Возможно, вас это заинтересует
     
    • Похожие товары
    • Недавно смотрели