Пневматика и
автоматизация

  • Пн - Пт
  • 9:00 - 18:00
  • Фотография может отличаться от реального товара

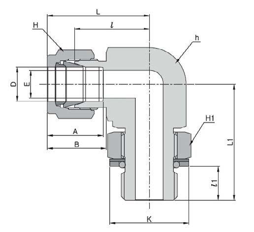
    DLM8-6GP-SA - Штуцер угловой с нар. резьбой поворотный обжимной G3/8-1/2", нерж.

    260797
    Форма фитинга: штуцер угловой с нар. резьбой поворотный • Подключение: G3/8-1/2″ • Материал корпуса: сталь нержавеющая AISI 316
    Преимущества
    Бесплатные консультации и техподдержка
    Подбор аналогов из наличия
    Быстрая обработка заявки
    Индивидуальный подход
    Лучшие цены и сроки
    Оплата
    Доставка
    • Все о товаре
    • Описание
    • Характеристики

    Описание DLM8-6GP-SA

    Назначение и принцип работы

    Угловой поворотный штуцер DLM8-6GP-SA DK‑Lok предназначен для подключения трубок Ø1/2″ к резьбовым портам G3/8 в системах измерения, гидравлики и технологических трубопроводах. Решает задачи изменения направления трассы на 90° с возможностью поворота для корректного ориентирования линии при монтаже. Герметизация резьбового соединения выполнена с помощью уплотнительного кольца O‑ring и стопорного кольца со шайбой по DIN 3852 форма H, а герметизация трубки осуществляется обжимной конструкцией с двумя обжимными кольцами и гайкой, что обеспечивает плотный металлическо‑эластичный контакт и исключает протечки при вибрации и перепадах давления.

    Ключевые особенности конструкции

    Корпус и внутренние элементы — нержавеющая сталь AISI 316, устойчивые к коррозии и совместимые с агрессивными средами. Соединение: резьбовой порт G3/8 и трубное подключение 1/2″ (обжим). Конструкция двух обжимных колец повышает герметичность и ремонтопригодность по сравнению с однофланцевыми системами. Уплотнение по DIN 3852 H допускает использование O‑ring из различных эластомеров (FKM, NBR и др.) в зависимости от среды; типичные рабочие диапазоны для таких материалов — давление до нескольких сотен бар (точное допустимое давление зависит от диаметра трубки и материалов — уточняйте по таблице производителя) и температура от низкотемпературных режимов до ~+150…+200 °C для FKM в зависимости от состава.

    Экспертные рекомендации по применению

    Перед установкой обрежьте трубку перпендикулярно, удалите заусенцы и обеспечьте требуемую глубину посадки. Сборку выполняют: установить уплотнения, вставить трубку до упора, затянуть гайку вручную и затем ключом по указаниям производителя (ориентироваться на табличные моменты/обороты для соответствующего диаметра). Избегать перекоса и чрезмерной нагрузки на фитинг, предусмотреть опоры для трубопровода. При агрессивных средах подбирать материал O‑ring (FKM, EPDM и т.д.). Проверять на герметичность после первого пуска и при пульсациях давления; периодически контролировать состояние обжимных колец при ремонте.

    Автор

    Ответственный редактор / Инженер

    Директор «Би Энд Би Инжиниринг»
    «Описание товара DLM8-6GP-SA - Штуцер угловой с нар. резьбой поворотный обжимной G3/8-1/2", нерж. на этой странице составлено на основе нашего 10-летнего опыта работы в сфере пневматического оборудования, запорной арматуры и промышленной автоматизации. Если у вас есть вопросы или комментарии — напишите мне лично».

    Характеристики DLM8-6GP-SA

    Характеристики фитингов
    Форма фитинга
    штуцер угловой с нар. резьбой поворотный
    Тип уплотнения резьбового соединения
    • уплотнительное кольцо O-ring со стопорным кольцом с шайбой по DIN 3852 форма H
    Общие характеристики
    Тип конструкции
    обжим трубки с помощью двух обжимных колец и гайки
    Массо-габаритные и монтажные характеристики
    Подключение
    G3/8-1/2″
    Подключение, канал 1
    • G3/8
    Подключение, канал 2
    • 1/2″ (трубка)
    Материалы
    Основной материал
    сталь нержавеющая
    Корпус
    сталь нержавеющая AISI 316
    Идентификационные данные
    Производитель
    DKL
    Артикул
    DLM8-6GP-SA
    Ед. изм.
    шт.
    Наличие в магазинах
    Магазин и адрес
    Режим работы
    Телефон
    Доступность
    Склад Алматы
    г. Алматы, ул. Казыбаева, 3/3, пом. 11
    Пн.-Пт. 10:00-17:00
    +7(776)990-55-56
    Нет в наличии
    Отзывы

    Отзывы не найдены

    Как только цена на товар снизится, вы сразу об этом узнаете
    Следить за снижением цены

    Цена пока не менялась. Как только она изменится, мы покажем график

    Возможно, вас это заинтересует
     
    • Похожие товары
    • Недавно смотрели