Пневматика и
автоматизация

  • Пн - Пт
  • 9:00 - 18:00
  • Фотография может отличаться от реального товара

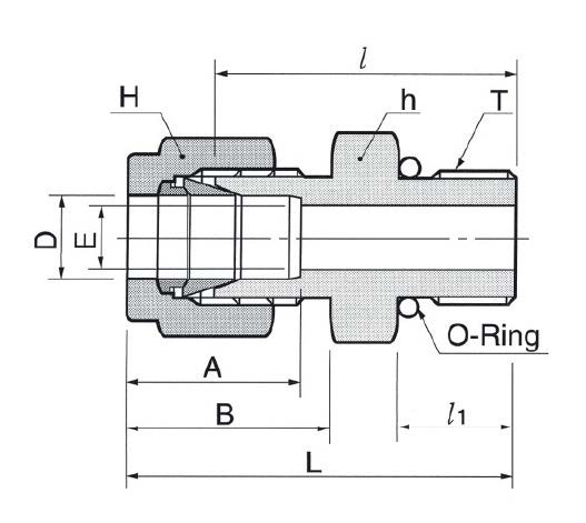
    DMCS12M-4U-SA - Штуцер прямой с нар. резьбой обжимной UNF 7/16"-20-12 мм, нерж.

    260757
    Форма фитинга: штуцер прямой с нар. резьбой • Подключение: UNF 7/16″-20-12 мм • Материал корпуса: сталь нержавеющая AISI 316
    Преимущества
    Бесплатные консультации и техподдержка
    Подбор аналогов из наличия
    Быстрая обработка заявки
    Индивидуальный подход
    Лучшие цены и сроки
    Оплата
    Доставка
    • Все о товаре
    • Описание
    • Характеристики

    Описание DMCS12M-4U-SA

    Назначение и принцип работы

    Прямой обжимной штуцер с наружной резьбой UNF 7/16"-20 — предназначен для жесткого и герметичного подключения 12 мм трубопровода к резьбовым портам приборов и агрегатов в системах КИПиА, гидравлики и технологических линиях. Конструкция с двумя обжимными кольцами (двухраспорная система) обеспечивает механическое зажатие трубки 12 мм и герметизацию при внутреннем давлении; уплотнение резьбы выполняется выступающим O‑ring, который предотвращает протечки по резьбе и компенсирует микронеровности посадочных поверхностей.

    Ключевые особенности конструкции

    Корпус и элементы обжимной группы — нержавеющая сталь AISI 316, что обеспечивает коррозионную стойкость в агрессивных средах. Тип конструкции: две обжимные конические гильзы и гайка для надежного механического захвата трубки 12 мм; подключение: канал 1 — UNF 7/16"-20, канал 2 — трубка 12 мм. Уплотнение резьбы — выступающее O‑ring (эластомер), которое совместимо с различными средами; диапазон рабочих давлений зависит от диаметра трубки и условий, в типичных приложениях составляет до нескольких сотен бар (в ряде конфигураций — порядка 400–600 бар), рабочая температура определяется материалом уплотнителя (например, від -60°C до +200°C для распространённых эластомеров и выше для PTFE).

    Экспертные рекомендации по применению

    Перед монтажом зачистите и удалите задиры на трубке 12 мм, обеспечьте прямой рез и нормальную посадочную длину под гильзы. Сборку выполняют по шагам: ввести трубку, надвинуть гильзы и затянуть гайку до посадки, затем выполнить контрольное доворотное усилие согласно таблице производителя; избегайте перетяжки, чтобы не повредить O‑ring и не деформировать гильзы. При пульсационных нагрузках и агрессивных средах используйте уплотнители соответствующей химстойкости и выполняйте гидроиспытание после монтажа. Для замен и инспекции рекомендовано снимать штуцер только при обесточенном/обесдавленном участке трубопровода.

    Автор

    Ответственный редактор / Инженер

    Директор «Би Энд Би Инжиниринг»
    «Описание товара DMCS12M-4U-SA - Штуцер прямой с нар. резьбой обжимной UNF 7/16"-20-12 мм, нерж. на этой странице составлено на основе нашего 10-летнего опыта работы в сфере пневматического оборудования, запорной арматуры и промышленной автоматизации. Если у вас есть вопросы или комментарии — напишите мне лично».

    Характеристики DMCS12M-4U-SA

    Характеристики фитингов
    Форма фитинга
    штуцер прямой с нар. резьбой
    Тип уплотнения резьбового соединения
    • уплотнительное кольцо O-ring выступающее
    Общие характеристики
    Тип конструкции
    обжим трубки с помощью двух обжимных колец и гайки
    Массо-габаритные и монтажные характеристики
    Подключение
    UNF 7/16″-20-12 мм
    Подключение, канал 1
    • UNF 7/16″-20
    Подключение, канал 2
    • 12 мм (трубка)
    Материалы
    Основной материал
    сталь нержавеющая
    Корпус
    сталь нержавеющая AISI 316
    Идентификационные данные
    Производитель
    DKL
    Артикул
    DMCS12M-4U-SA
    Ед. изм.
    шт.
    Наличие в магазинах
    Магазин и адрес
    Режим работы
    Телефон
    Доступность
    Склад Алматы
    г. Алматы, ул. Казыбаева, 3/3, пом. 11
    Пн.-Пт. 10:00-17:00
    +7(776)990-55-56
    Нет в наличии
    Отзывы

    Отзывы не найдены

    Как только цена на товар снизится, вы сразу об этом узнаете
    Следить за снижением цены

    Цена пока не менялась. Как только она изменится, мы покажем график

    Возможно, вас это заинтересует
     
    • Похожие товары
    • Недавно смотрели