Пневматика и
автоматизация

  • Пн - Пт
  • 9:00 - 18:00
  • Фотография может отличаться от реального товара

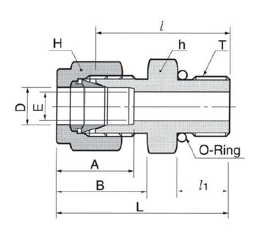
    DMCS16-12U-SA - Штуцер прямой с нар. резьбой обжимной UNF 1 1/16"-12-1", нерж.

    260749
    Форма фитинга: штуцер прямой с нар. резьбой • Подключение: UNF 1 1/16″-12-1″ • Материал корпуса: сталь нержавеющая AISI 316
    Преимущества
    Бесплатные консультации и техподдержка
    Подбор аналогов из наличия
    Быстрая обработка заявки
    Индивидуальный подход
    Лучшие цены и сроки
    Оплата
    Доставка
    • Все о товаре
    • Описание
    • Характеристики

    Описание DMCS16-12U-SA

    Назначение и принцип работы

    Прямой обжимной штуцер с наружной резьбой UNF 1 1/16"-12 → 1" трубка предназначен для соединения трубопроводной магистрали с резьбовыми портами приборов и оборудования в системах измерения и управления. Конструкция решает задачу герметичного присоединения 1" трубки к каналу с резьбой UNF 1 1/16"-12 за счёт двухобжимной системы: при затяжке гайки обжимные кольца (ferrule) фиксируют трубку, а выступающее уплотнительное кольцо O‑ring обеспечивает дополнительную герметизацию резьбового соединения и предотвращает утечки при вибрации и циклических нагрузках.

    Ключевые особенности конструкции

    Корпус и обжимные элементы изготовлены из нержавеющей стали AISI 316, что обеспечивает коррозионную стойкость в агрессивных средах. Тип конструкции — двойной обжим (two‑ferrule) с гайкой, обеспечивающий повторяемую механическую фиксацию трубки. Резьбовое уплотнение выполнено за счёт выступающего O‑ring; материал уплотнения выбирается по среде (типично FKM/EPDM/FFKM). Рабочее давление зависит от диаметра и условий, ориентировочно до 413 бар (6000 psi) для типичных применений; рабочий температурный диапазон — обычно от −20 °C до +200 °C для эластомерных уплотнений, при металлическом уплотнении допустимы более высокие температуры.

    Экспертные рекомендации по применению

    Перед монтажом соблюдайте чистоту торца трубки: ровная отрезанная и обезбуренная кромка обеспечивает герметичность. Сборка: надеть гайку и обжимные кольца, подать трубку до посадки в седло, затянуть до упора, затем довести поворотом по таблице завода‑изготовителя (обычно ≈1–1.5 оборота после ручной затяжки). Избегать перекручивания трубки и чрезмерного момента — это повреждает ferrule и O‑ring. При подборе уплотнения укажите рабочую среду (кислоты, масла, пар) и температуру; для агрессивных сред предпочтительна FFKM или применение AISI 316L. Рекомендуется проверка на герметичность давлением и повторная затяжка после начального пуско‑наладочного цикла.

    Автор

    Ответственный редактор / Инженер

    Директор «Би Энд Би Инжиниринг»
    «Описание товара DMCS16-12U-SA - Штуцер прямой с нар. резьбой обжимной UNF 1 1/16"-12-1", нерж. на этой странице составлено на основе нашего 10-летнего опыта работы в сфере пневматического оборудования, запорной арматуры и промышленной автоматизации. Если у вас есть вопросы или комментарии — напишите мне лично».

    Характеристики DMCS16-12U-SA

    Характеристики фитингов
    Форма фитинга
    штуцер прямой с нар. резьбой
    Тип уплотнения резьбового соединения
    • уплотнительное кольцо O-ring выступающее
    Общие характеристики
    Тип конструкции
    обжим трубки с помощью двух обжимных колец и гайки
    Массо-габаритные и монтажные характеристики
    Подключение
    UNF 1 1/16″-12-1″
    Подключение, канал 1
    • UNF 1 1/16″-12
    Подключение, канал 2
    • 1″ (трубка)
    Материалы
    Основной материал
    сталь нержавеющая
    Корпус
    сталь нержавеющая AISI 316
    Идентификационные данные
    Производитель
    DKL
    Артикул
    DMCS16-12U-SA
    Ед. изм.
    шт.
    Наличие в магазинах
    Магазин и адрес
    Режим работы
    Телефон
    Доступность
    Склад Алматы
    г. Алматы, ул. Казыбаева, 3/3, пом. 11
    Пн.-Пт. 10:00-17:00
    +7(776)990-55-56
    Нет в наличии
    Отзывы

    Отзывы не найдены

    Как только цена на товар снизится, вы сразу об этом узнаете
    Следить за снижением цены

    Цена пока не менялась. Как только она изменится, мы покажем график

    Возможно, вас это заинтересует
     
    • Похожие товары
    • Недавно смотрели