Пневматика и
автоматизация

  • Пн - Пт
  • 9:00 - 18:00
  • Фотография может отличаться от реального товара

    DMCS24-24U-SA - Штуцер прямой с нар. резьбой обжимной UNF 1 7/8"-12-1 1/2", нерж.

    260752
    Форма фитинга: штуцер прямой с нар. резьбой • Подключение: UNF 1 7/8″-12-1 1/2″ • Материал корпуса: сталь нержавеющая AISI 316
    Преимущества
    Бесплатные консультации и техподдержка
    Подбор аналогов из наличия
    Быстрая обработка заявки
    Индивидуальный подход
    Лучшие цены и сроки
    Оплата
    Доставка
    • Все о товаре
    • Описание
    • Характеристики

    Описание DMCS24-24U-SA

    Назначение и принцип работы

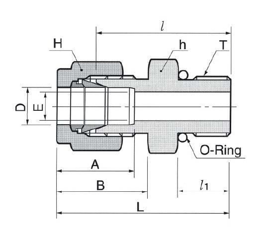
    Обжимной штуцер прямой с наружной резьбой DK‑Lok предназначен для прокладки и герметизации участков трубопроводов приборного и технологического назначения. Соединяет резьбовую линию UNF 1 7/8″-12 (канал 1) с трубкой 1 1/2″ (наружный диаметр 38,1 мм) при помощи двух обжимных колец и гайки; герметизация резьбы обеспечивается выступающим уплотнительным кольцом O‑ring. Принцип работы — механическое обжатие двух корпусных кольцевых уплотнений на трубке при затяжке гайки с одновременным уплотнением резьбы O‑ring, что обеспечивает устойчивость к вибрациям, минимальные утечки и повторяемость сборки.

    Ключевые особенности конструкции

    Корпус и детали — нержавеющая сталь AISI 316, два обжимных кольца (двухфerrуловая конструкция) и гайка обеспечивают надежное уплотнение без сварки. Уплотнение резьбы — выступающее O‑ring (тип уплотнения зависит от комплектации), что повышает стойкость к утечкам в газовых и жидкостных средах. Применяется для сред: технические газы, жидкости, нефтехимия, вспомогательные технологические линии и вакуумные системы при температурах, зависящих от материала O‑ring (типично −40 °C…+200 °C). Расчётное рабочее давление определяется диаметром и толщиной трубки; для обжимных фитингов DK‑Lok аналогичных размеров типичные пределы допускаются до ~413 bar (6000 psi) в зависимости от конфигурации и условий эксплуатации.

    Экспертные рекомендации по применению

    Подбирайте материал O‑ring по среде и температуре; для агрессивных сред используйте фторсодержащие уплотнения. Подготовьте торец трубки: срез 90°, отсутствие заусенцев и смазка посадочных поверхностей обеспечат корректное обжатие. Затягивайте гайку динамометрическим ключом в соответствии со спецификацией DK‑Lok для резьбы UNF 1 7/8″-12; избегайте перетяжки — это основная причина повреждений ferrule и утечек. Проверяйте соответствие толщины стенки трубки допустимым нагрузкам и проводите испытание на герметичность после монтажа.

    Автор

    Ответственный редактор / Инженер

    Директор «Би Энд Би Инжиниринг»
    «Описание товара DMCS24-24U-SA - Штуцер прямой с нар. резьбой обжимной UNF 1 7/8"-12-1 1/2", нерж. на этой странице составлено на основе нашего 10-летнего опыта работы в сфере пневматического оборудования, запорной арматуры и промышленной автоматизации. Если у вас есть вопросы или комментарии — напишите мне лично».

    Характеристики DMCS24-24U-SA

    Характеристики фитингов
    Форма фитинга
    штуцер прямой с нар. резьбой
    Тип уплотнения резьбового соединения
    • уплотнительное кольцо O-ring выступающее
    Общие характеристики
    Тип конструкции
    обжим трубки с помощью двух обжимных колец и гайки
    Массо-габаритные и монтажные характеристики
    Подключение
    UNF 1 7/8″-12-1 1/2″
    Подключение, канал 1
    • UNF 1 7/8″-12
    Подключение, канал 2
    • 1 1/2″ (трубка)
    Материалы
    Основной материал
    сталь нержавеющая
    Корпус
    сталь нержавеющая AISI 316
    Идентификационные данные
    Производитель
    DKL
    Артикул
    DMCS24-24U-SA
    Ед. изм.
    шт.
    Наличие в магазинах
    Магазин и адрес
    Режим работы
    Телефон
    Доступность
    Склад Алматы
    г. Алматы, ул. Казыбаева, 3/3, пом. 11
    Пн.-Пт. 10:00-17:00
    +7(776)990-55-56
    Нет в наличии
    Отзывы

    Отзывы не найдены

    Как только цена на товар снизится, вы сразу об этом узнаете
    Следить за снижением цены

    Цена пока не менялась. Как только она изменится, мы покажем график

    Возможно, вас это заинтересует
     
    • Похожие товары
    • Недавно смотрели