Пневматика и
автоматизация

  • Пн - Пт
  • 9:00 - 18:00
  • Фотография может отличаться от реального товара

    DMCS4-8U-SA - Штуцер прямой с нар. резьбой обжимной UNF 3/4"-16-1/4", нерж.

    260733
    Форма фитинга: штуцер прямой с нар. резьбой • Подключение: UNF 3/4″-16-1/4″ • Материал корпуса: сталь нержавеющая AISI 316
    Преимущества
    Бесплатные консультации и техподдержка
    Подбор аналогов из наличия
    Быстрая обработка заявки
    Индивидуальный подход
    Лучшие цены и сроки
    Оплата
    Доставка
    • Все о товаре
    • Описание
    • Характеристики

    Описание DMCS4-8U-SA

    Назначение и принцип работы

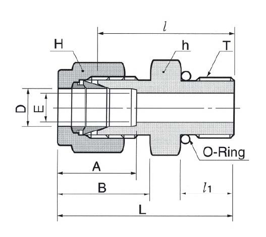
    Прямой штуцер с наружной резьбой DMCS4-8U-SA DK-Lok предназначен для подвода или отвода рабочей среды к технологическим приборам через трубку ø1/4" (6,35 мм). Соединение реализует комбинированный принцип: уплотнение резьбового соединения обеспечивается выступающим O-ring, а герметизация трубки — обжимом двух обжимных колец (double ferrule) и гайки. Конструкция обеспечивает герметичную стыковку на резьбу UNF 3/4"-16 (канал 1) и трубную подсоединительную часть 1/4" (канал 2), решая задачи высокого давления, минимальных утечек и быстрой замены элементов в полевых и стационарных системах КИПиА.

    Ключевые особенности конструкции

    Корпус и элементы изготовления — сталь нержавеющая AISI 316, устойчивые к коррозии и агрессивным средам. Обжимная конструкция с двумя кольцами обеспечивает прочную фиксацию трубки без деформации до рабочих давлений, типично до ~6000 psi (≈414 бар) для 1/4" исполнений при штатном материале; фактическое давление уточнять по приложению производителя. Выступающее O-ring обеспечивает уплотнение резьбы и защищает от вибрационных протечек; при стандартном FKM диапазон рабочих температур примерно −20…+200 °C, при использовании альтернативных уплотнений возможны расширенные диапазоны. Исполнение рассчитано на среду: вода, масло, сжатый воздух, инертные и многие коррозионные газы.

    Экспертные рекомендации по применению

    Подбирайте штуцер по диаметру трубки 1/4" и по типу резьбового портa UNF 3/4"-16; проверяйте совместимость O-ring с рабочей средой. Монтаж: закрутить до упора вручную, затем доворот ключом по регламенту производителя (ориентировочно 1–1,25 оборота) для первичной установки; при повторных сборках — минимальный доворот для предотвращения перетяжки. Избегайте перекосов трубки при обжиме, используйте чистую поверхность и рекомендуемый инструмент. Контролируйте давление при первых пусках и проводите регламентную проверку герметичности при изменении температуры или среды.

    Автор

    Ответственный редактор / Инженер

    Директор «Би Энд Би Инжиниринг»
    «Описание товара DMCS4-8U-SA - Штуцер прямой с нар. резьбой обжимной UNF 3/4"-16-1/4", нерж. на этой странице составлено на основе нашего 10-летнего опыта работы в сфере пневматического оборудования, запорной арматуры и промышленной автоматизации. Если у вас есть вопросы или комментарии — напишите мне лично».

    Характеристики DMCS4-8U-SA

    Характеристики фитингов
    Форма фитинга
    штуцер прямой с нар. резьбой
    Тип уплотнения резьбового соединения
    • уплотнительное кольцо O-ring выступающее
    Общие характеристики
    Тип конструкции
    обжим трубки с помощью двух обжимных колец и гайки
    Массо-габаритные и монтажные характеристики
    Подключение
    UNF 3/4″-16-1/4″
    Подключение, канал 1
    • UNF 3/4″-16
    Подключение, канал 2
    • 1/4″ (трубка)
    Материалы
    Основной материал
    сталь нержавеющая
    Корпус
    сталь нержавеющая AISI 316
    Идентификационные данные
    Производитель
    DKL
    Артикул
    DMCS4-8U-SA
    Ед. изм.
    шт.
    Наличие в магазинах
    Магазин и адрес
    Режим работы
    Телефон
    Доступность
    Склад Алматы
    г. Алматы, ул. Казыбаева, 3/3, пом. 11
    Пн.-Пт. 10:00-17:00
    +7(776)990-55-56
    Нет в наличии
    Отзывы

    Отзывы не найдены

    Как только цена на товар снизится, вы сразу об этом узнаете
    Следить за снижением цены

    Цена пока не менялась. Как только она изменится, мы покажем график

    Возможно, вас это заинтересует
     
    • Похожие товары
    • Недавно смотрели